| Номер на схеме | Каталожный номер | Название | Количество | Детали | |||
|---|---|---|---|---|---|---|---|
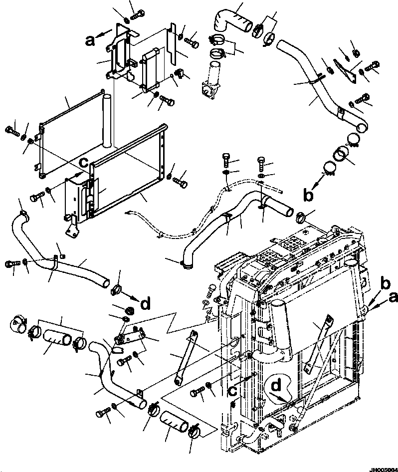
| ? | 208-03-71161 | OIL COOLER | 1 | ||||
| ? | 01010-80825 | BOLT | 4 | ||||
| ? | 01643-30823 | WASHER | 4 | ||||
| ? | 2A5-03-12130 | ELBOW | 2 | ||||
| ? | 07002-12034 | O-RING | 2 | ||||
| ? | 2A5-03-11330 | COVER | 1 | ||||
| ? | 01010-81020 | BOLT | 2 | ||||
| ? | 01643-31032 | WASHER | 2 | ||||
| ? | 2A5-03-11291 | BRACKET | 1 | ||||
| ? | 01010-81020 | BOLT | 2 | ||||
| ? | 01643-31032 | WASHER | 2 | ||||
| ? | 2A5-03-11281 | BRACKET | 1 | ||||
| ? | 198-06-62820 | • HINGE, WELDED | 2 | ||||
| ? | 01010-81020 | BOLT | 2 | ||||
| ? | 01643-31032 | WASHER | 2 | ||||
| ? | 01010-81030 | BOLT | 2 | ||||
| ? | 01643-31032 | WASHER | 2 | ||||
| ? | 2A5-979-1281 | CONDENSER ASSEMBLY | 1 | ||||
| ? | 20Y-810-1240 | CUSHION | 4 | ||||
| ? | 01010-80835 | BOLT | 4 | ||||
| ? | 01643-30823 | WASHER | 4 | ||||
| ? | 2A5-03-11632 | TUBE | 1 | ||||
| ? | 01010-81020 | BOLT | 1 | ||||
| ? | 01643-31032 | WASHER | 1 | ||||
| ? | 21T-62-69711 | CLAMP | 8 | ||||
| ? | 2A5-03-11651 | BRACKET | 1 | ||||
| ? | 01010-81030 | BOLT | 2 | ||||
| ? | 01643-31032 | WASHER | 2 | ||||
| ? | 2A5-03-11641 | TUBE | 1 | ||||
| ? | 01010-81020 | BOLT | 1 | ||||
| ? | 01643-31032 | WASHER | 1 | ||||
| ? | 2A5-03-11661 | PLATE | 1 | ||||
| ? | 01010-81030 | BOLT | 2 | ||||
| ? | 01643-31032 | WASHER | 2 | ||||
| ? | 07283-36365 | CLIP | 2 | ||||
| ? | 07283-56374 | SEAT | 2 | ||||
| ? | 01643-31032 | WASHER | 4 | ||||
| ? | 01597-01009 | NUT | 4 | ||||
| ? | 2A5-03-11610 | HOSE | 2 | ||||
| ? | 2A5-03-11621 | HOSE | 1 | ||||
| ? | 2A5-03-11960 | HOSE | 1 | ||||
| ? | 07289-00055 | CLAMP | 4 | ||||
| ? | 2A5-03-11940 | CLIP | 3 | ||||
| ? | 01010-81230 | BOLT | 2 | ||||
| ? | 01643-31232 | WASHER | 2 | ||||
| ? | 01010-81045 | BOLT | 1 | ||||
| ? | 01643-31032 | WASHER | 1 | ||||
| ? | 175-79-83760 | SPACER | 1 | ||||
| ? | 2A5-03-11581 | HOSE | 1 | ||||
| ? | 206-03-35440 | HOSE | 1 | ||||
| ? | 2A5-03-11821 | STAY | 2 | ||||
| ? | 01010-81640 | BOLT | 2 | ||||
| ? | 21T-54-16150 | WASHER | 2 |