| Наименование | Страница | Код страницы |
|---|---|---|
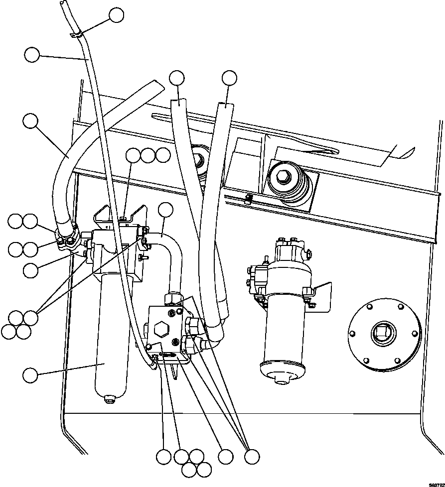
| UNLOADER VALVE ASSEMBLY PC2435 | 482 | 55977 |
| HYDRAULIC FILTER - STEERING XB4604 | 484 | 56079 |
| Номер на схеме | Каталожный номер | Название | Количество | Детали | |||
|---|---|---|---|---|---|---|---|
| ? | WB1303 | CLAMP, CUSHIONED - 3/4" | 1 | ||||
| ? | WB0993 | ELBOW | 1 | ||||
| ? | HA4273 | HOSE | 1 | ||||
| ? | C1613 | CAPSCREW - 1/2" - 13NC X 1 1/4" | 3 | ||||
| ? | C1540 | LOCKWASHER - 1/2" | 15 | ||||
| ? | WA0360 | FLAT WASHER - 1/2" | 3 | ||||
| ? | EH8338 | TUBE | 1 | ||||
| ? | HA7723 | HOSE | 1 | ||||
| ? | HA7695 | HOSE | 1 | ||||
| ? | WB0603 | FITTING, STRAIGHT | 3 | ||||
| ? | PC2435 | VALVE, UNLOADER (SEE INDEX) | 1 | 55977 | |||
| ? | VN9166 | CAPSCREW - 3/8" - 16NC X 5 1/2" | 2 | ||||
| ? | WA0720 | FLAT WASHER - 3/8" (HARDENED) | 2 | ||||
| ? | EL7354 | WASHER | 2 | ||||
| ? | WA0386 | NUT - 3/8" - 16NC | 2 | ||||
| ? | WB0580 | FITTING, STRAIGHT | 1 | ||||
| ? | HA5194 | HOSE | 1 | ||||
| ? | XB4604 | FILTER ASSEMBLY (SEE INDEX) | 1 | 56079 | |||
| ? | C1614 | CAPSCREW - 1/2" - 13NC X 1 1/2" | 12 | ||||
| ? | TF8090 | CLAMP, SPLIT FLANGE | 6 | ||||
| ? | VG9095 | O-RING | 3 |