k-part
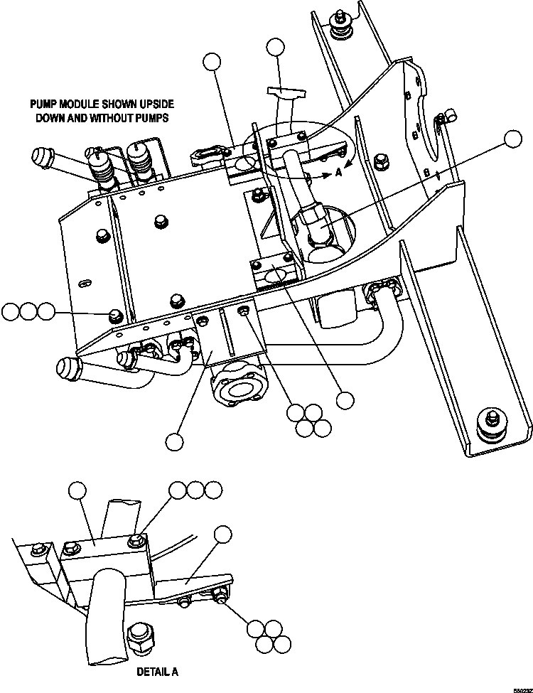
Номер на схеме Каталожный номер Название Количество Детали
? EH1575 TUBE 1
? WB0551 FITTING, ELBOW - 45 DEG 1
? MM0045 CAPSCREW - M12 X 1.75 X 40 4
? MM0714 FLAT WASHER - M12 4
? MM0472 LOCKWASHER - M12 4
? MM0179 NUT - M12 X 1.75 4
? EC1205 ANGLE 1
? C7595 CAPSCREW - 5/8" - 11NC X 1 1/4" 4
? C1541 LOCKWASHER - 5/8" 4
? WA0361 FLAT WASHER - 5/8" 4
? WA4710 CLAMP, HYDRA ZORB - 1 1/2" 1
? E3735 FLAT WASHER - 5/16" 2
? C1538 LOCKWASHER - 5/16" 2
? C1520 NUT - 5/16" - 18NC 2
? EJ5806 PLATE, BENT 1
? WA4712 CLAMP, HYDRA ZORB - 2" 2

Dump Trucks Komatsu / AFE47-GY 730E S/N A30669 - A30674  RMK(AFE47-GY) / PUMP MODULE   3/3(400 : 55923)
?
?
?
?
?
?
?
?
?
?
?
?
?
?
?
?
?
?
?
?
?