| Наименование | Страница | Код страницы |
|---|---|---|
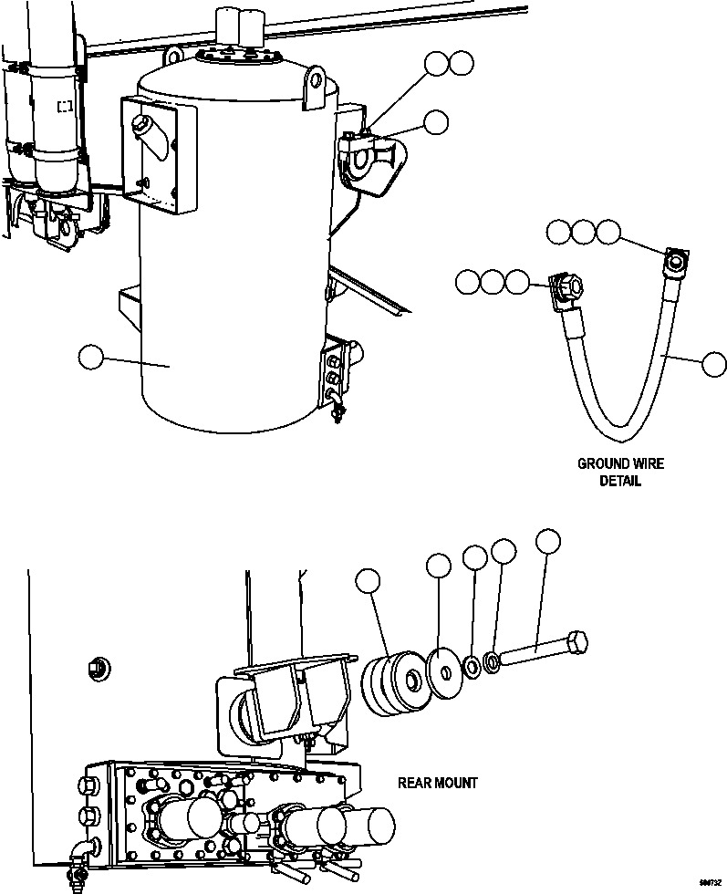
| HYDRAULIC TANK ASSEMBLY | 382 | 56009 |
| Номер на схеме | Каталожный номер | Название | Количество | Детали | |||
|---|---|---|---|---|---|---|---|
| ? | C1669 | CAPSCREW - 1" - 8NC X 3 1/2" | 4 | ||||
| ? | WA4733 | FLAT WASHER - 1" (HARDENED) | 4 | ||||
| ? | TY4907 | CAP | 2 | ||||
| ? | MM0708 | FLAT WASHER - M24 (HARDENED) | 1 | ||||
| ? | PC0780 | MOUNT, RUBBER (TWO PIECE) | 1 | ||||
| ? | VW6877 | FLAT WASHER | 1 | ||||
| ? | MM0476 | LOCKWASHER - M24 | 1 | ||||
| ? | MM0163 | CAPSCREW - M24 X 3.00 X 160 | 1 | ||||
| ? | VN5153 | WIRE, GROUND | 1 | ||||
| ? | MM0178 | NUT - M10 X 1.50 | 2 | ||||
| ? | MM0471 | LOCKWASHER - M10 | 2 | ||||
| ? | MM0461 | FLAT WASHER - M10 | 2 |