k-part
Наименование Страница Код страницы
STEERING CYLINDER AND BEARINGS 504 56036

Номер на схеме Каталожный номер Название Количество Детали
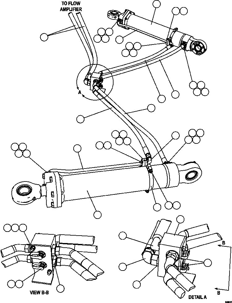
? HA2463 HOSE 2
? C1603 CAPSCREW - 3/8" - 16NC X 1 1/4" 16
? C0312 LOCKWASHER - 3/8" 26
? VN3466 O-RING 6
? TG3309 CLAMP, SPLIT FLANGE - 3/4" 12
? EL7958 STEERING CYLINDER ASSEMBLY (SEE FIG 56036) 2 56036
? EC1446 TUBE 2
? HA7337 HOSE 2
? HA0153 HOSE 2
? WA4876 FITTING, ELBOW - 90 DEG 2
? PB8303 CLAMP ASSEMBLY 2
? C0312 LOCKWASHER - 3/8" 2
? C1521 NUT - 3/8" - 16NC 6
? TZ5901 MANIFOLD 1
? WB0594 FITTING, STRAIGHT 4
? WB0599 FITTING, STRAIGHT 1
? WB0378 FITTING, 90 DEGREE ELBOW 1
? WB0522 FITTING, 90 DEGREE ELBOW 1
? PB6528 COUPLING, DIAGNOSTIC 2
? PB6041 CAP, DUST 2
? TF8481 CAPSCREW - 3/8" - 16NC X 4" 2
? TG2341 CAPSCREW - 3/8" - 16NC X 2 1/4" 4
? VC8762 CAPSCREW - 3/8" - 16NC X 1 1/2" 4

Dump Trucks Komatsu / AFE47-GW 730E S/N A30651 - A30655 & A30659 - A30668  OCP(AFE47-GW) / STEERING CYLINDER PIPING(486 : 56051)
?
?
?
?
?
?
?
?
?
?
?
?
?
?
?
?
?
?
?
?
?
?
?
?
?
?
?
?
?
?
?
?
?
?
?
?
?
?
?
?
?
?
?
?
?
?
?
?
?
?
?
?