k-part
Номер на схеме Каталожный номер Название Количество Детали
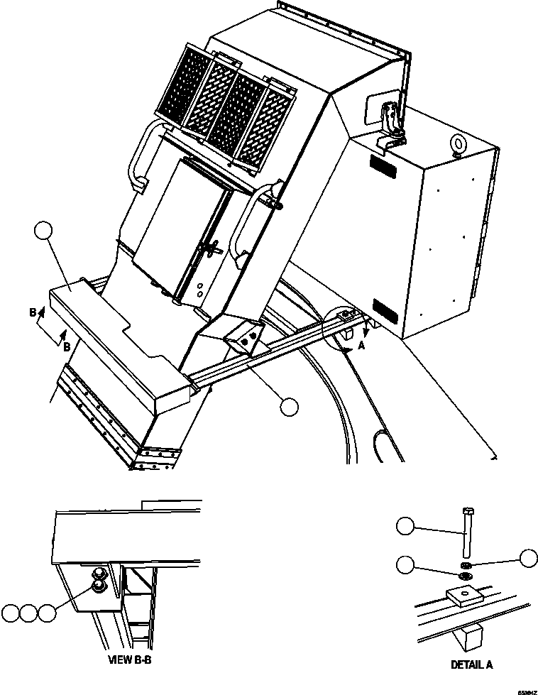
? EB9388 DECK, REAR CENTER 1
? EM6635 SUPPORT 1
? MM0125 CAPSCREW - M16 X 2.00 X 120 4
? MM0474 LOCKWASHER - M16 4
? MM0706 FLAT WASHER - M16 4
? MM0053 CAPSCREW - M12 X 1.75 X 45 4
? MM0472 LOCKWASHER - M12 4
? EC7593 FLAT WASHER - M12 4

Dump Trucks Komatsu / AFE47-GW 730E S/N A30651 - A30655 & A30659 - A30668  OCP(AFE47-GW) / REAR CENTER DECK & SUPPORT INSTALLATION(034 : 55984)
?
?
?
?
?
?
?
?