|
Номер на схеме |
Каталожный номер |
Название |
Количество |
Детали |
|
|
|
? |
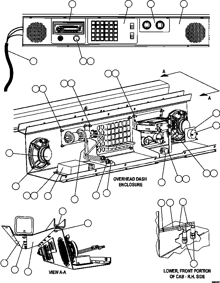
EK4227 |
DASH, OVERHEAD |
1 |
|
|
|
|
? |
PB9056 |
FITTING, COMPRESSION - FEMALE |
2 |
|
|
|
|
? |
PC0251 |
SONALARM, SIGNAL |
1 |
|
|
|
|
? |
SM5122 |
BRACKET |
1 |
|
|
|
|
? |
MM0373 |
NUT - M5 X 0.80 |
1 |
|
|
|
|
? |
MM0206 |
LOCKWASHER - M5 |
1 |
|
|
|
|
? |
MM0207 |
LOCKWASHER - M6 |
18 |
|
|
|
|
? |
MM0176 |
NUT - M6 X 1.00 |
18 |
|
|
|
|
? |
PB4767 |
RELAY |
1 |
|
|
|
|
? |
SM2682 |
SCREW, COUNTER-SUNK |
3 |
|
|
|
|
? |
PB9051 |
FITTING, SINGLE BARB W/FILTER |
2 |
|
|
|
|
? |
PB9050 |
HOSE, VACUUM |
2 |
|
|
|
|
? |
PC0257 |
MODULE, DIMMER CONTROL |
1 |
|
|
|
|
? |
WA3367 |
NUT ASSEMBLY |
10 |
|
|
|
|
? |
SM5201 |
SPEAKER ASSEMBLY |
2 |
|
|
|
|
? |
SM5176 |
• SPEAKER |
1 |
|
|
|
|
? |
EF9758 |
• HARNESS |
1 |
|
|
|
|
? |
TA0602 |
FITTING, NYLON |
2 |
|
|
|
|
? |
TA0603 |
FITTING, NYLON |
2 |
|
|
|
|
? |
TM4777 |
TUBE, NYLON |
2 |
|
|
|
|
? |
VZ4843 |
TYRAP |
4 |
|
|
|
|
? |
PB8658 |
SCREW - M6 X 1.00 X 30 |
12 |
|
|
|
|
? |
SM2055 |
PLATE |
1 |
|
|
|
|
? |
EL3810 |
SHEET, BENT |
1 |
|
|
|
|
? |
PB5957 |
KNOB |
1 |
|
|
|
|
? |
ED2863 |
POTENTIOMETER |
1 |
|
|
|
|
? |
EJ6463 |
HARNESS, OVERHEAD DASH |
1 |
|
|
|
|
? |
|
NOTE: (1) NOT SOLD AS AN ASSEMBLY. |
|
|
|
|
|
? |
|
ORDER INDIVIDUAL COMPONENT PARTS. |
|
|
|
|