| Номер на схеме | Каталожный номер | Название | Количество | Детали | |||
|---|---|---|---|---|---|---|---|
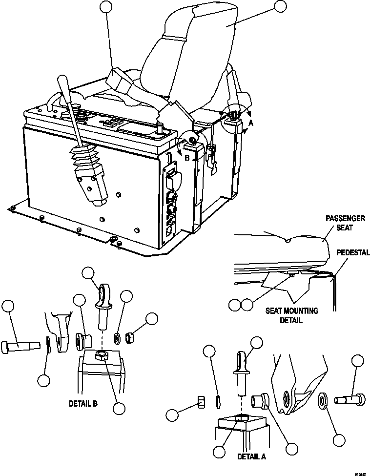
| ? | PB7239 | BELT, SEAT | 1 | ||||
| ? | PB8517 | SEAT, PASSENGER | 1 | ||||
| ? | TR3782 | CAPSCREW - 5/16" - 18NC X 1 1/4" | 4 | ||||
| ? | SC4174 | LOCKWASHER - 5/16" | 4 | ||||
| ? | PB9772 | EYE BOLT | 2 | ||||
| ? | WB1026 | BOLT, SHOULDER - 3/8" - 16NC X 5/8" | 1 | ||||
| ? | WA0360 | FLAT WASHER - 1/2" | 1 | ||||
| ? | EF7312 | BUSHING, SHOULDER - RH | 1 | ||||
| ? | TG3941 | JAM NUT - 7/16" - 20NF | 2 | ||||
| ? | WA0720 | FLAT WASHER - 3/8" | 2 | ||||
| ? | C1521 | NUT - 3/8" - 16NC | 1 | ||||
| ? | EF7313 | BUSHING, SHOULDER - LH | 1 | ||||
| ? | 25552R1 | FLAT WASHER - 5/16" | 1 | ||||
| ? | C1520 | NUT - 5/16" - 18NC | 1 | ||||
| ? | WB1025 | BOLT, SHOULDER - 5/16" - 18NC X 1/2" | 1 |