k-part
Номер на схеме Каталожный номер Название Количество Детали
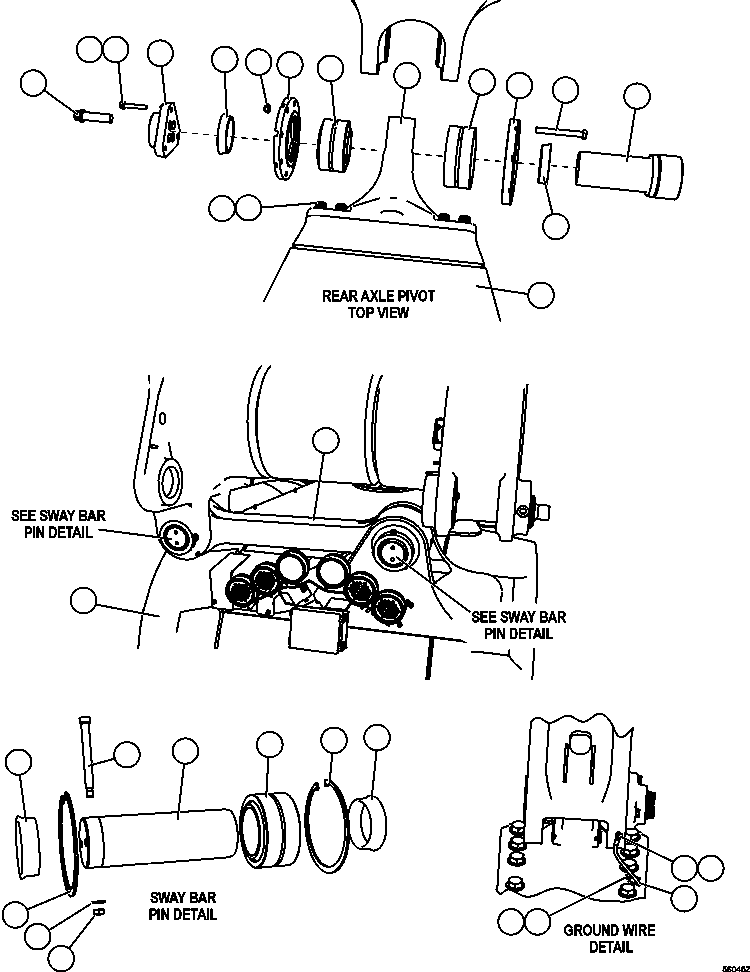
? EM3176 HOUSING, AXLE 1
? VN9106 CAPSCREW - 1 1/4" - 7NC X 3" 20
? EM5354 PIVOT EYE ASSEMBLY 1
? EM5351 • EYE, PIVOT 1
? ED4355 • BUSHING 1
? PB9622 • BEARING, SPHERICAL (1) 1
? WA0366 FLAT WASHER - 1 1/4" 20
? EG1348 PLATE, LOCK (1) 1
? TZ2813 SPACER (1) 2
? EG1347 PIN, PIVOT (1) 1
? VN9189 CAPSCREW - 3/4" - 10NC X 6 1/2" (1) 8
? VL2993 LOCKNUT - 3/4" - 10NC (1) 8
? ED4353 RETAINER 1
? ED4354 RETAINER 1
? C1633 CAPSCREW - 5/8" - 11NC X 2 3/4" (1) 3
? C1541 LOCKWASHER - 5/8" (1) 3
? WB1059 CAPSCREW - 1 1/4" - 7NC X 4 1/2" (1) 4
? EM5352 WIRE, GROUND 1
? MM0603 CAPSCREW - M10 X 1.50 X 16 1
? MM0471 LOCKWASHER - M10 2
? MM0178 NUT - M10 X 1.50 1
? EM8115 SHOULDER BOLT - 5/8" - 11NC X 7.41" (RH SWAY BAR END) (2) 1
? EM8121 SHOULDER BOLT - 5/8" - 11NC X 7 7/8" (LH SWAY BAR END) (2) 1
? VN9952 LOCKNUT - 5/8" - 11NC (2) 2
? VN9350 RING, SNAP (2) 2
? PC0829 BEARING, SPHERICAL (2) 2
? EC4160 SPACER (2) 4
? EC1737 BAR, SWAY 1
? EK1327 PIN (2) 2
? WA0361 FLAT WASHER - 5/8" (2) 2
? AK9175 NOTE: (1) INCLUDED IN AK9175 PIN KIT.
? AK5653 (2) INCLUDED IN AK5653 REAR SUSPENSION PIN KIT.

Dump Trucks Komatsu / AFE47-GP 730E S/N A30628 - A30629 & A30632   KUMBA KOLOMELA(AFE47-GP) / REAR AXLE INSTALLATION(104 : 56045)
?
?
?
?
?
?
?
?
?
?
?
?
?
?
?
?
?
?
?
?
?
?
?
?
?
?
?
?
?
?
?
?
?