k-part
Номер на схеме Каталожный номер Название Количество Детали
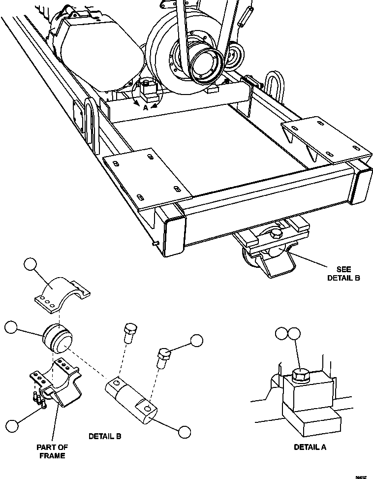
? TD8516 CAPSCREW - 3/4" - 10NC X 3 1/4" 2
? C1542 LOCKWASHER - 3/4" 2
? TM1312 PIN, PIVOT 1
? E1473 CAPSCREW - 1 1/4" - 7NC X 2 1/2" 2
? VM6531 CAP, MOUNT 1
? XB1001 BUSHING, RUBBER 1
? E4477 CAPSCREW - 3/4" - 10NC X 1 11/32" 6

Dump Trucks Komatsu / AFE47-GP 730E S/N A30628 - A30629 & A30632   KUMBA KOLOMELA(AFE47-GP) / ENGINE/SUB-FRAME FRONT MOUNTS(072 : 56029)
?
?
?
?
?
?
?