k-part
Наименование Страница Код страницы
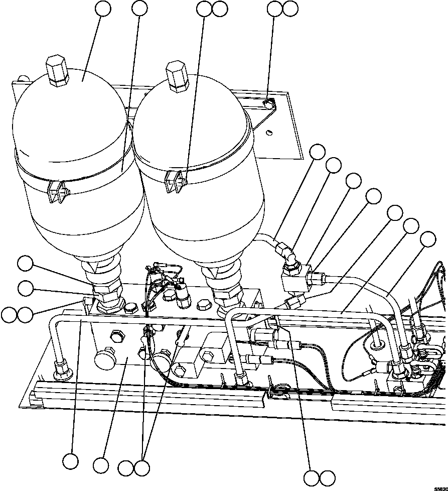
ACCUMULATOR ASSEMBLY (2.5 GAL) PB7058 468 40016
BRAKE MANIFOLD - TWO CIRCUIT PC0080 470 55346

Номер на схеме Каталожный номер Название Количество Детали
? PB7058 ACCUMULATOR - 2.5 GAL (SEE INDEX) 2 40016
? TY8075 BRACKET, MOUNTING 2
? C1605 CAPSCREW - 3/8" - 16NC X 1 3/4" 2
? TG9225 LOCKNUT - 3/8" - 16NC 2
? MM0047 CAPSCREW - M10 X 1.50 X 30 8
? MM0461 FLAT WASHER - M10 8
? EF8197 TUBE 1
? WB0508 FITTING, 90 DEGREE ELBOW 2
? PB6803 VALVE, SHUTTLE 1
? VE2959 • O-RING 2
? WB0584 FITTING, STRAIGHT 1
? EF8002 TUBE 1
? EF8198 TUBE 1
? PB6528 COUPLING, DIAGNOSTIC 4
? PB6041 CAP, DUST 4
? PC0080 MANIFOLD, BRAKE (SEE INDEX) 1 55346
? TY9260 TUBE 1
? WA4796 FITTING, STRAIGHT 2
? WB0602 FITTING, STRAIGHT 2

Dump Trucks Komatsu / AFE47-GP 730E S/N A30628 - A30629 & A30632   KUMBA KOLOMELA(AFE47-GP) / BRAKE CABINET ASSEMBLY    3/5(460 : 55820)
?
?
?
?
?
?
?
?
?
?
?
?
?
?
?
?
?
?
?
?
?
?
?