| Номер на схеме | Каталожный номер | Название | Количество | Детали | |||
|---|---|---|---|---|---|---|---|
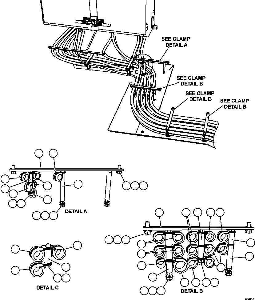
| ? | XB3671 | BRACKET | 1 | ||||
| ? | WB3092 | CLAMP, CUSHION - 7/8" | 42 | ||||
| ? | XB3666 | SPACER | 2 | ||||
| ? | MM0605 | CAPSCREW - M10 X 1.50 X 25 | 8 | ||||
| ? | MM0471 | LOCKWASHER - M10 | 4 | ||||
| ? | MM0461 | FLAT WASHER - M10 | 18 | ||||
| ? | MM0693 | LOCKNUT - M10 X 1.50 | 2 | ||||
| ? | MM0178 | NUT - M10 X 1.50 | 4 | ||||
| ? | TY8375 | SPACER | 21 | ||||
| ? | MM0610 | CAPSCREW - M10 X 1.50 X 50 | 1 | ||||
| ? | XB3669 | BRACKET | 3 | ||||
| ? | WB1303 | CLAMP, CUSHION - 3/4" | 3 | ||||
| ? | XB3665 | SPACER | 3 | ||||
| ? | WB3096 | CLAMP, CUSHION - 1 1/4" | 3 | ||||
| ? | WB1300 | CLAMP, CUSHION - 5/8" | 3 | ||||
| ? | 01584-01008 | NUT, FLANGED | 8 |