k-part
Номер на схеме Каталожный номер Название Количество Детали
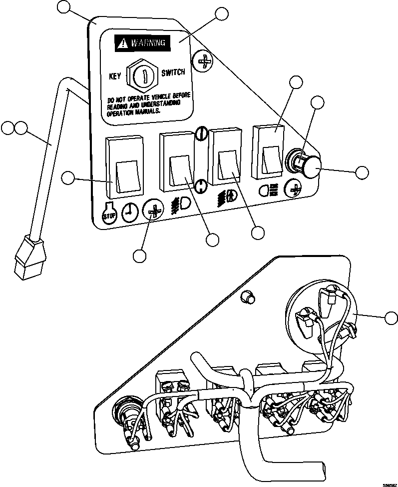
? SM4356 PLATE, MOUNTING 1
? WB3227 OVERLAY, LEXAN (SPANISH) 1
? PB6972 SWITCH, ROCKER (FOG, LADDER, BACKUP LIGHTS) 3
? PB7019 LIGHT, INDICATOR 1
? SM0926 SCREW, PANEL - M6 X 1.00 3
? PB9752 SWITCH, ROCKER (ENGINE SHUTDOWN) 1
? VM7105 SWITCH, KEY 1
? VL6234 BULB 1
? EG8948 HARNESS, LOWER RH DASH 1
? VH5017 TYRAP 5
? (NOT SERVICED AS AN ASSEMBLY.
? ORDER INDIVIDUAL COMPONENT PARTS.)

Dump Trucks Komatsu / AFE47-GD 730E S/N A30585-A30588, A30592-A30593, A30597-A30599     BAYOVAR(AFE47-GD) / LOWER RH DASH MODULE (SM5296)(180 : 55658)
?
?
?
?
?
?
?
?
?
?
?
?