k-part
Наименование Страница Код страницы
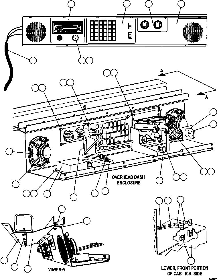
AIR CLEANER RESTRICTION GAUGE (EL1086) 172 55669
RADIO MODULE 166 55869
WARNING LIGHTS MODULE (EM5388) 170 55974

Номер на схеме Каталожный номер Название Количество Детали
? EM5388 WARNING LIGHTS MODULE (SEE INDEX) (1) 1 55974
? EL1086 AIR CLEANER RESTRICTION GAUGE MODULE (SEE INDEX) (1) 1 55669
? EK4227 DASH, OVERHEAD 1
? PB9056 FITTING, COMPRESSION - FEMALE 2
? PC0251 SONALARM, SIGNAL 1
? SM5122 BRACKET 1
? MM0373 NUT - M5 X 0.80 1
? MM0206 LOCKWASHER - M5 1
? MM0207 LOCKWASHER - M6 18
? MM0176 NUT - M6 X 1.00 18
? PB4767 RELAY 1
? SM2682 SCREW, COUNTER-SUNK 3
? PB9051 FITTING, SINGLE BARB W/FILTER 2
? PB9050 HOSE, VACUUM 2
? PC0257 MODULE, DIMMER CONTROL 1
? WA3367 NUT ASSEMBLY 10
? SM5201 SPEAKER ASSEMBLY 2
? SM5176 • SPEAKER 1
? EF9758 • HARNESS 1
? TA0602 FITTING, NYLON 2
? TA0603 FITTING, NYLON 2
? TM4777 TUBE, NYLON 2
? VZ4843 TYRAP 4
? PB8658 SCREW, PAN - M6 X 1.00 X 30 12
? SM2055 PLATE 1
? EL3810 SHEET, BENT 1
? PB5957 KNOB 1
? ED2863 POTENTIOMETER 1
? EJ6463 HARNESS, OVERHEAD DASH 1
? NOTE: (1) NOT SOLD AS AN ASSEMBLY.
? ORDER INDIVIDUAL COMPONENT PARTS.

Dump Trucks Komatsu / AFE47-GD 730E S/N A30585-A30588, A30592-A30593, A30597-A30599     BAYOVAR(AFE47-GD) / OVERHEAD DASH MODULE(164 : 56015)
?
?
?
?
?
?
?
?
?
?
?
?
?
?
?
?
?
?
?
?
?
?
?
?
?
?
?
?
?
?
?
?
?
?
?
?
?