k-part
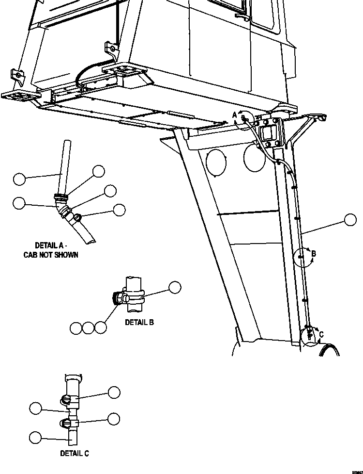
Номер на схеме Каталожный номер Название Количество Детали
? WB3093 CLAMP, CUSHION - 1" 7
? MM0471 LOCKWASHER - M10 7
? TH7023 NIPPLE - 1/2" NPT X 7" 1
? MM0178 NUT - M10 X 1.50 7
? MM0461 FLAT WASHER - M10 7
? HC0908 CLAMP, WORM DRIVE - #10 3
? KC3835 FITTING 1
? R5011 FITTING 1
? SM6022 VALVE, VACUUM 1
? SM6023 TUBE 1
? HK0425 HOSE 1
? SL6447 GROMMET 1

Dump Trucks Komatsu / AFE47-GD 730E S/N A30585-A30588, A30592-A30593, A30597-A30599     BAYOVAR(AFE47-GD) / A/C DRAIN HOSE INSTALLATION(238 : 55899)
?
?
?
?
?
?
?
?
?
?
?
?
?
?