| Номер на схеме | Каталожный номер | Название | Количество | Детали | |||
|---|---|---|---|---|---|---|---|
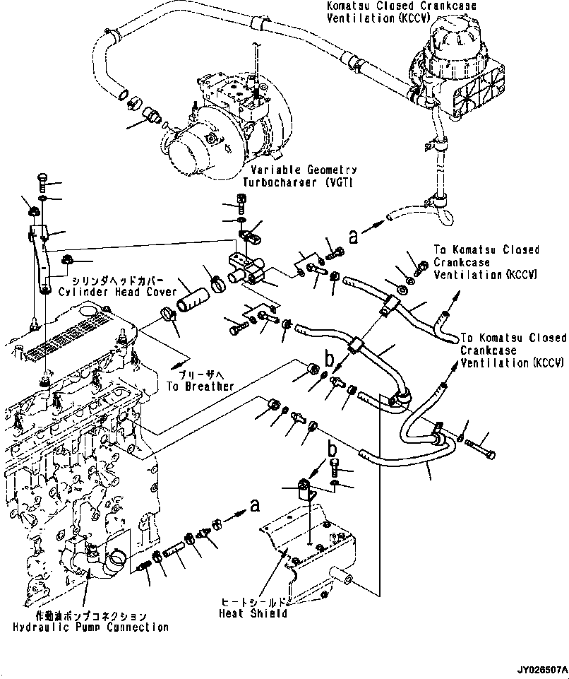
| ? | 6746-21-7171 | CONNECTOR | 1 | ||||
| ? | 6731-61-2230 | COUPLING | 1 | ||||
| ? | 6746-21-7180 | HOSE | 1 | ||||
| ? | 6261-51-2810 | VALVE, CHECK | 1 | ||||
| ? | 07281-00197 | CLAMP | 2 | ||||
| ? | 6746-21-7570 | HOSE | 1 | ||||
| ? | 6746-21-7150 | CLAMP | 1 | ||||
| ? | 07281-00419 | CLAMP, HOSE | 1 | ||||
| ? | 6746-21-7510 | JOINT | 1 | ||||
| ? | 07005-01212 | SEAL, WASHER | 1 | ||||
| ? | 2A7-01-11481 | HOSE | 1 | ||||
| ? | 11Y-09-11140 | CLIP | 1 | ||||
| ? | 6746-21-7530 | HOSE | 1 | ||||
| ? | 01643-31232 | WASHER | 1 | ||||
| ? | 11Y-09-11140 | CLIP | 1 | ||||
| ? | 6136-71-5540 | TUBE | 1 | ||||
| ? | 07206-30812 | BOLT, JOINT | 1 | ||||
| ? | 07005-01212 | SEAL, WASHER | 2 | ||||
| ? | 6746-21-7550 | TUBE | 1 | ||||
| ? | 6746-21-7560 | BRACKET | 1 | ||||
| ? | 01584-00806 | NUT | 2 | ||||
| ? | 01010-80825 | BOLT | 1 | ||||
| ? | 01643-30823 | WASHER | 1 | ||||
| ? | 6136-71-5540 | TUBE | 1 | ||||
| ? | 07206-30812 | BOLT, JOINT | 1 | ||||
| ? | 07005-01212 | SEAL, WASHER | 2 | ||||
| ? | 11Y-09-11140 | CLIP | 1 | ||||
| ? | 2A7-01-11492 | HOSE | 1 | ||||
| ? | 01010-81225 | BOLT | 1 | ||||
| ? | 01643-31232 | WASHER | 1 | ||||
| ? | 6746-21-7590 | BRACKET | 1 | ||||
| ? | 01010-80820 | BOLT | 1 | ||||
| ? | 01643-30823 | WASHER | 1 | ||||
| ? | 01010-81280 | BOLT | 1 | ||||
| ? | 01643-31232 | WASHER | 1 | ||||
| ? | 11Y-09-11140 | CLIP | 1 | ||||
| ? | 6746-21-7510 | JOINT | 1 | ||||
| ? | 07005-01212 | SEAL, WASHER | 1 | ||||
| ? | 6252-11-2900 | SENSOR, PRESSURE | 1 | ||||
| ? | 6252-11-2800 | • O-RING | 1 | ||||
| ? | 600-331-1930 | BOLT | 1 | ||||
| ? | 01640-20508 | WASHER | 1 | ||||
| ? | 6745-61-8110 | UNION | 2 |