| Номер на схеме | Каталожный номер | Название | Количество | Детали | |||
|---|---|---|---|---|---|---|---|
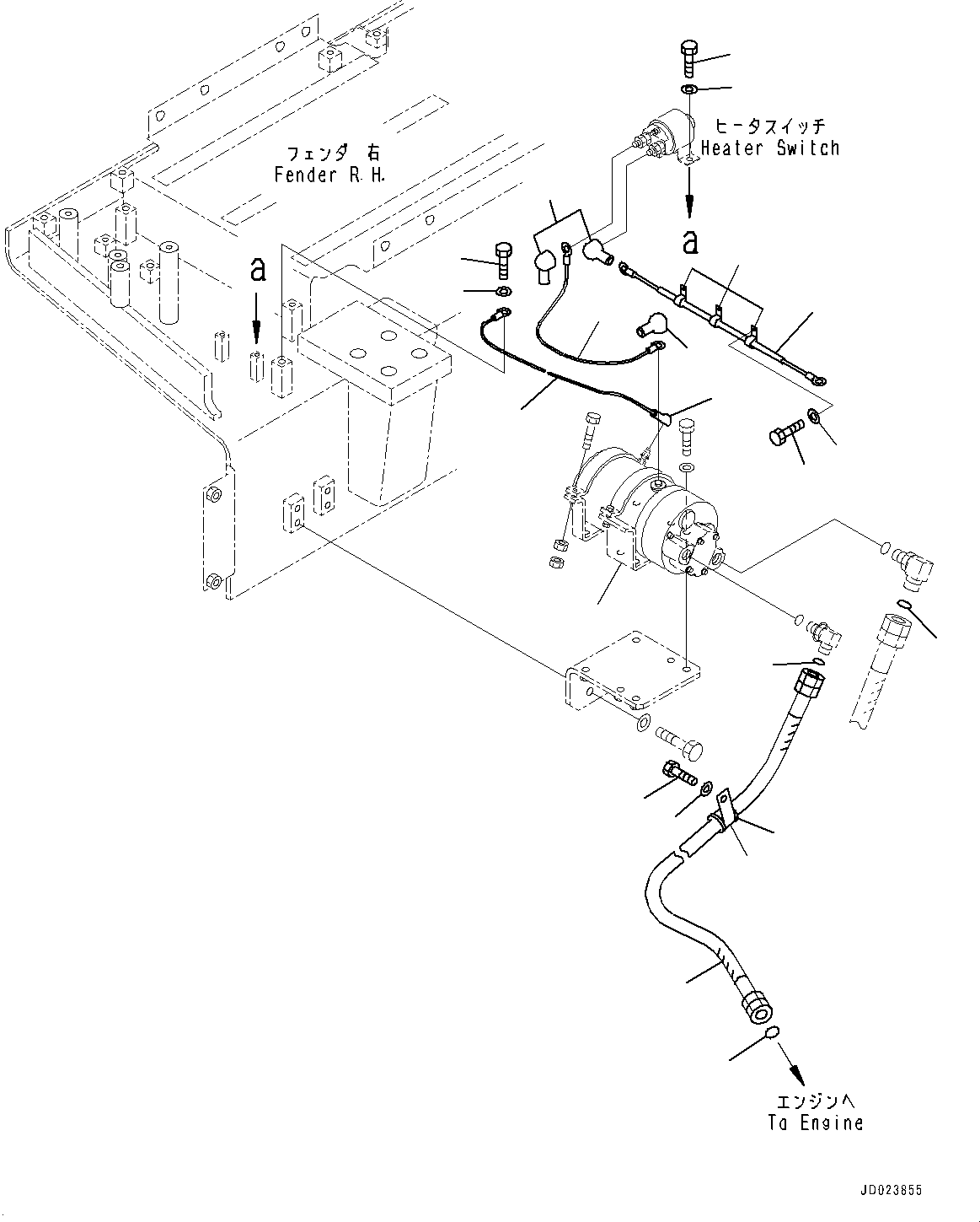
| ? | 600-815-7510 | Switch, Heater | 1 | SN: 30147- KIT-FLAG: _- SCC: SERIALNO: 30147- |
|||
| ? | 01010-80820 | Bolt | 2 | SN: 30147- KIT-FLAG: _- SCC: SERIALNO: 30147- |
|||
| ? | 01643-30823 | Washer | 2 | SN: 30147- KIT-FLAG: _- SCC: SERIALNO: 30147- |
|||
| ? | 08038-12027 | Cap, Terminal | 2 | SN: 30147- KIT-FLAG: _- SCC: SERIALNO: 30147- |
|||
| ? | 08038-10519 | Cap | 1 | SN: 30147- KIT-FLAG: _- SCC: SERIALNO: 30147- |
|||
| ? | 198-06-62960 | Wiring Harness | 1 | SN: 30147- KIT-FLAG: _- SCC: SERIALNO: 30147- |
|||
| ? | 01010-81220 | Bolt | 1 | SN: 30147- KIT-FLAG: _- SCC: SERIALNO: 30147- |
|||
| ? | 01643-31232 | Washer | 1 | SN: 30147- KIT-FLAG: _- SCC: SERIALNO: 30147- |
|||
| ? | 198-06-71360 | Wiring Harness | 1 | SN: 30147- KIT-FLAG: _- SCC: SERIALNO: 30147- |
|||
| ? | 08038-12027 | Cap, Terminal | 1 | SN: 30147- KIT-FLAG: _- SCC: SERIALNO: 30147- |
|||
| ? | 198-06-71351 | Wiring Harness | 1 | SN: 30147- KIT-FLAG: _- SCC: SERIALNO: 30147- |
|||
| ? | 01010-81220 | Bolt | 3 | SN: 30147- KIT-FLAG: _- SCC: SERIALNO: 30147- |
|||
| ? | 01643-31232 | Washer | 3 | SN: 30147- KIT-FLAG: _- SCC: SERIALNO: 30147- |
|||
| ? | 04434-51412 | Clip | 3 | SN: 30147- KIT-FLAG: _- SCC: SERIALNO: 30147- |
|||
| ? | 02763-004A4 | Hose | 1 | SN: 30147- KIT-FLAG: _- SCC: SERIALNO: 30147- |
|||
| ? | 02896-11012 | O-ring | 1 | SN: 30147- KIT-FLAG: _- SCC: SERIALNO: 30147- |
|||
| ? | 04434-52711 | Clip | 1 | SN: 30147- KIT-FLAG: _- SCC: SERIALNO: 30147- |
|||
| ? | 07095-20418 | Cushion | 1 | SN: 30147- KIT-FLAG: _- SCC: SERIALNO: 30147- |
|||
| ? | 01010-81020 | Bolt | 1 | SN: 30147- KIT-FLAG: _- SCC: SERIALNO: 30147- |
|||
| ? | 01643-31032 | Washer | 1 | SN: 30147- KIT-FLAG: _- SCC: SERIALNO: 30147- |
|||
| ? | 207-62-64740 | O-ring | 1 | SN: 30147- KIT-FLAG: _- SCC: SERIALNO: 30147- |
|||
| ? | 02896-11012 | O-ring | 1 | SN: 30147- KIT-FLAG: _- SCC: SERIALNO: 30147- |
|||
| ? | (600-815-9510) | Pump Assembly | SN: - KIT-FLAG: _- SCC: SERIALNO: |
M2210-001037 |