k-part
Номер на схеме Каталожный номер Название Количество Детали
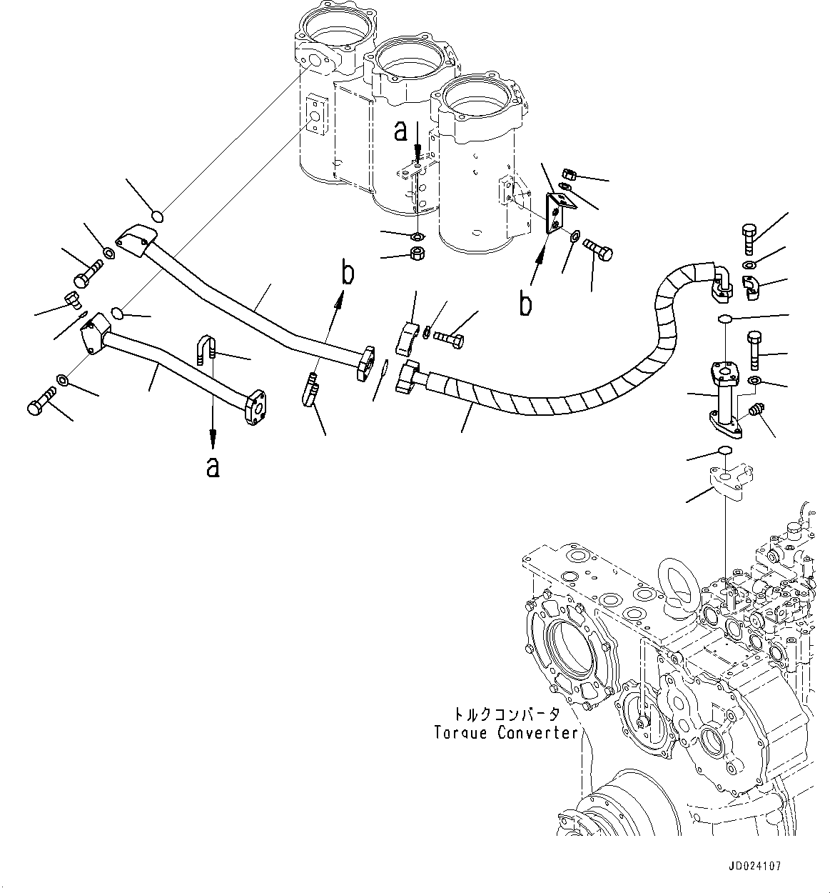
? 198-22-60002 Power Train Assembly 1
SN: 30147-
KIT-FLAG: _-
SCC:
SERIALNO: 30147-
? 198-49-62112 • Case Assembly 1
SN: 30147-
KIT-FLAG: _-
SCC:
SERIALNO: 30147-
? 198-49-62171 • Valve Assembly 2
SN: 30147-
KIT-FLAG: _-
SCC:
SERIALNO: 30147-
? 195-60-16330 • Spring 2
SN: 30147-
KIT-FLAG: _-
SCC:
SERIALNO: 30147-
? 07063-51142 • Element, Oil Filter 2
SN: 30147-
KIT-FLAG: _-
SCC:
SERIALNO: 30147-
? 198-49-62161 • Cap 2
SN: 30147-
KIT-FLAG: _-
SCC:
SERIALNO: 30147-
? 07040-11007 • Plug 2
SN: 30147-
KIT-FLAG: _-
SCC:
SERIALNO: 30147-
? 07002-21023 • O-ring 2
SN: 30147-
KIT-FLAG: _-
SCC:
SERIALNO: 30147-
? 07000-E5165 • O-ring 2
SN: 30147-
KIT-FLAG: _-
SCC:
SERIALNO: 30147-
? 01010-81640 • Bolt 8
SN: 30147-
KIT-FLAG: _-
SCC:
SERIALNO: 30147-
? 01643-31645 • Washer 8
SN: 30147-
KIT-FLAG: _-
SCC:
SERIALNO: 30147-
? 07040-12412 • Plug 2
SN: 30147-
KIT-FLAG: _-
SCC:
SERIALNO: 30147-
? 07002-32434 • O-ring 2
SN: 30147-
KIT-FLAG: _-
SCC:
SERIALNO: 30147-
? 07000-E3048 • O-ring 1
SN: 30147-
KIT-FLAG: _-
SCC:
SERIALNO: 30147-
? 01010-81235 • Bolt 2
SN: 30147-
KIT-FLAG: _-
SCC:
SERIALNO: 30147-
? 01643-31232 • Washer 2
SN: 30147-
KIT-FLAG: _-
SCC:
SERIALNO: 30147-
? 07000-E2095 • O-ring 1
SN: 30147-
KIT-FLAG: _-
SCC:
SERIALNO: 30147-
? 01010-81235 • Bolt 4
SN: 30147-
KIT-FLAG: _-
SCC:
SERIALNO: 30147-
? 01643-31232 • Washer 4
SN: 30147-
KIT-FLAG: _-
SCC:
SERIALNO: 30147-
? (198-49-62192) Elbow
SN: -
KIT-FLAG: _-
SCC:
SERIALNO:
F2300-001037

Bulldozers Komatsu / D475ASD-5E0 S/N 30147-UP(0000435c) / Power Train, Filter (2/2) (#30147-)(F002040 : F2300-001040)
?
?
?
?
?
?
?
?
?
?
?
?
?
?
?
?
?
?
?
?
?
?
?
?
?
?
?
?
?
?