| Номер на схеме | Каталожный номер | Название | Количество | Детали | |||
|---|---|---|---|---|---|---|---|
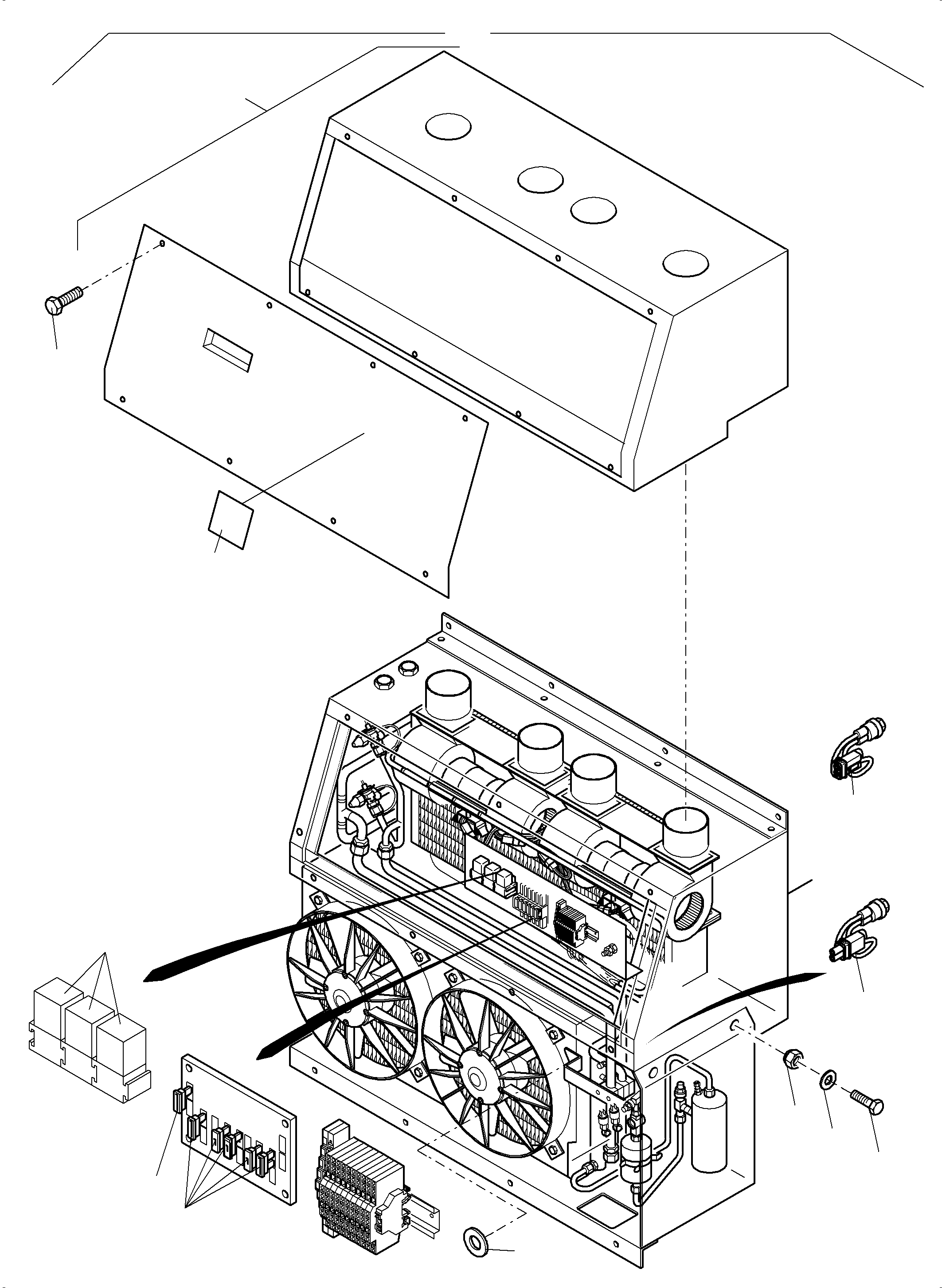
| ? | 971 734 40 | Air conditioning unit Diesel-shovel | 1 | EnglischBem: DeutschBem: DeutschDesc: Klimagerдt Diesel-shovel InternBDB: InternKon: SerienBem: Zwhead_Deu: Zwhead_Eng: |
|||
| ? | 971 733 40 | Air conditioning unit Electro-shovel | 1 | EnglischBem: DeutschBem: DeutschDesc: Klimagerдt Electro-shovel InternBDB: InternKon: SerienBem: Zwhead_Deu: Zwhead_Eng: |
|||
| ? | Evaporator unit | 1 | EnglischBem: DeutschBem: DeutschDesc: Verdampfereinheit InternBDB: InternKon: SerienBem: Zwhead_Deu: Zwhead_Eng: |
||||
| ? | Evaporator base | 1 | EnglischBem: DeutschBem: DeutschDesc: Verdampferbasis InternBDB: InternKon: SerienBem: Zwhead_Deu: Zwhead_Eng: |
||||
| ? | Insulation assy. | 1 | EnglischBem: DeutschBem: DeutschDesc: Isolierung kpl. InternBDB: InternKon: SerienBem: Zwhead_Deu: Zwhead_Eng: |
||||
| ? | Ventilator Radial assy., incl. Pos. 34 | 1 | EnglischBem: DeutschBem: DeutschDesc: Ventilator Radial kpl., inkl. Pos. 34 InternBDB: InternKon: SerienBem: Zwhead_Deu: Zwhead_Eng: |
||||
| ? | Pipe kit | 1 | EnglischBem: DeutschBem: DeutschDesc: Leitungen Set InternBDB: InternKon: SerienBem: Zwhead_Deu: Zwhead_Eng: |
||||
| ? | Condenser unit | 1 | EnglischBem: DeutschBem: DeutschDesc: Kondensatoreinheit InternBDB: InternKon: SerienBem: Zwhead_Deu: Zwhead_Eng: |
||||
| ? | 797 805 73 | Seal 7/16" | 6 | EnglischBem: DeutschBem: DeutschDesc: Dichtung 7/16" InternBDB: InternKon: SerienBem: Zwhead_Deu: Zwhead_Eng: |
|||
| ? | 797 807 73 | Pressure Switch | 1 | EnglischBem: DeutschBem: DeutschDesc: Druckschalter InternBDB: InternKon: SerienBem: Zwhead_Deu: Zwhead_Eng: |
|||
| ? | 797 808 73 | Pressure Switch | 1 | EnglischBem: DeutschBem: DeutschDesc: Druckschalter InternBDB: InternKon: SerienBem: Zwhead_Deu: Zwhead_Eng: |
|||
| ? | Aggregate cabling | 1 | EnglischBem: DeutschBem: DeutschDesc: Aggregateverdratung InternBDB: InternKon: SerienBem: Zwhead_Deu: Zwhead_Eng: |
||||
| ? | 765 159 73 | Relay base | 3 | EnglischBem: DeutschBem: DeutschDesc: Relaissockel InternBDB: InternKon: SerienBem: Zwhead_Deu: Zwhead_Eng: |
|||
| ? | 795 829 73 | Relay 24V 20A | 3 | EnglischBem: DeutschBem: DeutschDesc: Relais 24V 20A InternBDB: InternKon: SerienBem: Zwhead_Deu: Zwhead_Eng: |
|||
| ? | 765 702 73 | Fuse 10A | 1 | EnglischBem: DeutschBem: DeutschDesc: Flachsicherung 10A InternBDB: InternKon: SerienBem: Zwhead_Deu: Zwhead_Eng: |
|||
| ? | 765 306 73 | Fuse 15A | 5 | EnglischBem: DeutschBem: DeutschDesc: Flachsicherung 15A InternBDB: InternKon: SerienBem: Zwhead_Deu: Zwhead_Eng: |
|||
| ? | Evaporator | 1 | EnglischBem: DeutschBem: DeutschDesc: Verdampfer InternBDB: InternKon: SerienBem: Zwhead_Deu: Zwhead_Eng: |
||||
| ? | 793 251 73 | Expansion valve | 2 | EnglischBem: DeutschBem: DeutschDesc: Expansionsventil InternBDB: InternKon: SerienBem: Zwhead_Deu: Zwhead_Eng: |
|||
| ? | 798 265 73 | Socket 7/8-3/4 | 2 | EnglischBem: DeutschBem: DeutschDesc: Aufschraubstutzen 7/8-3/4 InternBDB: InternKon: SerienBem: Zwhead_Deu: Zwhead_Eng: |
|||
| ? | 797 802 73 | Seal 3/4" | 7 | EnglischBem: DeutschBem: DeutschDesc: Dichtung 3/4" InternBDB: InternKon: SerienBem: Zwhead_Deu: Zwhead_Eng: |
|||
| ? | 793 253 73 | Pressure balance line | 2 | EnglischBem: DeutschBem: DeutschDesc: Druckausgleichsleitung InternBDB: InternKon: SerienBem: Zwhead_Deu: Zwhead_Eng: |
|||
| ? | 793 252 73 | Nozzle | 2 | EnglischBem: DeutschBem: DeutschDesc: Dьse InternBDB: InternKon: SerienBem: Zwhead_Deu: Zwhead_Eng: |
|||
| ? | 797 803 73 | Seal 5/8" | 2 | EnglischBem: DeutschBem: DeutschDesc: Dichtung 5/8" InternBDB: InternKon: SerienBem: Zwhead_Deu: Zwhead_Eng: |
|||
| ? | Bolt | 4 | EnglischBem: DeutschBem: DeutschDesc: Schraube InternBDB: InternKon: SerienBem: Zwhead_Deu: Zwhead_Eng: |
||||
| ? | 515 331 98 | Washer | 4 | EnglischBem: DeutschBem: DeutschDesc: Scheibe InternBDB: InternKon: SerienBem: Zwhead_Deu: Zwhead_Eng: |
|||
| ? | 320 068 99 | Nut | 4 | EnglischBem: DeutschBem: DeutschDesc: Mutter InternBDB: InternKon: SerienBem: Zwhead_Deu: Zwhead_Eng: |
|||
| ? | Washer | 1 | EnglischBem: DeutschBem: DeutschDesc: Scheibe InternBDB: InternKon: SerienBem: Zwhead_Deu: Zwhead_Eng: |
||||
| ? | Clamp | 2 | EnglischBem: DeutschBem: DeutschDesc: Schelle InternBDB: InternKon: SerienBem: Zwhead_Deu: Zwhead_Eng: |
||||
| ? | Cover plate | 2 | EnglischBem: DeutschBem: DeutschDesc: Deckplatte InternBDB: InternKon: SerienBem: Zwhead_Deu: Zwhead_Eng: |
||||
| ? | 343 643 99 | Lock washer | 2 | EnglischBem: DeutschBem: DeutschDesc: Zahnscheibe InternBDB: InternKon: SerienBem: Zwhead_Deu: Zwhead_Eng: |
|||
| ? | 510 506 98 | Bolt | 2 | EnglischBem: DeutschBem: DeutschDesc: Schraube InternBDB: InternKon: SerienBem: Zwhead_Deu: Zwhead_Eng: |
|||
| ? | Bolt | 11 | EnglischBem: DeutschBem: DeutschDesc: Schraube InternBDB: InternKon: SerienBem: Zwhead_Deu: Zwhead_Eng: |
||||
| ? | Sign | 1 | EnglischBem: DeutschBem: DeutschDesc: Schild InternBDB: InternKon: SerienBem: Zwhead_Deu: Zwhead_Eng: |
||||
| ? | 790 127 73 | Double-radial-blower, brushless | 2 | EnglischBem: DeutschBem: DeutschDesc: Doppel-Radial-Geblдse, bьrstenlos InternBDB: InternKon: SerienBem: Zwhead_Deu: Zwhead_Eng: |
|||
| ? | 795 828 73 | Liquid line, drier - T-distributor | 1 | EnglischBem: DeutschBem: DeutschDesc: Flьssigkeitsleitung Trockner - T-Verteiler InternBDB: InternKon: SerienBem: Zwhead_Deu: Zwhead_Eng: |
|||
| ? | 795 825 73 | Suction line, T-collector - compressor | 1 | EnglischBem: DeutschBem: DeutschDesc: Saugleitung, T-collector - Kompressor InternBDB: InternKon: SerienBem: Zwhead_Deu: Zwhead_Eng: |
|||
| ? | 795 827 73 | Liquid line, condenser - collector | 1 | EnglischBem: DeutschBem: DeutschDesc: Flьssigkeitsleitung, Kondensator - Sammler InternBDB: InternKon: SerienBem: Zwhead_Deu: Zwhead_Eng: |
|||
| ? | 795 826 73 | Liquid line, collector - drier | 1 | EnglischBem: DeutschBem: DeutschDesc: Flьssigkeitsleitung, Sammler - Trockner InternBDB: InternKon: SerienBem: Zwhead_Deu: Zwhead_Eng: |
|||
| ? | 797 645 73 | Liquid line, T-distributor-exp.Valves | 1 | EnglischBem: DeutschBem: DeutschDesc: Flьssigkeitsleitung, T-Verteiler-Exp.ventile InternBDB: InternKon: SerienBem: Zwhead_Deu: Zwhead_Eng: |
|||
| ? | Union Nut | 1 | EnglischBem: DeutschBem: DeutschDesc: Ьberwurfmutter InternBDB: InternKon: SerienBem: Zwhead_Deu: Zwhead_Eng: |
||||
| ? | Seal washer | 1 | EnglischBem: DeutschBem: DeutschDesc: Dichtscheibe InternBDB: InternKon: SerienBem: Zwhead_Deu: Zwhead_Eng: |
||||
| ? | 795 873 73 | Condenser | 1 | EnglischBem: DeutschBem: DeutschDesc: Kondensator InternBDB: InternKon: SerienBem: Zwhead_Deu: Zwhead_Eng: |
|||
| ? | 794 432 73 | Element drier | 1 | EnglischBem: DeutschBem: DeutschDesc: Filtertrockner InternBDB: InternKon: SerienBem: Zwhead_Deu: Zwhead_Eng: |
|||
| ? | 794 706 73 | Inspection glass | 1 | EnglischBem: DeutschBem: DeutschDesc: Schauglas InternBDB: InternKon: SerienBem: Zwhead_Deu: Zwhead_Eng: |
|||
| ? | 795 824 73 | Check valve | 1 | EnglischBem: DeutschBem: DeutschDesc: Absperrventil InternBDB: InternKon: SerienBem: Zwhead_Deu: Zwhead_Eng: |
|||
| ? | 794 433 73 | Collector bottle | 1 | EnglischBem: DeutschBem: DeutschDesc: Sammelflasche InternBDB: InternKon: SerienBem: Zwhead_Deu: Zwhead_Eng: |
|||
| ? | 796 581 73 | Pressure control valve 30bar | A/R | EnglischBem: DeutschBem: DeutschDesc: Ьberdruckventil 30bar InternBDB: InternKon: SerienBem: Zwhead_Deu: Zwhead_Eng: |
|||
| ? | 765 320 73 | Clamp | 1 | EnglischBem: DeutschBem: DeutschDesc: Schelle InternBDB: InternKon: SerienBem: Zwhead_Deu: Zwhead_Eng: |
|||
| ? | 797 804 73 | Seal 7/8" | 4 | EnglischBem: DeutschBem: DeutschDesc: Dichtung 7/8" InternBDB: InternKon: SerienBem: Zwhead_Deu: Zwhead_Eng: |
|||
| ? | 790 102 73 | Ventilator | 2 | EnglischBem: DeutschBem: DeutschDesc: Axialventilator InternBDB: InternKon: SerienBem: Zwhead_Deu: Zwhead_Eng: |
|||
| ? | 507 673 98 | Bolt | 8 | EnglischBem: DeutschBem: DeutschDesc: Schraube InternBDB: InternKon: SerienBem: Zwhead_Deu: Zwhead_Eng: |
|||
| ? | Lock washer | 8 | EnglischBem: DeutschBem: DeutschDesc: Sperrkantring InternBDB: InternKon: SerienBem: Zwhead_Deu: Zwhead_Eng: |
||||
| ? | Union Nut | 1 | EnglischBem: DeutschBem: DeutschDesc: Ьberwurfmutter InternBDB: InternKon: SerienBem: Zwhead_Deu: Zwhead_Eng: |
||||
| ? | 799 882 73 | Dichtsatz Air Conditioning assy. | 1 | EnglischBem: DeutschBem: DeutschDesc: Dichtsatz Klimagerдt kpl. InternBDB: InternKon: SerienBem: Zwhead_Deu: Zwhead_Eng: |