| Номер на схеме | Каталожный номер | Название | Количество | Детали | |||
|---|---|---|---|---|---|---|---|
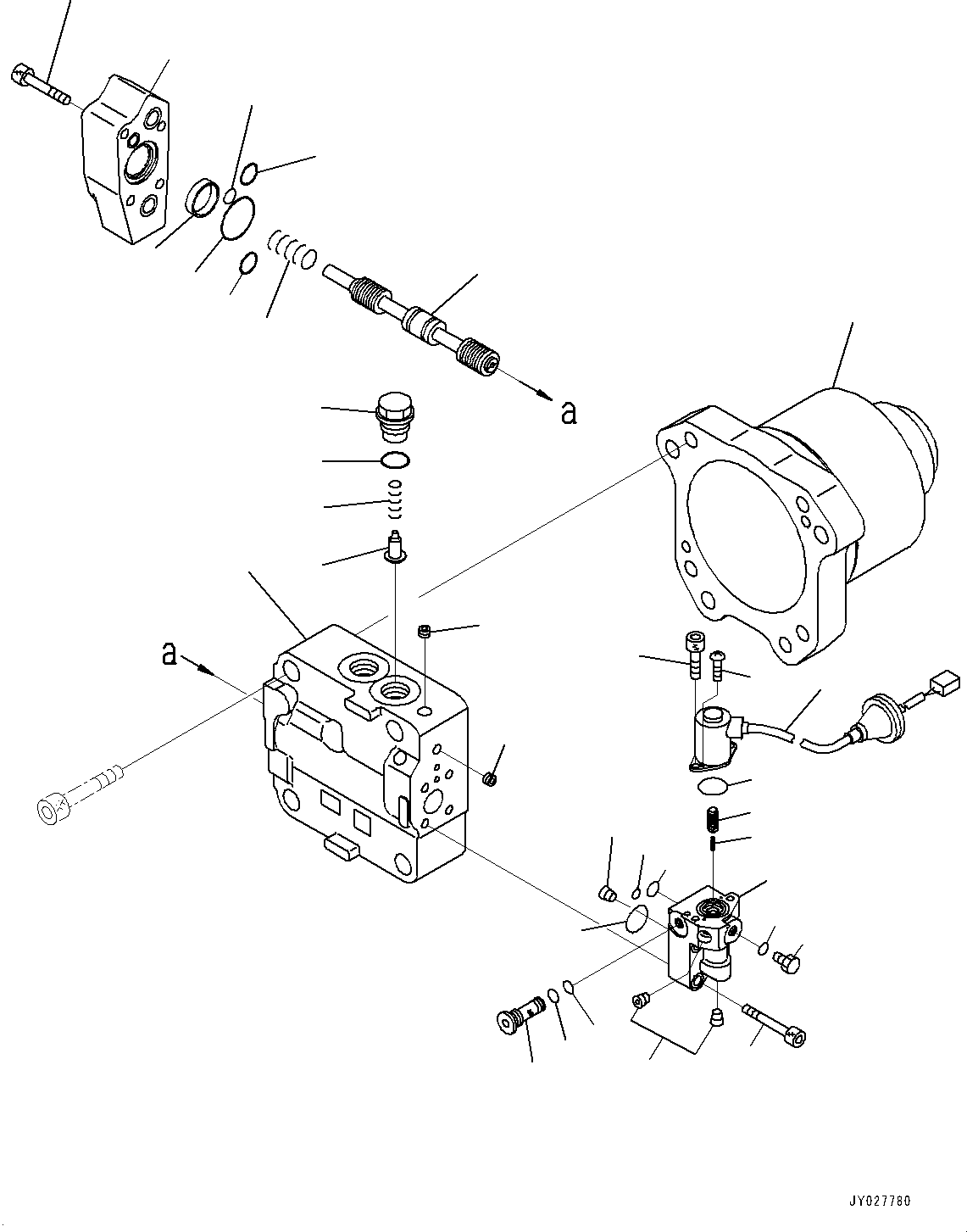
| ? | 708-7W-00130 | Motor Assembly | 1 | SN: 35201- KIT-FLAG: _- SCC: SERIALNO: 35201- |
|||
| ? | (708-7W-11180) | • Case | 1 | SN: 35201- KIT-FLAG: _- SCC: C2 SERIALNO: 35201- |
|||
| ? | (708-7W-01050) | • Cover Subassembly | 1 | SN: 35201- KIT-FLAG: _- SCC: C2 SERIALNO: 35201- |
|||
| ? | • • Cover, End | 1 | SN: 35201- KIT-FLAG: _- SCC: C1 SERIALNO: 35201- |
||||
| ? | • • Plug, Stocking | 3 | SN: 35201- KIT-FLAG: _- SCC: C1 SERIALNO: 35201- |
||||
| ? | 709-25-11650 | • Valve, Check | 1 | SN: 35201- KIT-FLAG: _- SCC: SERIALNO: 35201- |
|||
| ? | 709-25-11361 | • Spring | 1 | SN: 35201- KIT-FLAG: _- SCC: SERIALNO: 35201- |
|||
| ? | 708-7S-21610 | • Plug | 1 | SN: 35201- KIT-FLAG: _- SCC: SERIALNO: 35201- |
|||
| ? | 07002-22434 | • O-ring | 1 | SN: 35201- KIT-FLAG: _- SCC: SERIALNO: 35201- |
|||
| ? | • Spool | 1 | SN: 35201- KIT-FLAG: _- SCC: C1 SERIALNO: 35201- |
||||
| ? | (708-7W-18150) | • Spring | 1 | SN: 35201- KIT-FLAG: _- SCC: C2 SERIALNO: 35201- |
|||
| ? | (708-7W-18160) | • Spacer | 1 | SN: 35201- KIT-FLAG: _- SCC: C2 SERIALNO: 35201- |
|||
| ? | 708-7W-18170 | • Cover | 1 | SN: 35201- KIT-FLAG: _- SCC: SERIALNO: 35201- |
|||
| ? | 07000-F2016 | • O-ring | 2 | SN: 35201- KIT-FLAG: _- SCC: SERIALNO: 35201- |
|||
| ? | 07000-F2035 | • O-ring | 1 | SN: 35201- KIT-FLAG: _- SCC: SERIALNO: 35201- |
|||
| ? | 01252-60845 | • Bolt, Hexagon Socket Head | 4 | SN: 35201- KIT-FLAG: _- SCC: SERIALNO: 35201- |
|||
| ? | 07000-F2010 | • O-ring | 1 | SN: 35201- KIT-FLAG: _- SCC: SERIALNO: 35201- |
|||
| ? | 708-7W-01070 | • Valve Assembly, Pilot | 1 | SN: 35201- KIT-FLAG: _- SCC: SERIALNO: 35201- |
|||
| ? | 702-21-57230 | • • Solenoid | 1 | SN: 35201- KIT-FLAG: _- SCC: SERIALNO: 35201- |
|||
| ? | 702-21-55870 | • • O-ring | 1 | SN: 35201- KIT-FLAG: _- SCC: SERIALNO: 35201- |
|||
| ? | • • Case | 1 | SN: 35201- KIT-FLAG: _- SCC: C1 SERIALNO: 35201- |
||||
| ? | • • Spool | 1 | SN: 35201- KIT-FLAG: _- SCC: C1 SERIALNO: 35201- |
||||
| ? | • • Spring | 1 | SN: 35201- KIT-FLAG: _- SCC: C1 SERIALNO: 35201- |
||||
| ? | • • Plug, Stocking | 2 | SN: 35201- KIT-FLAG: _- SCC: C1 SERIALNO: 35201- |
||||
| ? | 01252-60612 | • • Bolt, Hexagon Socket Head | 2 | SN: 35201- KIT-FLAG: _- SCC: SERIALNO: 35201- |
|||
| ? | 708-7S-18360 | • • O-ring | 1 | SN: 35201- KIT-FLAG: _- SCC: SERIALNO: 35201- |
|||
| ? | 702-21-54180 | • • Screw | 2 | SN: 35201- KIT-FLAG: _- SCC: SERIALNO: 35201- |
|||
| ? | 07000-F1008 | • • O-ring | 1 | SN: 35201- KIT-FLAG: _- SCC: SERIALNO: 35201- |
|||
| ? | 708-7S-18230 | • • O-ring | 1 | SN: 35201- KIT-FLAG: _- SCC: SERIALNO: 35201- |
|||
| ? | 07040-11007 | • • Plug | 1 | SN: 35201- KIT-FLAG: _- SCC: SERIALNO: 35201- |
|||
| ? | 07002-21023 | • • O-ring | 1 | SN: 35201- KIT-FLAG: _- SCC: SERIALNO: 35201- |
|||
| ? | • • Orifice | 1 | SN: 35201- KIT-FLAG: _- SCC: C1 SERIALNO: 35201- |
||||
| ? | 708-7R-18230 | • • Filter | 1 | SN: 35201- KIT-FLAG: _- SCC: SERIALNO: 35201- |
|||
| ? | 07002-21423 | • • O-ring | 1 | SN: 35201- KIT-FLAG: _- SCC: SERIALNO: 35201- |
|||
| ? | 07000-F1009 | • • O-ring | 1 | SN: 35201- KIT-FLAG: _- SCC: SERIALNO: 35201- |
|||
| ? | 01252-60835 | • Bolt, Hexagon Socket Head | 4 | SN: 35201- KIT-FLAG: _- SCC: SERIALNO: 35201- |