| Наименование | Страница | Код страницы |
|---|---|---|
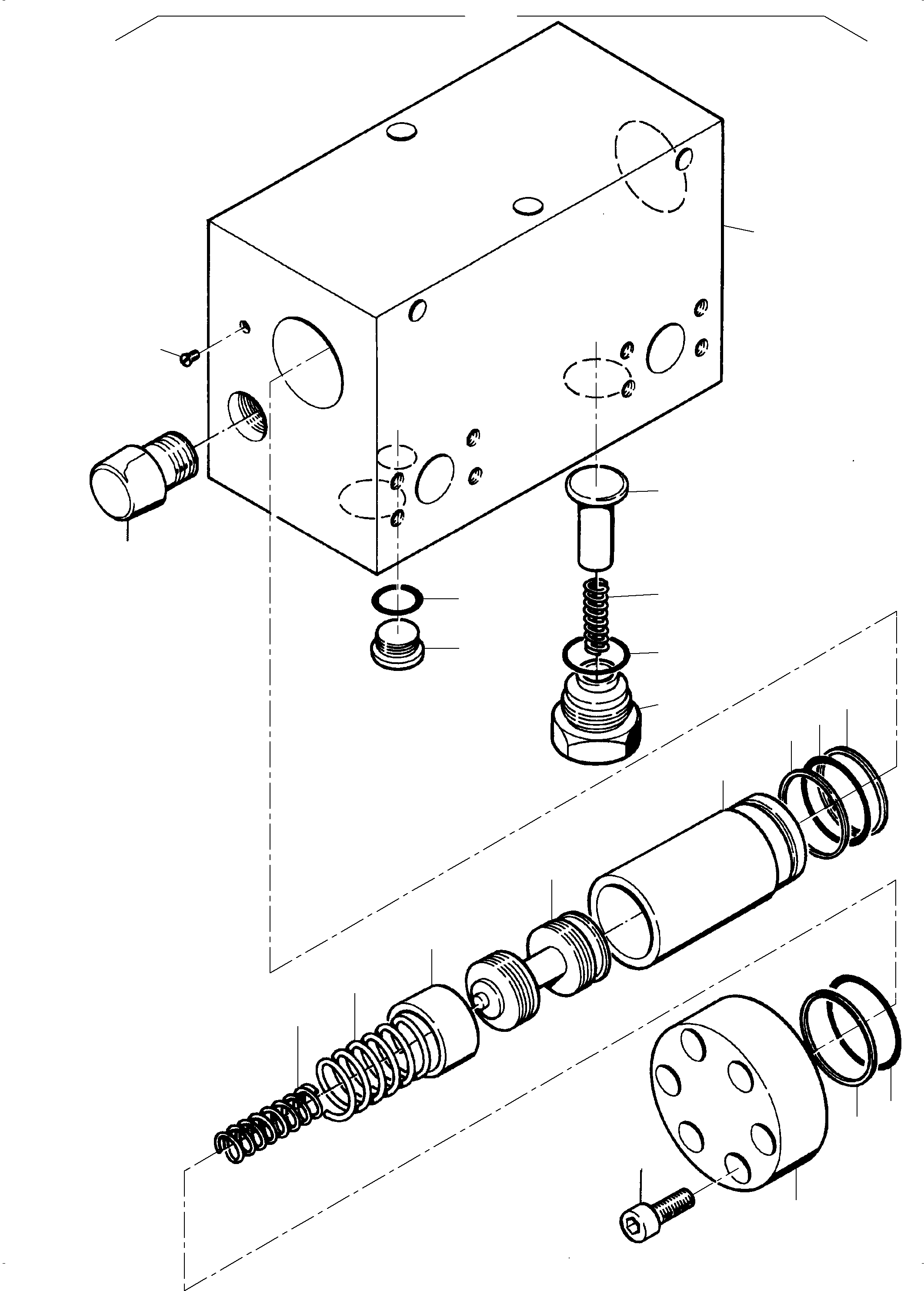
| Pressure Relief Valve | 991-1446a | 991-1446a |
| Номер на схеме | Каталожный номер | Название | Количество | Детали | |||
|---|---|---|---|---|---|---|---|
| ? | 358 617 40 | Brake valve assy. 310 bar | 1 | EnglischBem: DeutschBem: DeutschDesc: Bremsventil, kpl. 310 bar InternBDB: InternKon: SerienBem: Zwhead_Deu: Zwhead_Eng: |
|||
| ? | 754 587 00 | Safety plug | 6 | EnglischBem: DeutschBem: DeutschDesc: AbreiЯstopfen InternBDB: InternKon: SerienBem: Zwhead_Deu: Zwhead_Eng: |
|||
| ? | 519 252 98 | Plug | 2 | EnglischBem: DeutschBem: DeutschDesc: Verschlusschraube InternBDB: InternKon: SerienBem: Zwhead_Deu: Zwhead_Eng: |
|||
| ? | 501 275 98 | O-ring | 2 | EnglischBem: DeutschBem: DeutschDesc: O-Ring InternBDB: InternKon: SerienBem: Zwhead_Deu: Zwhead_Eng: |
|||
| ? | 255 011 40 | Valve Disc | 2 | EnglischBem: DeutschBem: DeutschDesc: Ventilteller InternBDB: InternKon: SerienBem: Zwhead_Deu: Zwhead_Eng: |
|||
| ? | 754 591 00 | Plug | 2 | EnglischBem: DeutschBem: DeutschDesc: Verschlusschraube InternBDB: InternKon: SerienBem: Zwhead_Deu: Zwhead_Eng: |
|||
| ? | 519 255 98 | O-ring | 2 | EnglischBem: DeutschBem: DeutschDesc: O-Ring InternBDB: InternKon: SerienBem: Zwhead_Deu: Zwhead_Eng: |
|||
| ? | Piston | 2 | EnglischBem: DeutschBem: DeutschDesc: Kolben InternBDB: InternKon: SerienBem: Zwhead_Deu: Zwhead_Eng: |
||||
| ? | Bush | 2 | EnglischBem: DeutschBem: DeutschDesc: Buchse InternBDB: InternKon: SerienBem: Zwhead_Deu: Zwhead_Eng: |
||||
| ? | 754 588 00 | Distance piece | 2 | EnglischBem: DeutschBem: DeutschDesc: Distanzstьck InternBDB: InternKon: SerienBem: Zwhead_Deu: Zwhead_Eng: |
|||
| ? | 912 829 00 | O-ring | 2 | EnglischBem: DeutschBem: DeutschDesc: O-Ring InternBDB: InternKon: SerienBem: Zwhead_Deu: Zwhead_Eng: |
|||
| ? | 997 791 00 | Support ring | 4 | EnglischBem: DeutschBem: DeutschDesc: Stьtzring InternBDB: InternKon: SerienBem: Zwhead_Deu: Zwhead_Eng: |
|||
| ? | 994 838 00 | Spring | 2 | EnglischBem: DeutschBem: DeutschDesc: Druckfeder InternBDB: InternKon: SerienBem: Zwhead_Deu: Zwhead_Eng: |
|||
| ? | 994 837 00 | Spring | 2 | EnglischBem: DeutschBem: DeutschDesc: Druckfeder InternBDB: InternKon: SerienBem: Zwhead_Deu: Zwhead_Eng: |
|||
| ? | 101 537 64 | O-ring | 2 | EnglischBem: DeutschBem: DeutschDesc: O-Ring InternBDB: InternKon: SerienBem: Zwhead_Deu: Zwhead_Eng: |
|||
| ? | 997 792 00 | Support ring | 2 | EnglischBem: DeutschBem: DeutschDesc: Stьtzring InternBDB: InternKon: SerienBem: Zwhead_Deu: Zwhead_Eng: |
|||
| ? | 694 134 00 | Cover | 2 | EnglischBem: DeutschBem: DeutschDesc: Deckel InternBDB: InternKon: SerienBem: Zwhead_Deu: Zwhead_Eng: |
|||
| ? | 509 814 98 | Bolt | 12 | EnglischBem: DeutschBem: DeutschDesc: Schraube InternBDB: InternKon: SerienBem: Zwhead_Deu: Zwhead_Eng: |
|||
| ? | 255 012 40 | Spring | 2 | EnglischBem: DeutschBem: DeutschDesc: Druckfeder InternBDB: InternKon: SerienBem: Zwhead_Deu: Zwhead_Eng: |
|||
| ? | Housing | 1 | EnglischBem: DeutschBem: DeutschDesc: Gehдuse InternBDB: InternKon: SerienBem: Zwhead_Deu: Zwhead_Eng: |
||||
| ? | 797 697 73 | Set out of pos. 09+10, piston and bush | A/R | EnglischBem: DeutschBem: DeutschDesc: Satz aus Pos.09+10, Kolben mit Buchse InternBDB: InternKon: SerienBem: Zwhead_Deu: Zwhead_Eng: |
|||
| ? | 994 836 00 | Seal kit, assy. fig-nos: 04,07,12,13,16,17 | A/R | EnglischBem: DeutschBem: DeutschDesc: Dichtsatz, kpl. Bild-Nr. 04,07,12,13,16,17 InternBDB: InternKon: SerienBem: Zwhead_Deu: Zwhead_Eng: |