k-part
Наименование Страница Код страницы
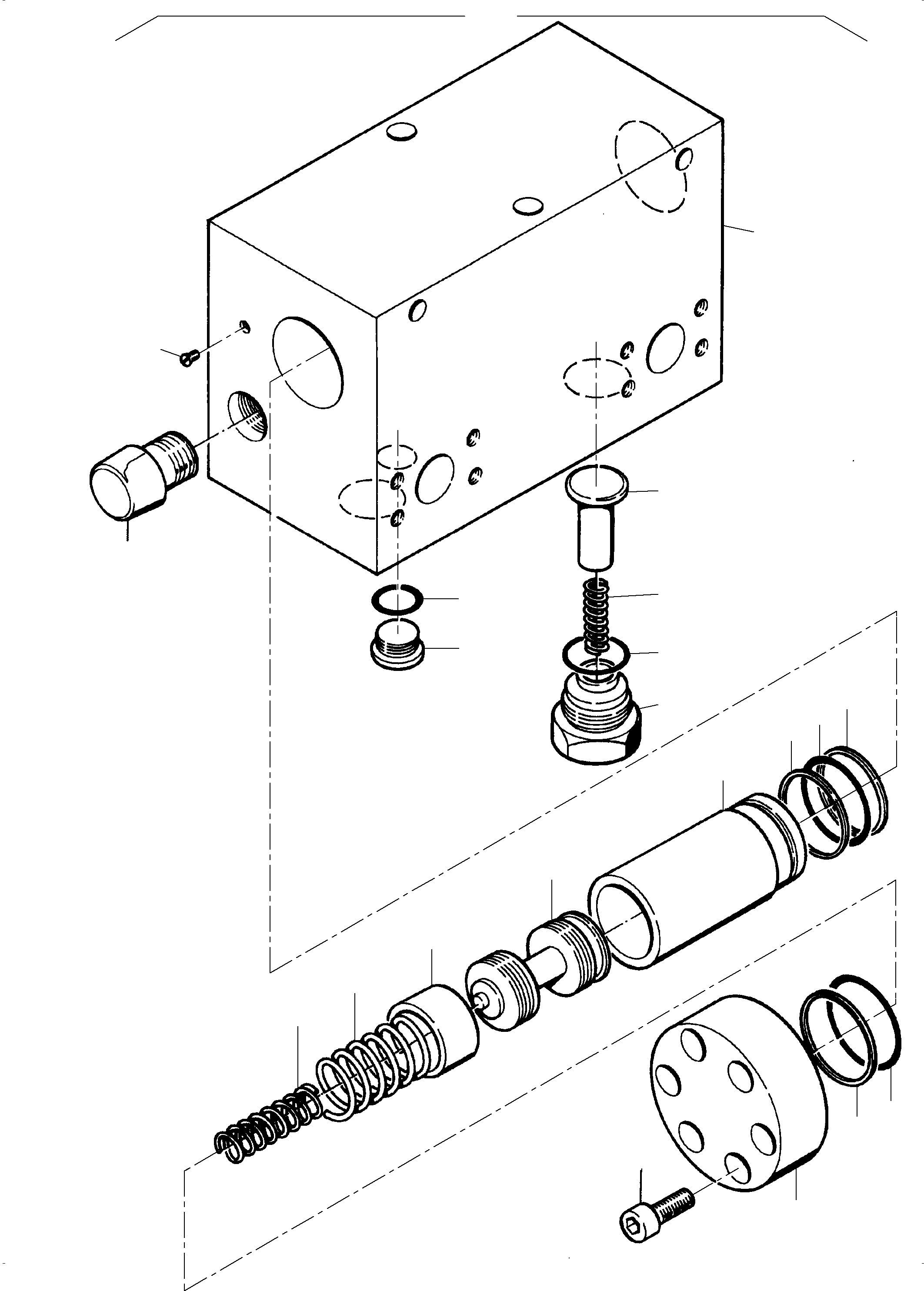
Pressure Relief Valve 991-1446a 991-1446a

Номер на схеме Каталожный номер Название Количество Детали
? 358 617 40 Brake valve assy. 310 bar 1
EnglischBem:
DeutschBem:
DeutschDesc: Bremsventil, kpl. 310 bar
InternBDB:
InternKon:
SerienBem:
Zwhead_Deu:
Zwhead_Eng:
? 754 587 00 Safety plug 6
EnglischBem:
DeutschBem:
DeutschDesc: AbreiЯstopfen
InternBDB:
InternKon:
SerienBem:
Zwhead_Deu:
Zwhead_Eng:
? 519 252 98 Plug 2
EnglischBem:
DeutschBem:
DeutschDesc: Verschlusschraube
InternBDB:
InternKon:
SerienBem:
Zwhead_Deu:
Zwhead_Eng:
? 501 275 98 O-ring 2
EnglischBem:
DeutschBem:
DeutschDesc: O-Ring
InternBDB:
InternKon:
SerienBem:
Zwhead_Deu:
Zwhead_Eng:
? 255 011 40 Valve Disc 2
EnglischBem:
DeutschBem:
DeutschDesc: Ventilteller
InternBDB:
InternKon:
SerienBem:
Zwhead_Deu:
Zwhead_Eng:
? 754 591 00 Plug 2
EnglischBem:
DeutschBem:
DeutschDesc: Verschlusschraube
InternBDB:
InternKon:
SerienBem:
Zwhead_Deu:
Zwhead_Eng:
? 519 255 98 O-ring 2
EnglischBem:
DeutschBem:
DeutschDesc: O-Ring
InternBDB:
InternKon:
SerienBem:
Zwhead_Deu:
Zwhead_Eng:
? Piston 2
EnglischBem:
DeutschBem:
DeutschDesc: Kolben
InternBDB:
InternKon:
SerienBem:
Zwhead_Deu:
Zwhead_Eng:
? Bush 2
EnglischBem:
DeutschBem:
DeutschDesc: Buchse
InternBDB:
InternKon:
SerienBem:
Zwhead_Deu:
Zwhead_Eng:
? 754 588 00 Distance piece 2
EnglischBem:
DeutschBem:
DeutschDesc: Distanzstьck
InternBDB:
InternKon:
SerienBem:
Zwhead_Deu:
Zwhead_Eng:
? 912 829 00 O-ring 2
EnglischBem:
DeutschBem:
DeutschDesc: O-Ring
InternBDB:
InternKon:
SerienBem:
Zwhead_Deu:
Zwhead_Eng:
? 997 791 00 Support ring 4
EnglischBem:
DeutschBem:
DeutschDesc: Stьtzring
InternBDB:
InternKon:
SerienBem:
Zwhead_Deu:
Zwhead_Eng:
? 994 838 00 Spring 2
EnglischBem:
DeutschBem:
DeutschDesc: Druckfeder
InternBDB:
InternKon:
SerienBem:
Zwhead_Deu:
Zwhead_Eng:
? 994 837 00 Spring 2
EnglischBem:
DeutschBem:
DeutschDesc: Druckfeder
InternBDB:
InternKon:
SerienBem:
Zwhead_Deu:
Zwhead_Eng:
? 101 537 64 O-ring 2
EnglischBem:
DeutschBem:
DeutschDesc: O-Ring
InternBDB:
InternKon:
SerienBem:
Zwhead_Deu:
Zwhead_Eng:
? 997 792 00 Support ring 2
EnglischBem:
DeutschBem:
DeutschDesc: Stьtzring
InternBDB:
InternKon:
SerienBem:
Zwhead_Deu:
Zwhead_Eng:
? 694 134 00 Cover 2
EnglischBem:
DeutschBem:
DeutschDesc: Deckel
InternBDB:
InternKon:
SerienBem:
Zwhead_Deu:
Zwhead_Eng:
? 509 814 98 Bolt 12
EnglischBem:
DeutschBem:
DeutschDesc: Schraube
InternBDB:
InternKon:
SerienBem:
Zwhead_Deu:
Zwhead_Eng:
? 255 012 40 Spring 2
EnglischBem:
DeutschBem:
DeutschDesc: Druckfeder
InternBDB:
InternKon:
SerienBem:
Zwhead_Deu:
Zwhead_Eng:
? Housing 1
EnglischBem:
DeutschBem:
DeutschDesc: Gehдuse
InternBDB:
InternKon:
SerienBem:
Zwhead_Deu:
Zwhead_Eng:
? 797 697 73 Set out of pos. 09+10, piston and bush A/R
EnglischBem:
DeutschBem:
DeutschDesc: Satz aus Pos.09+10, Kolben mit Buchse
InternBDB:
InternKon:
SerienBem:
Zwhead_Deu:
Zwhead_Eng:
? 994 836 00 Seal kit, assy. fig-nos: 04,07,12,13,16,17 A/R
EnglischBem:
DeutschBem:
DeutschDesc: Dichtsatz, kpl. Bild-Nr. 04,07,12,13,16,17
InternBDB:
InternKon:
SerienBem:
Zwhead_Deu:
Zwhead_Eng:

Excavators Mining Komatsu / PC4000-6 S/N 08252(G08252) / Travelling Gear Brake Valve(090-0392a : 090-0392a)
?
?
?
?
?
?
?
?
?
?
?
?
?
?
?
?
?
?
?
?
?
?