| Номер на схеме | Каталожный номер | Название | Количество | Детали | |||
|---|---|---|---|---|---|---|---|
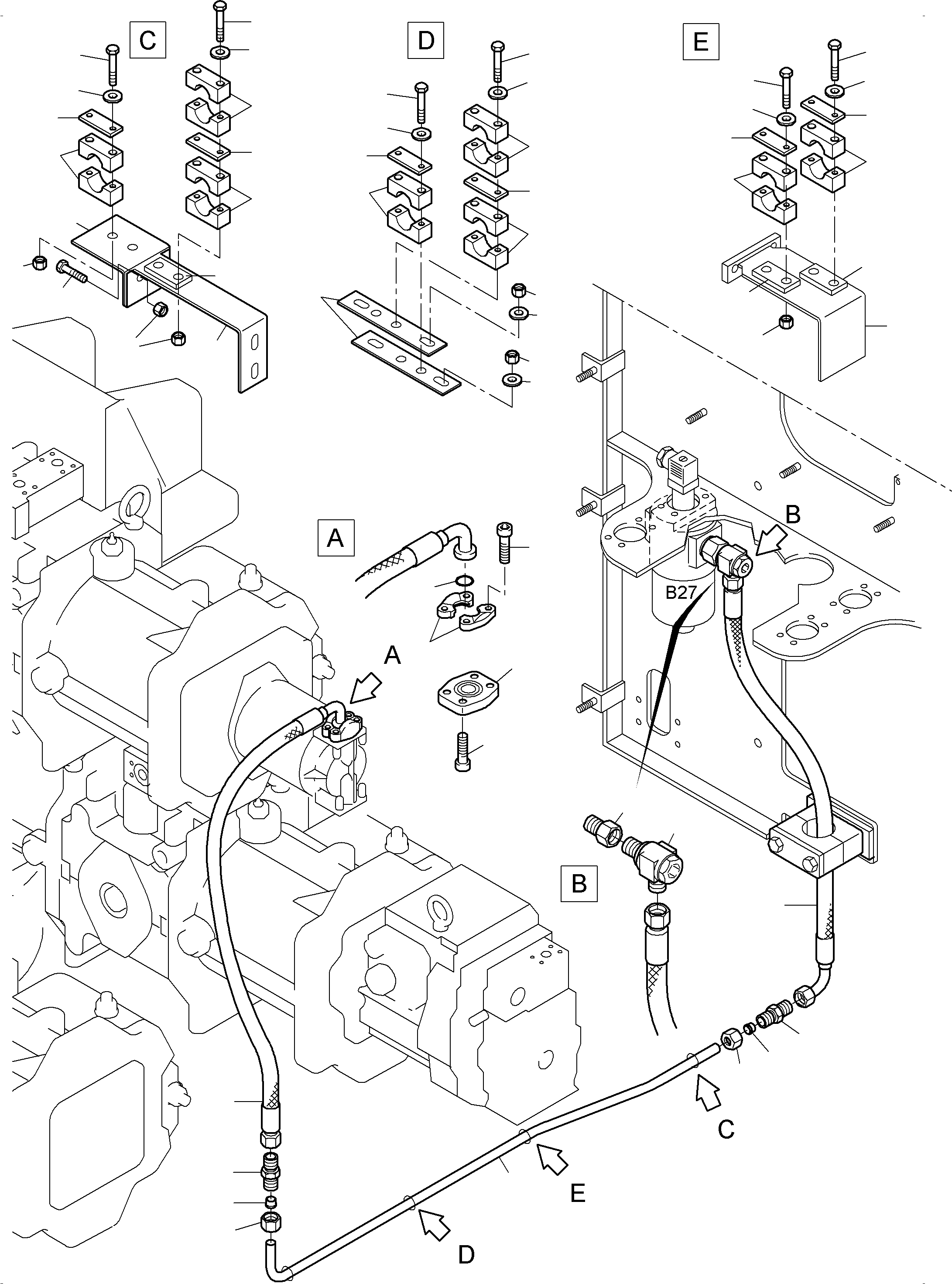
| ? | 517 735 98 | Hose assy. DN 25x1800 | 1 | EnglischBem: DeutschBem: DeutschDesc: Schlauchleitung DN 25x1800 InternBDB: InternKon: SerienBem: Zwhead_Deu: Zwhead_Eng: |
|||
| ? | 516 750 98 | Socket | 2 | EnglischBem: DeutschBem: DeutschDesc: Stutzen InternBDB: InternKon: SerienBem: Zwhead_Deu: Zwhead_Eng: |
|||
| ? | 906 350 40 | Olive | 2 | EnglischBem: DeutschBem: DeutschDesc: Schneidring InternBDB: InternKon: SerienBem: Zwhead_Deu: Zwhead_Eng: |
|||
| ? | 371 278 99 | Union Nut | 2 | EnglischBem: DeutschBem: DeutschDesc: Ьberwurfmutter InternBDB: InternKon: SerienBem: Zwhead_Deu: Zwhead_Eng: |
|||
| ? | 915 495 40 | Pipe | 1 | EnglischBem: DeutschBem: DeutschDesc: Rohr InternBDB: InternKon: SerienBem: Zwhead_Deu: Zwhead_Eng: |
|||
| ? | 517 787 98 | Hose assy. DN 25x900 | 1 | EnglischBem: DeutschBem: DeutschDesc: Schlauchleitung DN 25x900 InternBDB: InternKon: SerienBem: Zwhead_Deu: Zwhead_Eng: |
|||
| ? | 928 856 40 | Intermediate flange | 1 | EnglischBem: DeutschBem: DeutschDesc: Zwischenflansch InternBDB: InternKon: SerienBem: Zwhead_Deu: Zwhead_Eng: |
|||
| ? | 006 631 98 | Half flange | 2 | EnglischBem: DeutschBem: DeutschDesc: Flanschhдlfte InternBDB: InternKon: SerienBem: Zwhead_Deu: Zwhead_Eng: |
|||
| ? | 324 535 40 | Flange seal | 2 | EnglischBem: DeutschBem: DeutschDesc: Flanschdichtung InternBDB: InternKon: SerienBem: Zwhead_Deu: Zwhead_Eng: |
|||
| ? | 319 141 99 | Bolt | 4 | EnglischBem: DeutschBem: DeutschDesc: Schraube InternBDB: InternKon: SerienBem: Zwhead_Deu: Zwhead_Eng: |
|||
| ? | 319 256 99 | Bolt | 4 | EnglischBem: DeutschBem: DeutschDesc: Schraube InternBDB: InternKon: SerienBem: Zwhead_Deu: Zwhead_Eng: |
|||
| ? | 518 547 98 | Lock washer | 4 | EnglischBem: DeutschBem: DeutschDesc: Sicherungsscheibe InternBDB: InternKon: SerienBem: Zwhead_Deu: Zwhead_Eng: |
|||
| ? | 518 041 98 | Pair of clamps | 12 | EnglischBem: DeutschBem: DeutschDesc: Klemmpaar InternBDB: InternKon: SerienBem: Zwhead_Deu: Zwhead_Eng: |
|||
| ? | 534 001 99 | Cover plate | 18 | EnglischBem: DeutschBem: DeutschDesc: Deckplatte InternBDB: InternKon: SerienBem: Zwhead_Deu: Zwhead_Eng: |
|||
| ? | 961 876 40 | Console | 1 | EnglischBem: DeutschBem: DeutschDesc: Konsole InternBDB: InternKon: SerienBem: Zwhead_Deu: Zwhead_Eng: |
|||
| ? | 961 863 40 | Console | 1 | EnglischBem: DeutschBem: DeutschDesc: Konsole InternBDB: InternKon: SerienBem: Zwhead_Deu: Zwhead_Eng: |
|||
| ? | 961 862 40 | Console | 1 | EnglischBem: DeutschBem: DeutschDesc: Konsole InternBDB: InternKon: SerienBem: Zwhead_Deu: Zwhead_Eng: |
|||
| ? | 516 842 98 | Pair of clamps | 2 | EnglischBem: DeutschBem: DeutschDesc: Klemmpaar InternBDB: InternKon: SerienBem: Zwhead_Deu: Zwhead_Eng: |
|||
| ? | 308 948 99 | Bolt | 2 | EnglischBem: DeutschBem: DeutschDesc: Schraube InternBDB: InternKon: SerienBem: Zwhead_Deu: Zwhead_Eng: |
|||
| ? | 307 791 99 | Bolt | 6 | EnglischBem: DeutschBem: DeutschDesc: Schraube InternBDB: InternKon: SerienBem: Zwhead_Deu: Zwhead_Eng: |
|||
| ? | 308 269 99 | Bolt | 2 | EnglischBem: DeutschBem: DeutschDesc: Schraube InternBDB: InternKon: SerienBem: Zwhead_Deu: Zwhead_Eng: |
|||
| ? | 340 465 99 | Washer | 20 | EnglischBem: DeutschBem: DeutschDesc: Scheibe InternBDB: InternKon: SerienBem: Zwhead_Deu: Zwhead_Eng: |
|||
| ? | 507 037 98 | Nut | 20 | EnglischBem: DeutschBem: DeutschDesc: Mutter InternBDB: InternKon: SerienBem: Zwhead_Deu: Zwhead_Eng: |
|||
| ? | 308 581 99 | Bolt | 4 | EnglischBem: DeutschBem: DeutschDesc: Schraube InternBDB: InternKon: SerienBem: Zwhead_Deu: Zwhead_Eng: |
|||
| ? | 961 865 40 | Mounting plate | 2 | EnglischBem: DeutschBem: DeutschDesc: Anschraubplatte InternBDB: InternKon: SerienBem: Zwhead_Deu: Zwhead_Eng: |
|||
| ? | 500 853 98 | Bolt | 2 | EnglischBem: DeutschBem: DeutschDesc: Schraube InternBDB: InternKon: SerienBem: Zwhead_Deu: Zwhead_Eng: |
|||
| ? | 961 869 40 | Connecting plate | 3 | EnglischBem: DeutschBem: DeutschDesc: Anschlussplatte InternBDB: InternKon: SerienBem: Zwhead_Deu: Zwhead_Eng: |
|||
| ? | 907 149 40 | Union | 1 | EnglischBem: DeutschBem: DeutschDesc: Verschraubung InternBDB: InternKon: SerienBem: Zwhead_Deu: Zwhead_Eng: |
|||
| ? | 372 885 99 | Socket | 1 | EnglischBem: DeutschBem: DeutschDesc: Stutzen InternBDB: InternKon: SerienBem: Zwhead_Deu: Zwhead_Eng: |
|||
| ? | A/R | EnglischBem: DeutschBem: DeutschDesc: InternBDB: InternKon: SerienBem: Zwhead_Deu: Zwhead_Eng: |
|||||
| ? | A/R | EnglischBem: DeutschBem: DeutschDesc: InternBDB: InternKon: SerienBem: Zwhead_Deu: Zwhead_Eng: |
|||||
| ? | A/R | EnglischBem: DeutschBem: DeutschDesc: InternBDB: InternKon: SerienBem: Zwhead_Deu: Zwhead_Eng: |