| Номер на схеме | Каталожный номер | Название | Количество | Детали | |||
|---|---|---|---|---|---|---|---|
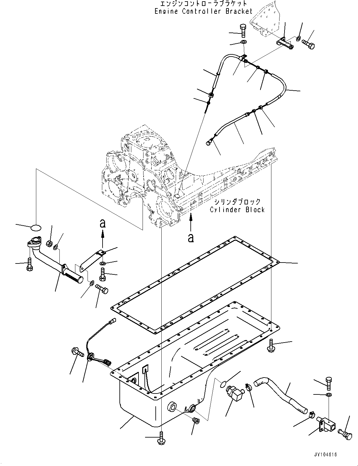
| ? | 6253-21-4140 | Housing | 1 | SN: 865972- KIT-FLAG: _- SCC: SERIALNO: 865972- |
|||
| ? | 01010-61650 | Bolt | 6 | SN: 865972- KIT-FLAG: _- SCC: SERIALNO: 865972- |
|||
| ? | 01010-61660 | Bolt | 2 | SN: 865972- KIT-FLAG: _- SCC: SERIALNO: 865972- |
|||
| ? | 01011-81030 | Bolt | 1 | SN: 865972- KIT-FLAG: _- SCC: SERIALNO: 865972- |
|||
| ? | 6151-21-4150 | Seal, Rear | 1 | SN: 865972- KIT-FLAG: S- SCC: SERIALNO: 865972- |
|||
| ? | 07043-70211 | Plug | 1 | SN: 865972- KIT-FLAG: _- SCC: SERIALNO: 865972- |
|||
| ? | 6150-21-3930 | Plate | 1 | SN: 865972- KIT-FLAG: _- SCC: SERIALNO: 865972- |
|||
| ? | 01010-61660 | Bolt | 2 | SN: 865972- KIT-FLAG: _- SCC: SERIALNO: 865972- |
|||
| ? | 6261-81-2902 | Sensor, Revolution | 1 | SN: 865972- KIT-FLAG: _- SCC: SERIALNO: 865972- |
|||
| ? | • Sensor | 1 | SN: 865972- KIT-FLAG: _- SCC: C1 SERIALNO: 865972- |
||||
| ? | 6271-81-9220 | • O-ring | 1 | SN: 865972- KIT-FLAG: S- SCC: SERIALNO: 865972- |
|||
| ? | 01010-80820 | Bolt | 1 | SN: 865972- KIT-FLAG: _- SCC: SERIALNO: 865972- |
|||
| ? | 01643-30823 | Washer | 1 | SN: 865972- KIT-FLAG: _- SCC: SERIALNO: 865972- |
|||
| ? | 7861-93-2310 | Sensor, Pick up | 1 | SN: 865972- KIT-FLAG: _- SCC: SERIALNO: 865972- |