k-part
Номер на схеме Каталожный номер Название Количество Детали
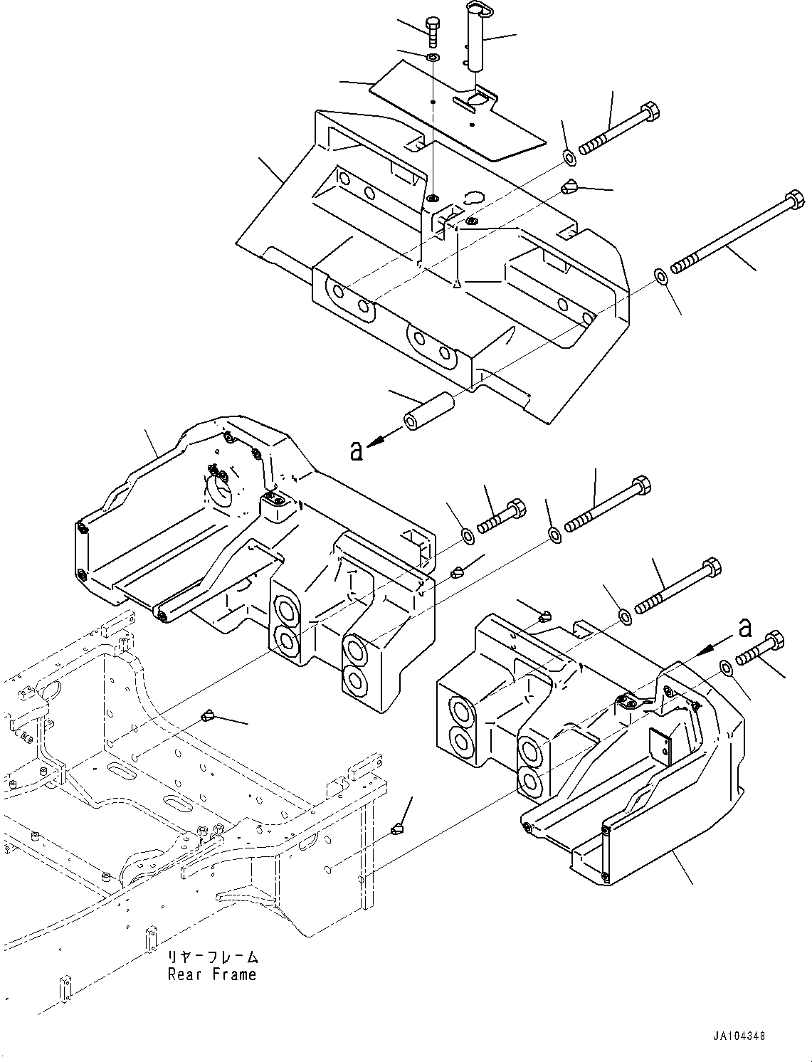
? 421-46-75111 Weight, 650Kg 1
SN: 120001-
KIT-FLAG: _-
SCC:
SERIALNO: 120001-
? 421-46-75121 Weight, 650Kg 1
SN: 120001-
KIT-FLAG: _-
SCC:
SERIALNO: 120001-
? 421-975-7111 Weight, 555Kg 1
SN: 120001-
KIT-FLAG: _-
SCC:
SERIALNO: 120001-
? 01643-33080 Washer 4
SN: 120001-
KIT-FLAG: _-
SCC:
SERIALNO: 120001-
? 207-46-86580 Bolt 2
SN: 120001-
KIT-FLAG: _-
SCC:
SERIALNO: 120001-
? 01011-63050 Bolt 2
SN: 120001-
KIT-FLAG: _-
SCC:
SERIALNO: 120001-
? 01643-33080 Washer 4
SN: 120001-
KIT-FLAG: _-
SCC:
SERIALNO: 120001-
? 421-975-7210 Bolt 2
SN: 120001-
KIT-FLAG: _-
SCC:
SERIALNO: 120001-
? 421-975-7220 Bolt 2
SN: 120001-
KIT-FLAG: _-
SCC:
SERIALNO: 120001-
? 421-975-7190 Spacer 2
SN: 120001-
KIT-FLAG: _-
SCC:
SERIALNO: 120001-
? 07049-04253 Plug, Cork 4
SN: 120001-
KIT-FLAG: _-
SCC:
SERIALNO: 120001-
? 07049-02025 Plug 4
SN: 120001-
KIT-FLAG: _-
SCC:
SERIALNO: 120001-
? 07049-03038 Plug, Cork 8
SN: 120001-
KIT-FLAG: _-
SCC:
SERIALNO: 120001-
? 421-975-7181 Plate 1
SN: 120001-
KIT-FLAG: _-
SCC:
SERIALNO: 120001-
? 01010-D1020 Bolt 2
SN: 120001-
KIT-FLAG: _-
SCC:
SERIALNO: 120001-
? 01643-71032 Washer 2
SN: 120001-
KIT-FLAG: _-
SCC:
SERIALNO: 120001-
? 421-975-7121 Pin 1
SN: 120001-
KIT-FLAG: _-
SCC:
SERIALNO: 120001-

Wheel Loaders Komatsu / WA475-10E0 S/N 120001-UP(1001572C) / Counterweight, (With Additional Counterweight, License Plate Lamp for Europe Specification) (#120001-)(M023001 : M4510-002001)
?
?
?
?
?
?
?
?
?
?
?
?
?
?
?
?
?
?
?
?
?
?
?
?
?