k-part
Номер на схеме Каталожный номер Название Количество Детали
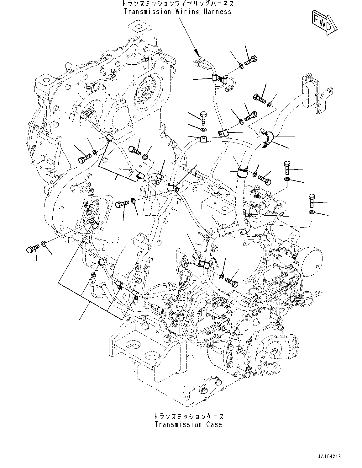
? 600-051-2080 Clip 1
SN: 120001-
KIT-FLAG: _-
SCC:
SERIALNO: 120001-
? 600-051-2100 Clip 2
SN: 120001-
KIT-FLAG: _-
SCC:
SERIALNO: 120001-
? 600-051-2080 Clip 5
SN: 120001-
KIT-FLAG: _-
SCC:
SERIALNO: 120001-
? 600-051-2100 Clip 2
SN: 120001-
KIT-FLAG: _-
SCC:
SERIALNO: 120001-
? 01010-81025 Bolt 9
SN: 120001-
KIT-FLAG: _-
SCC:
SERIALNO: 120001-
? 01643-31032 Washer 9
SN: 120001-
KIT-FLAG: _-
SCC:
SERIALNO: 120001-
? 04434-53212 Clip 1
SN: 120001-
KIT-FLAG: _-
SCC:
SERIALNO: 120001-
? 07095-20523 Cushion 1
SN: 120001-
KIT-FLAG: _-
SCC:
SERIALNO: 120001-
? 01010-81025 Bolt 1
SN: 120001-
KIT-FLAG: _-
SCC:
SERIALNO: 120001-
? 01643-31032 Washer 1
SN: 120001-
KIT-FLAG: _-
SCC:
SERIALNO: 120001-
? 600-051-2140 Clip 1
SN: 120001-
KIT-FLAG: _-
SCC:
SERIALNO: 120001-
? 01010-81025 Bolt 1
SN: 120001-
KIT-FLAG: _-
SCC:
SERIALNO: 120001-
? 01643-31032 Washer 1
SN: 120001-
KIT-FLAG: _-
SCC:
SERIALNO: 120001-
? 600-051-2140 Clip 1
SN: 120001-
KIT-FLAG: _-
SCC:
SERIALNO: 120001-
? 01010-81025 Bolt 1
SN: 120001-
KIT-FLAG: _-
SCC:
SERIALNO: 120001-
? 01643-31032 Washer 1
SN: 120001-
KIT-FLAG: _-
SCC:
SERIALNO: 120001-
? 01010-81016 Bolt 2
SN: 120001-
KIT-FLAG: _-
SCC:
SERIALNO: 120001-
? 01643-31032 Washer 2
SN: 120001-
KIT-FLAG: _-
SCC:
SERIALNO: 120001-
? 04434-53212 Clip 1
SN: 120001-
KIT-FLAG: _-
SCC:
SERIALNO: 120001-
? 07095-20523 Cushion 1
SN: 120001-
KIT-FLAG: _-
SCC:
SERIALNO: 120001-
? 01010-81025 Bolt 1
SN: 120001-
KIT-FLAG: _-
SCC:
SERIALNO: 120001-
? 01643-31032 Washer 1
SN: 120001-
KIT-FLAG: _-
SCC:
SERIALNO: 120001-
? 600-051-2180 Clip 1
SN: 120001-
KIT-FLAG: _-
SCC:
SERIALNO: 120001-
? 01010-81025 Bolt 1
SN: 120001-
KIT-FLAG: _-
SCC:
SERIALNO: 120001-
? 01643-31032 Washer 1
SN: 120001-
KIT-FLAG: _-
SCC:
SERIALNO: 120001-
? 600-051-2140 Clip 1
SN: 120001-
KIT-FLAG: _-
SCC:
SERIALNO: 120001-
? 01010-81020 Bolt 1
SN: 120001-
KIT-FLAG: _-
SCC:
SERIALNO: 120001-
? 01643-31032 Washer 1
SN: 120001-
KIT-FLAG: _-
SCC:
SERIALNO: 120001-

Wheel Loaders Komatsu / WA475-10E0 S/N 120001-UP(1001572C) / Transmission, Transmission Wiring Harness Mounting (#120001-)(F004024 : F4300-001024)
?
?
?
?
?
?
?
?
?
?
?
?
?
?
?
?
?
?
?
?
?
?
?
?
?
?
?
?
?
?
?
?
?
?
?
?
?
?