k-part
Номер на схеме Каталожный номер Название Количество Детали
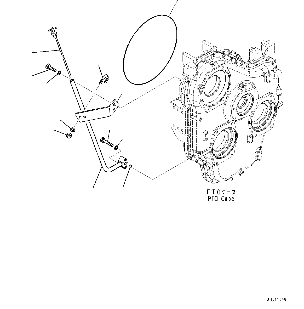
? 21N-38-32151 Tube 1
SN: 35201-
KIT-FLAG: _-
SCC:
SERIALNO: 35201-
? 07000-E3028 O-ring 1
SN: 35201-
KIT-FLAG: _-
SCC:
SERIALNO: 35201-
? 01010-81065 Bolt 2
SN: 35201-
KIT-FLAG: _-
SCC:
SERIALNO: 35201-
? 01643-31032 Washer 2
SN: 35201-
KIT-FLAG: _-
SCC:
SERIALNO: 35201-
? 21N-38-31161 Gauge 1
SN: 35201-
KIT-FLAG: _-
SCC:
SERIALNO: 35201-
? 21N-38-32161 Bracket 1
SN: 35201-
KIT-FLAG: _-
SCC:
SERIALNO: 35201-
? 01010-81030 Bolt 2
SN: 35201-
KIT-FLAG: _-
SCC:
SERIALNO: 35201-
? 01643-31032 Washer 2
SN: 35201-
KIT-FLAG: _-
SCC:
SERIALNO: 35201-
? 07283-22746 Clip 1
SN: 35201-
KIT-FLAG: _-
SCC:
SERIALNO: 35201-
? 01599-01011 Nut 2
SN: 35201-
KIT-FLAG: _-
SCC:
SERIALNO: 35201-
? 01643-31032 Washer 2
SN: 35201-
KIT-FLAG: _-
SCC:
SERIALNO: 35201-
? 07000-E5500 O-ring 1
SN: 35201-
KIT-FLAG: _-
SCC:
SERIALNO: 35201-

Excavators Komatsu / PC1250-8R S/N 35201-UP(0000430c) / PTO (Power Take Off), Oil Check Gauge (#35201-)(B008002 : B0600-001002)
?
?
?
?
?
?
?
?
?
?
?
?