| Номер на схеме | Каталожный номер | Название | Количество | Детали | |||
|---|---|---|---|---|---|---|---|
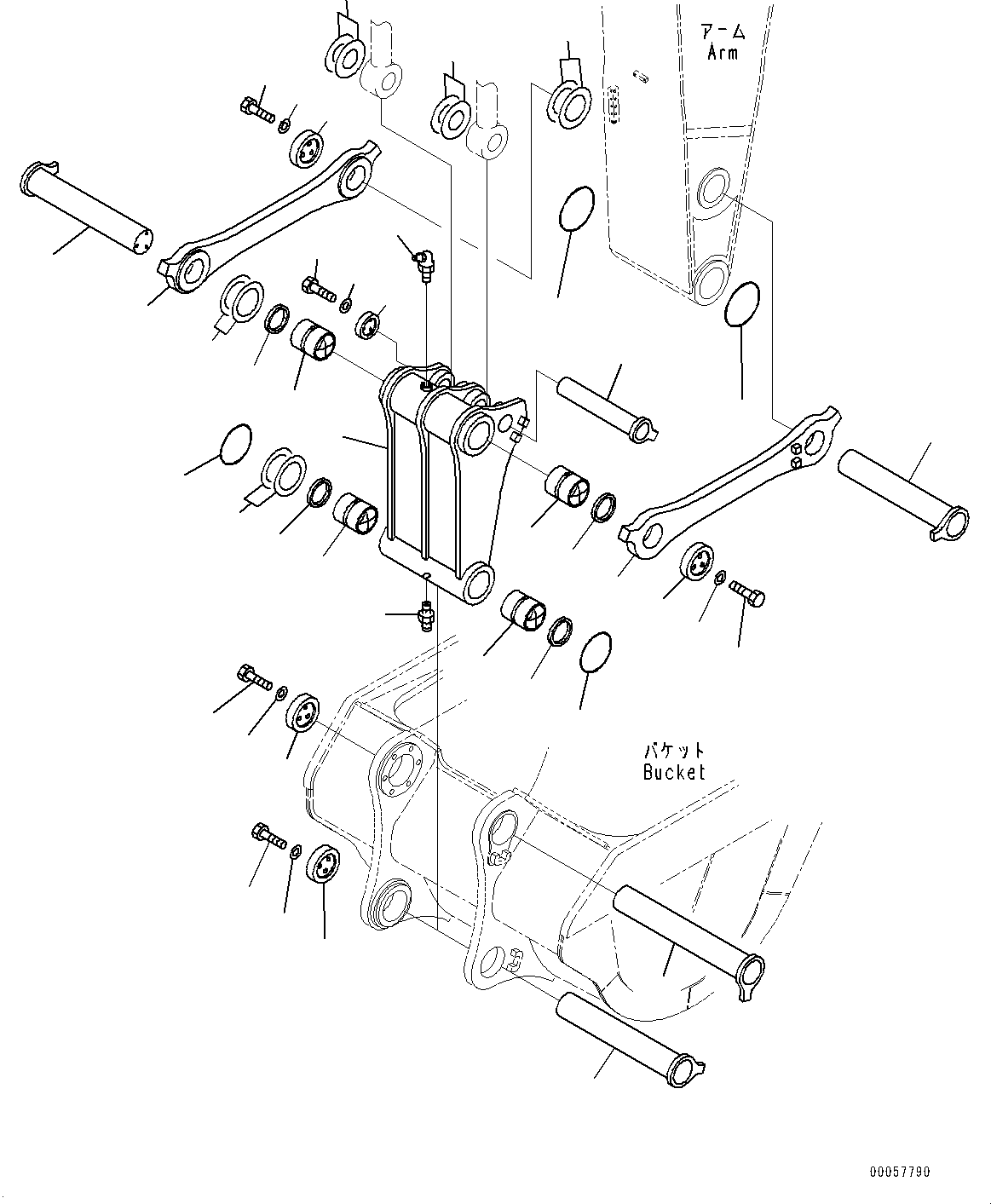
| ? | 21N-70-00402 | Link Assembly | 1 | SN: 35201-35649 KIT-FLAG: _- SCC: SERIALNO: 35201-35649 |
|||
| ? | • Link | 1 | SN: 35201-35649 KIT-FLAG: _- SCC: C1 SERIALNO: 35201-35649 |
||||
| ? | 21N-70-12170 | • Bushing | 4 | SN: 35201-35649 KIT-FLAG: _- SCC: SERIALNO: 35201-35649 |
|||
| ? | 07020-00675 | • Fitting, Grease | 1 | SN: 35201-35649 KIT-FLAG: _- SCC: SERIALNO: 35201-35649 |
|||
| ? | 07020-00000 | • Fitting, Grease | 1 | SN: 35201-35649 KIT-FLAG: _- SCC: SERIALNO: 35201-35649 |
|||
| ? | 209-72-11261 | Seal | 4 | SN: 35201-35649 KIT-FLAG: _- SCC: SERIALNO: 35201-35649 |
|||
| ? | 21N-70-33121 | Link | 2 | SN: 35201-35649 KIT-FLAG: _- SCC: SERIALNO: 35201-35649 |
|||
| ? | 21N-72-11230 | Shim, T=1.0mm | 5 | SN: 35201-35649 KIT-FLAG: _- SCC: SERIALNO: 35201-35649 |
|||
| ? | 21N-72-11230 | Shim, T=1.0mm | 5 | SN: 35201-35649 KIT-FLAG: _- SCC: SERIALNO: 35201-35649 |
|||
| ? | 21N-70-33131 | Pin | 1 | SN: 35201-35649 KIT-FLAG: _- SCC: SERIALNO: 35201-35649 |
|||
| ? | 209-70-73180 | Holder | 1 | SN: 35201-35649 KIT-FLAG: _- SCC: SERIALNO: 35201-35649 |
|||
| ? | 01010-82460 | Bolt | 3 | SN: 35201-35649 KIT-FLAG: _- SCC: SERIALNO: 35201-35649 |
|||
| ? | 01643-32460 | Washer | 3 | SN: 35201-35649 KIT-FLAG: _- SCC: SERIALNO: 35201-35649 |
|||
| ? | 21N-70-33131 | Pin | 1 | SN: 35201-35649 KIT-FLAG: _- SCC: SERIALNO: 35201-35649 |
|||
| ? | 209-70-73180 | Holder | 1 | SN: 35201-35649 KIT-FLAG: _- SCC: SERIALNO: 35201-35649 |
|||
| ? | 01010-82460 | Bolt | 3 | SN: 35201-35649 KIT-FLAG: _- SCC: SERIALNO: 35201-35649 |
|||
| ? | 01643-32460 | Washer | 3 | SN: 35201-35649 KIT-FLAG: _- SCC: SERIALNO: 35201-35649 |
|||
| ? | 21N-70-33142 | Pin | 1 | SN: 35201-35649 KIT-FLAG: _- SCC: SERIALNO: 35201-35649 |
|||
| ? | 209-70-73180 | Holder | 1 | SN: 35201-35649 KIT-FLAG: _- SCC: SERIALNO: 35201-35649 |
|||
| ? | 01010-82460 | Bolt | 3 | SN: 35201-35649 KIT-FLAG: _- SCC: SERIALNO: 35201-35649 |
|||
| ? | 01643-32460 | Washer | 3 | SN: 35201-35649 KIT-FLAG: _- SCC: SERIALNO: 35201-35649 |
|||
| ? | 21N-70-33161 | Pin | 1 | SN: 35201-35649 KIT-FLAG: _- SCC: SERIALNO: 35201-35649 |
|||
| ? | 209-70-73180 | Holder | 1 | SN: 35201-35649 KIT-FLAG: _- SCC: SERIALNO: 35201-35649 |
|||
| ? | 01010-82460 | Bolt | 3 | SN: 35201-35649 KIT-FLAG: _- SCC: SERIALNO: 35201-35649 |
|||
| ? | 01643-32460 | Washer | 3 | SN: 35201-35649 KIT-FLAG: _- SCC: SERIALNO: 35201-35649 |
|||
| ? | 21N-70-32140 | Pin | 1 | SN: 35201-35649 KIT-FLAG: _- SCC: SERIALNO: 35201-35649 |
|||
| ? | 207-70-11340 | Spacer, T=0.8mm | 6 | SN: 35201-35649 KIT-FLAG: _- SCC: SERIALNO: 35201-35649 |
|||
| ? | 21N-70-33170 | Stopper | 1 | SN: 35201-35649 KIT-FLAG: _- SCC: SERIALNO: 35201-35649 |
|||
| ? | 01010-81645 | Bolt | 3 | SN: 35201-35649 KIT-FLAG: _- SCC: SERIALNO: 35201-35649 |
|||
| ? | 01643-31645 | Washer | 3 | SN: 35201-35649 KIT-FLAG: _- SCC: SERIALNO: 35201-35649 |
|||
| ? | 21N-70-13150 | O-ring | 2 | SN: 35201-35649 KIT-FLAG: _- SCC: SERIALNO: 35201-35649 |
|||
| ? | 21N-72-11230 | Shim, T=1.0mm | 3 | SN: 35201-35649 KIT-FLAG: _- SCC: SERIALNO: 35201-35649 |
|||
| ? | 07000-16215 | O-ring | 2 | SN: 35201-35649 KIT-FLAG: _- SCC: SERIALNO: 35201-35649 |