| Номер на схеме | Каталожный номер | Название | Количество | Детали | |||
|---|---|---|---|---|---|---|---|
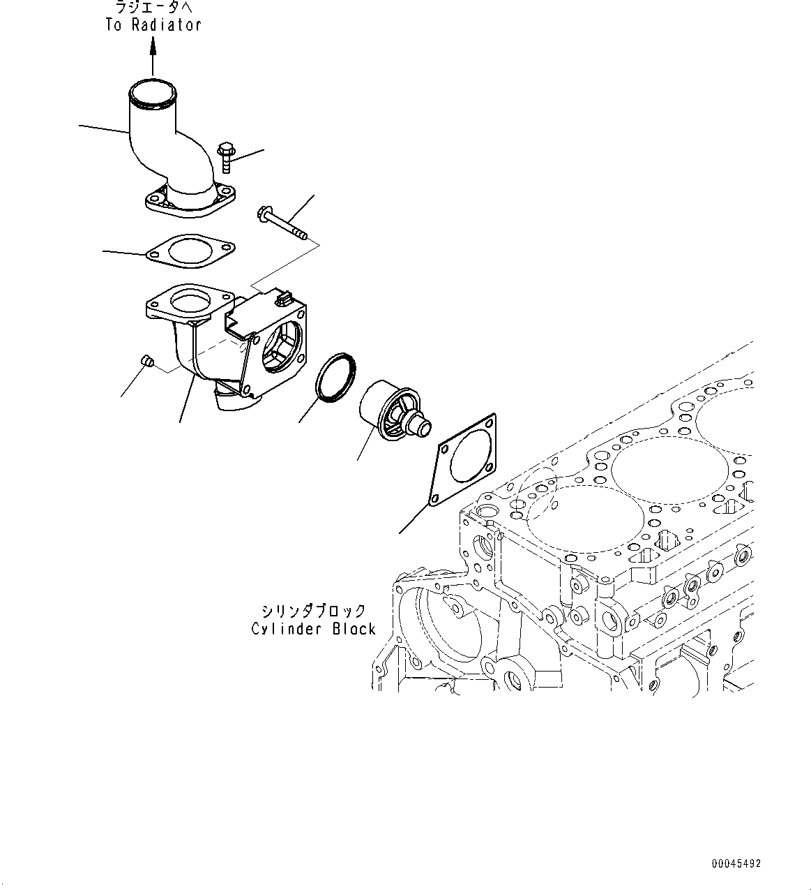
| ? | 6251-21-6410 | Housing, Thermostat | 1 | SN: 663485- KIT-FLAG: _- SCC: SERIALNO: 663485- |
|||
| ? | 6150-22-6490 | Gasket | 1 | SN: 663485- KIT-FLAG: S- SCC: SERIALNO: 663485- |
|||
| ? | 01437-01065 | Bolt | 4 | SN: 663485- KIT-FLAG: _- SCC: SERIALNO: 663485- |
|||
| ? | 02720-20204 | Plug | 1 | SN: 663485- KIT-FLAG: _- SCC: SERIALNO: 663485- |
|||
| ? | 600-421-6630 | Thermostat | 1 | SN: 663485- KIT-FLAG: _- SCC: SERIALNO: 663485- |
|||
| ? | 6162-13-6440 | Seal | 1 | SN: 663485- KIT-FLAG: S- SCC: SERIALNO: 663485- |
|||
| ? | 6251-61-6270 | Connector | 1 | SN: 663485- KIT-FLAG: _- SCC: SERIALNO: 663485- |
|||
| ? | 6210-61-6441 | Gasket | 1 | SN: 663485- KIT-FLAG: S- SCC: SERIALNO: 663485- |
|||
| ? | 01435-01025 | Bolt | 2 | SN: 663485- KIT-FLAG: _- SCC: SERIALNO: 663485- |