| Номер на схеме | Каталожный номер | Название | Количество | Детали | |||
|---|---|---|---|---|---|---|---|
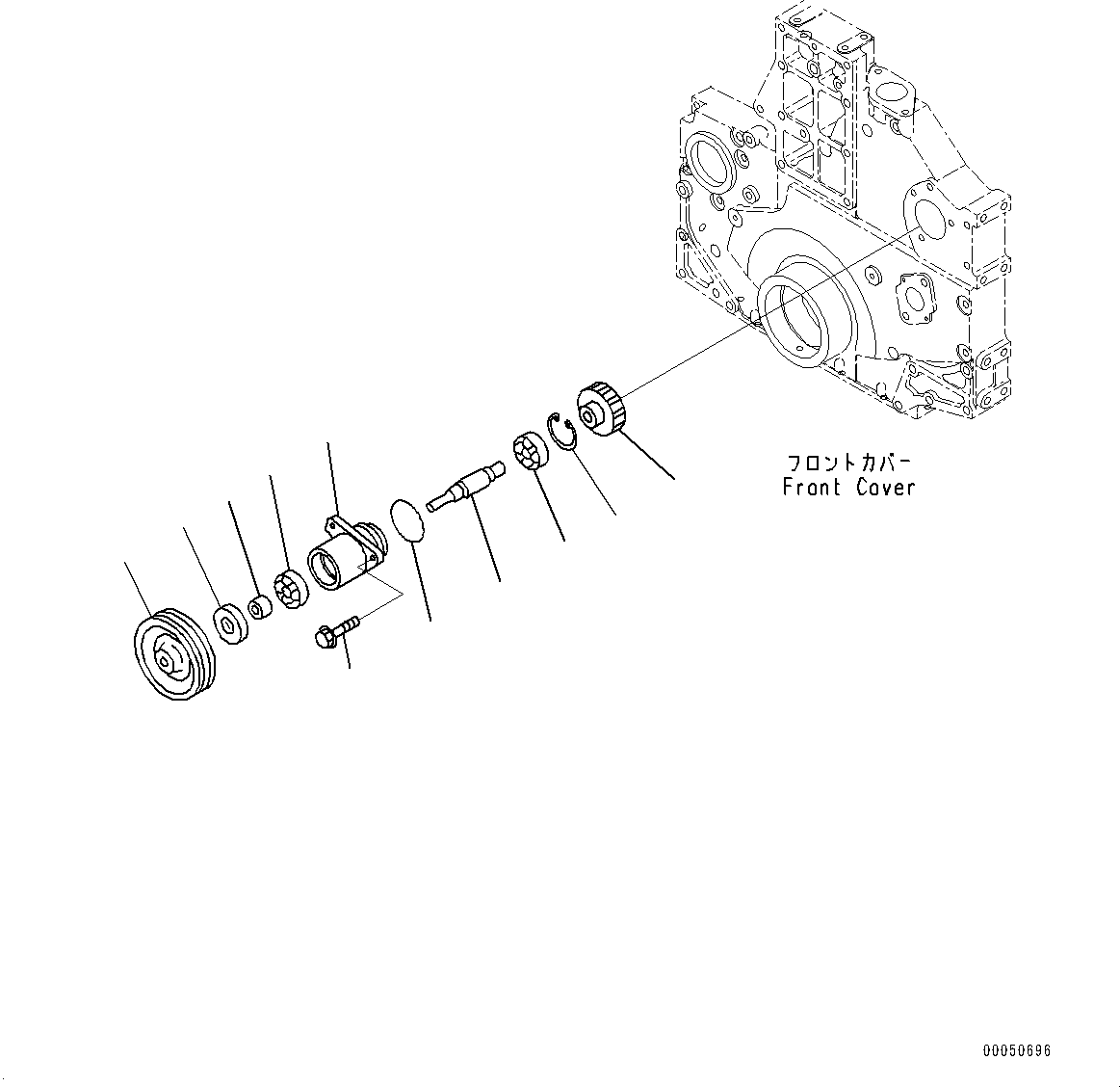
| ? | 6217-21-3604 | PTO Assembly | 1 | SN: 631818- KIT-FLAG: _- SCC: SERIALNO: 631818- |
|||
| ? | 6217-21-3603 | PTO Assembly | 1 | SN: 630276-631817 KIT-FLAG: _- SCC: A2 SERIALNO: 630276-631817 |
|||
| ? | 6218-21-3871 | • Pulley | 1 | SN: 630276- KIT-FLAG: _- SCC: SERIALNO: 630276- |
|||
| ? | 6217-21-3540 | • Gear | 1 | SN: 630276- KIT-FLAG: _- SCC: SERIALNO: 630276- |
|||
| ? | 06340-06204 | • Bearing, Ball | 1 | SN: 630276- KIT-FLAG: _- SCC: SERIALNO: 630276- |
|||
| ? | 06340-06304 | • Bearing, Ball | 1 | SN: 630276- KIT-FLAG: _- SCC: SERIALNO: 630276- |
|||
| ? | 04065-04718 | • Ring, Snap | 1 | SN: 630276- KIT-FLAG: _- SCC: SERIALNO: 630276- |
|||
| ? | 6218-21-3831 | • Spacer | 1 | SN: 630276- KIT-FLAG: _- SCC: SERIALNO: 630276- |
|||
| ? | 6261-21-3881 | • Seal, Oil | 1 | SN: 631818- KIT-FLAG: S- SCC: SERIALNO: 631818- |
|||
| ? | 6261-21-3880 | • Seal, Oil | 1 | SN: 630276-631817 KIT-FLAG: S- SCC: A2 SERIALNO: 630276-631817 |
|||
| ? | 6218-21-3811 | • Housing | 1 | SN: 630276- KIT-FLAG: _- SCC: SERIALNO: 630276- |
|||
| ? | 6218-21-3820 | • Shaft | 1 | SN: 630276- KIT-FLAG: _- SCC: SERIALNO: 630276- |
|||
| ? | 07000-02060 | O-ring | 1 | SN: 630276- KIT-FLAG: S- SCC: SERIALNO: 630276- |
|||
| ? | 01435-01030 | Bolt | 3 | SN: 630276- KIT-FLAG: _- SCC: SERIALNO: 630276- |