| Номер на схеме | Каталожный номер | Название | Количество | Детали | |||
|---|---|---|---|---|---|---|---|
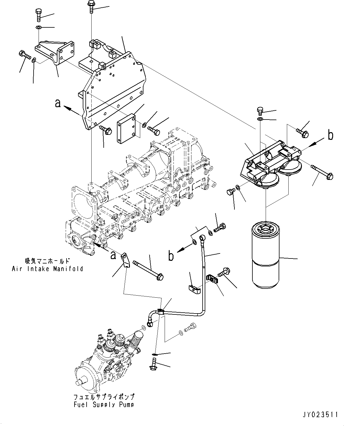
| ? | 6261-71-6800 | Head Assembly, Fuel Filter | 1 | SN: 630276-630674 KIT-FLAG: _- SCC: SERIALNO: 630276-630674 |
|||
| ? | 6261-71-6810 | • Head | 1 | SN: 630276-630674 KIT-FLAG: _- SCC: SERIALNO: 630276-630674 |
|||
| ? | 6110-73-6231 | • Plug | 3 | SN: 630276-630674 KIT-FLAG: _- SCC: SERIALNO: 630276-630674 |
|||
| ? | 07005-00812 | • Seal, Washer | 3 | SN: 630276-630674 KIT-FLAG: S- SCC: SERIALNO: 630276-630674 |
|||
| ? | 07040-11409 | • Plug | 1 | SN: 630276-630674 KIT-FLAG: _- SCC: SERIALNO: 630276-630674 |
|||
| ? | 07005-01412 | • Seal, Washer | 1 | SN: 630276-630674 KIT-FLAG: S- SCC: SERIALNO: 630276-630674 |
|||
| ? | Cartridge | 2 | SN: 630276-630674 KIT-FLAG: _- SCC: C1 SERIALNO: 630276-630674 |
||||
| ? | 01435-01035 | Bolt | 3 | SN: 630276-630674 KIT-FLAG: _- SCC: SERIALNO: 630276-630674 |
|||
| ? | 01436-01000 | Bolt | 3 | SN: 630276-630674 KIT-FLAG: _- SCC: SERIALNO: 630276-630674 |
|||
| ? | 6261-71-6610 | Tube, Return | 1 | SN: 630276-630674 KIT-FLAG: _- SCC: SERIALNO: 630276-630674 |
|||
| ? | 07206-31014 | Bolt, Joint | 1 | SN: 630276-630674 KIT-FLAG: _- SCC: SERIALNO: 630276-630674 |
|||
| ? | 07005-01412 | Seal, Washer | 2 | SN: 630276-630674 KIT-FLAG: S- SCC: SERIALNO: 630276-630674 |
|||
| ? | 6166-75-6821 | Clamp | 2 | SN: 630276-630674 KIT-FLAG: _- SCC: SERIALNO: 630276-630674 |
|||
| ? | 01435-00835 | Bolt | 1 | SN: 630276-630674 KIT-FLAG: _- SCC: SERIALNO: 630276-630674 |
|||
| ? | 6261-71-6590 | Bracket | 1 | SN: 630276-630674 KIT-FLAG: _- SCC: SERIALNO: 630276-630674 |
|||
| ? | 01436-01080 | Bolt | 1 | SN: 630276-630674 KIT-FLAG: _- SCC: SERIALNO: 630276-630674 |
|||
| ? | 6215-71-4940 | Clamp | 1 | SN: 630276-630674 KIT-FLAG: _- SCC: SERIALNO: 630276-630674 |
|||
| ? | 01435-01020 | Bolt | 1 | SN: 630276-630674 KIT-FLAG: _- SCC: SERIALNO: 630276-630674 |
|||
| ? | 01643-31032 | Washer | 1 | SN: 630276-630674 KIT-FLAG: _- SCC: SERIALNO: 630276-630674 |
|||
| ? | 6261-71-6620 | Bracket | 1 | SN: 630276-630674 KIT-FLAG: _- SCC: SERIALNO: 630276-630674 |
|||
| ? | 01435-01030 | Bolt | 9 | SN: 630276-630674 KIT-FLAG: _- SCC: SERIALNO: 630276-630674 |
|||
| ? | 6261-71-6640 | Bracket | 1 | SN: 630276-630674 KIT-FLAG: _- SCC: SERIALNO: 630276-630674 |
|||
| ? | 01010-81030 | Bolt | 6 | SN: 630276-630674 KIT-FLAG: _- SCC: SERIALNO: 630276-630674 |
|||
| ? | 01643-31032 | Washer | 6 | SN: 630276-630674 KIT-FLAG: _- SCC: SERIALNO: 630276-630674 |
|||
| ? | 6261-71-6630 | Plate | 1 | SN: 630276-630674 KIT-FLAG: _- SCC: SERIALNO: 630276-630674 |
|||
| ? | 01010-81045 | Bolt | 2 | SN: 630276-630674 KIT-FLAG: _- SCC: SERIALNO: 630276-630674 |
|||
| ? | 01643-31032 | Washer | 2 | SN: 630276-630674 KIT-FLAG: _- SCC: SERIALNO: 630276-630674 |