k-part
Номер на схеме Каталожный номер Название Количество Детали
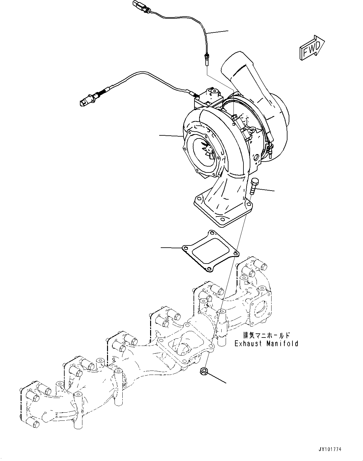
? 6509-12-5040 Turbocharger 1
SN: 710703-
KIT-FLAG: _-
SCC:
SERIALNO: 710703-
? 6509-11-7910 • Sensor Kit, Speed 1
SN: 710703-
KIT-FLAG: _-
SCC:
SERIALNO: 710703-
? 6246-11-5260 Gasket 1
SN: 710703-
KIT-FLAG: _-
SCC:
SERIALNO: 710703-
? 6166-11-9910 Bolt 4
SN: 710703-
KIT-FLAG: _-
SCC:
SERIALNO: 710703-
? 6685-11-5550 Nut 4
SN: 710703-
KIT-FLAG: _-
SCC:
SERIALNO: 710703-

Engines Komatsu / SAA6D170E-7D S/N 710161-UP (For PC1250-11/PC1250LC-11)(1001292C) / Variable Geometry Turbocharger (VGT), Mounting Parts (Coolant Heater, North America EPA 4th Regulations) (#710703-)(A011001 : A1530-002001)
?
?
?
?
?