| Номер на схеме | Каталожный номер | Название | Количество | Детали | |||
|---|---|---|---|---|---|---|---|
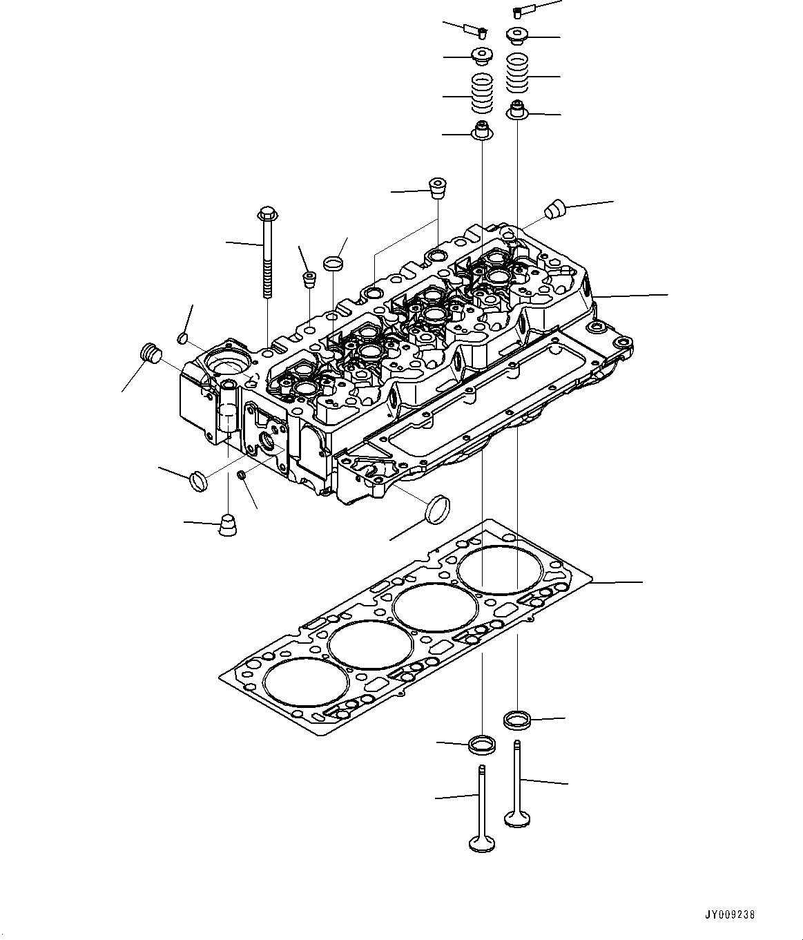
| ? | 6751-11-1210 | Head Assembly | 1 | SN: 26664037- KIT-FLAG: _- SCC: SERIALNO: 26664037- |
|||
| ? | • Head | 1 | SN: 26664037- KIT-FLAG: _- SCC: C1 SERIALNO: 26664037- |
||||
| ? | 6754-11-1150 | • • Plug, Expansion | 5 | SN: 26664037- KIT-FLAG: _- SCC: SERIALNO: 26664037- |
|||
| ? | 6732-21-1820 | • • Plug | 9 | SN: 26664037- KIT-FLAG: _- SCC: SERIALNO: 26664037- |
|||
| ? | 6735-21-5531 | • • Plug, Expansion | 7 | SN: 26664037- KIT-FLAG: _- SCC: SERIALNO: 26664037- |
|||
| ? | 6754-11-1170 | • • Insert, Intake Valve | 8 | SN: 26664037- KIT-FLAG: _- SCC: SERIALNO: 26664037- |
|||
| ? | 6754-11-1180 | • • Insert, Exhaust Valve | 8 | SN: 26664037- KIT-FLAG: _- SCC: SERIALNO: 26664037- |
|||
| ? | 6744-11-1070 | • • Plug, Expansion | 1 | SN: 26664037- KIT-FLAG: _- SCC: SERIALNO: 26664037- |
|||
| ? | 6754-11-1160 | • • Plug, Expansion | 2 | SN: 26664037- KIT-FLAG: _- SCC: SERIALNO: 26664037- |
|||
| ? | • • Head, Cylinder | 1 | SN: 26664037- KIT-FLAG: _- SCC: C1 SERIALNO: 26664037- |
||||
| ? | 6732-21-1981 | • Plug, Pipe | 2 | SN: 26664037- KIT-FLAG: _- SCC: SERIALNO: 26664037- |
|||
| ? | 6732-11-1920 | • Plug | 3 | SN: 26664037- KIT-FLAG: _- SCC: SERIALNO: 26664037- |
|||
| ? | 6732-61-2240 | • Plug | 1 | SN: 26664037- KIT-FLAG: _- SCC: SERIALNO: 26664037- |
|||
| ? | 6216-14-6820 | • Plug Assembly | 1 | SN: 26664037- KIT-FLAG: _- SCC: SERIALNO: 26664037- |
|||
| ? | 6216-14-6860 | • • O-ring | 1 | SN: 26664037- KIT-FLAG: S- SCC: SERIALNO: 26664037- |
|||
| ? | 6754-41-4541 | Seal | 8 | SN: 26664037- KIT-FLAG: _- SCC: SERIALNO: 26664037- |
|||
| ? | 6754-41-4100 | Valve Kit, Intake | 8 | SN: 26664037- KIT-FLAG: _- SCC: SERIALNO: 26664037- |
|||
| ? | 6754-41-4110 | • Valve, Intake | 1 | SN: 26664037- KIT-FLAG: _- SCC: SERIALNO: 26664037- |
|||
| ? | 6744-11-1020 | • Collet | 2 | SN: 26664037- KIT-FLAG: _- SCC: SERIALNO: 26664037- |
|||
| ? | 6754-41-4540 | • Seal | 1 | SN: 26664037- KIT-FLAG: S- SCC: SERIALNO: 26664037- |
|||
| ? | 6754-41-4200 | Valve Kit, Exhaust | 8 | SN: 26664037- KIT-FLAG: _- SCC: SERIALNO: 26664037- |
|||
| ? | 6754-41-4210 | • Valve, Exhaust | 1 | SN: 26664037- KIT-FLAG: _- SCC: SERIALNO: 26664037- |
|||
| ? | 6744-11-1020 | • Collet | 2 | SN: 26664037- KIT-FLAG: _- SCC: SERIALNO: 26664037- |
|||
| ? | 6754-41-4440 | Spring | 16 | SN: 26664037- KIT-FLAG: _- SCC: SERIALNO: 26664037- |
|||
| ? | 6754-41-4510 | Retainer | 16 | SN: 26664037- KIT-FLAG: _- SCC: SERIALNO: 26664037- |
|||
| ? | 6754-11-1610 | Bolt | 18 | SN: 26664037- KIT-FLAG: _- SCC: SERIALNO: 26664037- |
|||
| ? | 6751-11-1810 | Gasket | 1 | SN: 26664037- KIT-FLAG: S- SCC: SERIALNO: 26664037- |