| Номер на схеме | Каталожный номер | Название | Количество | Детали | |||
|---|---|---|---|---|---|---|---|
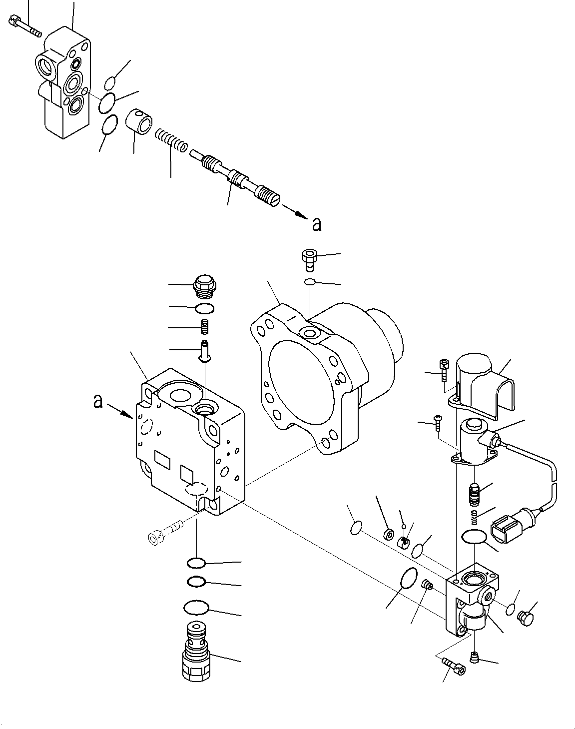
| ? | 708-7S-00550 | Motor Assembly | 1 | SN: 10001- KIT-FLAG: _- SCC: SERIALNO: 10001- |
|||
| ? | (708-7S-11740) | • Case | 1 | SN: 10001- KIT-FLAG: _- SCC: C2 SERIALNO: 10001- |
|||
| ? | 07040-11007 | • Plug | 1 | SN: 10001- KIT-FLAG: _- SCC: SERIALNO: 10001- |
|||
| ? | 07002-21023 | • O-ring | 1 | SN: 10001- KIT-FLAG: _- SCC: SERIALNO: 10001- |
|||
| ? | (708-7S-01430) | • Cover Subassembly | 1 | SN: 10001- KIT-FLAG: _- SCC: C2 SERIALNO: 10001- |
|||
| ? | • • Cover, End | 1 | SN: 10001- KIT-FLAG: _- SCC: C1 SERIALNO: 10001- |
||||
| ? | 708-7R-11210 | • • Valve | 1 | SN: 10001- KIT-FLAG: _- SCC: SERIALNO: 10001- |
|||
| ? | 722-10-91130 | • • Spring | 1 | SN: 10001- KIT-FLAG: _- SCC: SERIALNO: 10001- |
|||
| ? | 709-32-12861 | • • Plug | 1 | SN: 10001- KIT-FLAG: _- SCC: SERIALNO: 10001- |
|||
| ? | 07002-21823 | • • O-ring | 1 | SN: 10001- KIT-FLAG: _- SCC: SERIALNO: 10001- |
|||
| ? | • • Spool | 1 | SN: 10001- KIT-FLAG: _- SCC: C1 SERIALNO: 10001- |
||||
| ? | (708-7S-18120) | • • Spring | 1 | SN: 10001- KIT-FLAG: _- SCC: C2 SERIALNO: 10001- |
|||
| ? | (708-7S-18310) | • • Spacer | 1 | SN: 10001- KIT-FLAG: _- SCC: C2 SERIALNO: 10001- |
|||
| ? | 708-7S-18320 | • • Cover | 1 | SN: 10001- KIT-FLAG: _- SCC: SERIALNO: 10001- |
|||
| ? | 07000-E2020 | • • O-ring | 1 | SN: 10001- KIT-FLAG: _- SCC: SERIALNO: 10001- |
|||
| ? | 07000-E2025 | • • O-ring | 1 | SN: 10001- KIT-FLAG: _- SCC: SERIALNO: 10001- |
|||
| ? | 07000-E2012 | • • O-ring | 1 | SN: 10001- KIT-FLAG: _- SCC: SERIALNO: 10001- |
|||
| ? | 01252-60845 | • • Bolt, Hexagon Socket Head | 4 | SN: 10001- KIT-FLAG: _- SCC: SERIALNO: 10001- |
|||
| ? | (708-7S-01440) | • • Valve Assembly, Pilot | 1 | SN: 10001- KIT-FLAG: _- SCC: C2 SERIALNO: 10001- |
|||
| ? | (702-21-56241) | • • • Solenoid | 1 | SN: 10001- KIT-FLAG: _- SCC: C2 SERIALNO: 10001- |
|||
| ? | (702-21-55870) | • • • O-ring | 1 | SN: 10001- KIT-FLAG: _- SCC: C2 SERIALNO: 10001- |
|||
| ? | • • • Case | 1 | SN: 10001- KIT-FLAG: _- SCC: C1 SERIALNO: 10001- |
||||
| ? | • • • Spool | 1 | SN: 10001- KIT-FLAG: _- SCC: C1 SERIALNO: 10001- |
||||
| ? | (702-21-56220) | • • • Spring | 1 | SN: 10001- KIT-FLAG: _- SCC: C2 SERIALNO: 10001- |
|||
| ? | (708-21-12541) | • • • Plug, Stocking | 1 | SN: 10001- KIT-FLAG: _- SCC: C2 SERIALNO: 10001- |
|||
| ? | 01252-60616 | • • • Bolt, Hexagon Socket Head | 2 | SN: 10001- KIT-FLAG: _- SCC: SERIALNO: 10001- |
|||
| ? | (708-2L-25490) | • • • O-ring | 1 | SN: 10001- KIT-FLAG: _- SCC: C2 SERIALNO: 10001- |
|||
| ? | (708-2L-25480) | • • • Filter | 1 | SN: 10001- KIT-FLAG: _- SCC: C2 SERIALNO: 10001- |
|||
| ? | (702-21-54180) | • • • Screw | 2 | SN: 10001- KIT-FLAG: _- SCC: C2 SERIALNO: 10001- |
|||
| ? | 07000-F1008 | • • • O-ring | 1 | SN: 10001- KIT-FLAG: _- SCC: SERIALNO: 10001- |
|||
| ? | (708-7S-18230) | • • • O-ring | 1 | SN: 10001- KIT-FLAG: _- SCC: C2 SERIALNO: 10001- |
|||
| ? | 07040-11007 | • • • Plug | 1 | SN: 10001- KIT-FLAG: _- SCC: SERIALNO: 10001- |
|||
| ? | 07002-21023 | • • • O-ring | 1 | SN: 10001- KIT-FLAG: _- SCC: SERIALNO: 10001- |
|||
| ? | 708-2L-29460 | • • • Orifice | 1 | SN: 10001- KIT-FLAG: _- SCC: SERIALNO: 10001- |
|||
| ? | (708-1S-18180) | • • • Cover | 1 | SN: 10001- KIT-FLAG: _- SCC: C2 SERIALNO: 10001- |
|||
| ? | 708-7S-18480 | • • • Valve | 1 | SN: 10001- KIT-FLAG: _- SCC: SERIALNO: 10001- |
|||
| ? | • • • Ball | 1 | SN: 10001- KIT-FLAG: _- SCC: C1 SERIALNO: 10001- |
||||
| ? | 01252-60825 | • • Bolt, Hexagon Socket Head | 4 | SN: 10001- KIT-FLAG: _- SCC: SERIALNO: 10001- |
|||
| ? | 708-7T-02281 | • • Valve, Relief | 1 | SN: 10001- KIT-FLAG: _- SCC: SERIALNO: 10001- |
|||
| ? | 07000-F2016 | • • • O-ring | 1 | SN: 10001- KIT-FLAG: _- SCC: SERIALNO: 10001- |
|||
| ? | 07001-02016 | • • • Ring, Back-up | 1 | SN: 10001- KIT-FLAG: _- SCC: SERIALNO: 10001- |
|||
| ? | 07002-12434 | • • • O-ring | 1 | SN: 10001- KIT-FLAG: _- SCC: SERIALNO: 10001- |