| Номер на схеме | Каталожный номер | Название | Количество | Детали | |||
|---|---|---|---|---|---|---|---|
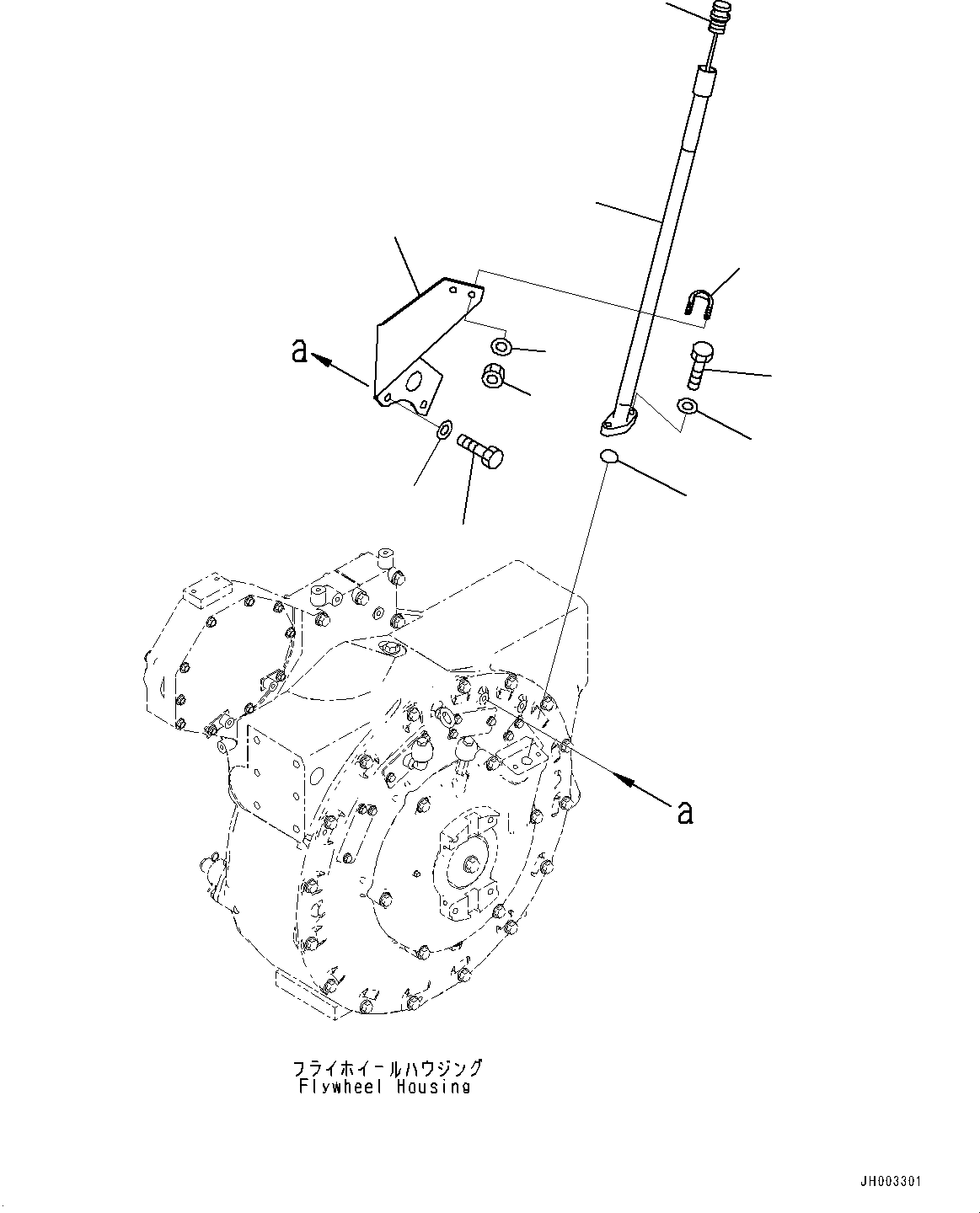
| ? | 195-12-42181 | Tube | 1 | SN: 65001- KIT-FLAG: _- SCC: SERIALNO: 65001- |
|||
| ? | 07000-13028 | O-ring | 1 | SN: 65001- KIT-FLAG: _- SCC: SERIALNO: 65001- |
|||
| ? | 01010-81040 | Bolt | 2 | SN: 65001- KIT-FLAG: _- SCC: SERIALNO: 65001- |
|||
| ? | 01643-31032 | Washer | 2 | SN: 65001- KIT-FLAG: _- SCC: SERIALNO: 65001- |
|||
| ? | 195-12-42241 | Gauge | 1 | SN: 65001- KIT-FLAG: _- SCC: SERIALNO: 65001- |
|||
| ? | 07283-32738 | Clip, Pipe | 1 | SN: 65001- KIT-FLAG: _- SCC: SERIALNO: 65001- |
|||
| ? | 01597-01009 | Nut | 2 | SN: 65001- KIT-FLAG: _- SCC: SERIALNO: 65001- |
|||
| ? | 01643-31032 | Washer | 2 | SN: 65001- KIT-FLAG: _- SCC: SERIALNO: 65001- |
|||
| ? | 195-12-42191 | Bracket | 1 | SN: 65001- KIT-FLAG: _- SCC: SERIALNO: 65001- |
|||
| ? | 01010-81240 | Bolt | 2 | SN: 65001- KIT-FLAG: _- SCC: SERIALNO: 65001- |
|||
| ? | 01643-31232 | Washer | 2 | SN: 65001- KIT-FLAG: _- SCC: SERIALNO: 65001- |