| Номер на схеме | Каталожный номер | Название | Количество | Детали | |||
|---|---|---|---|---|---|---|---|
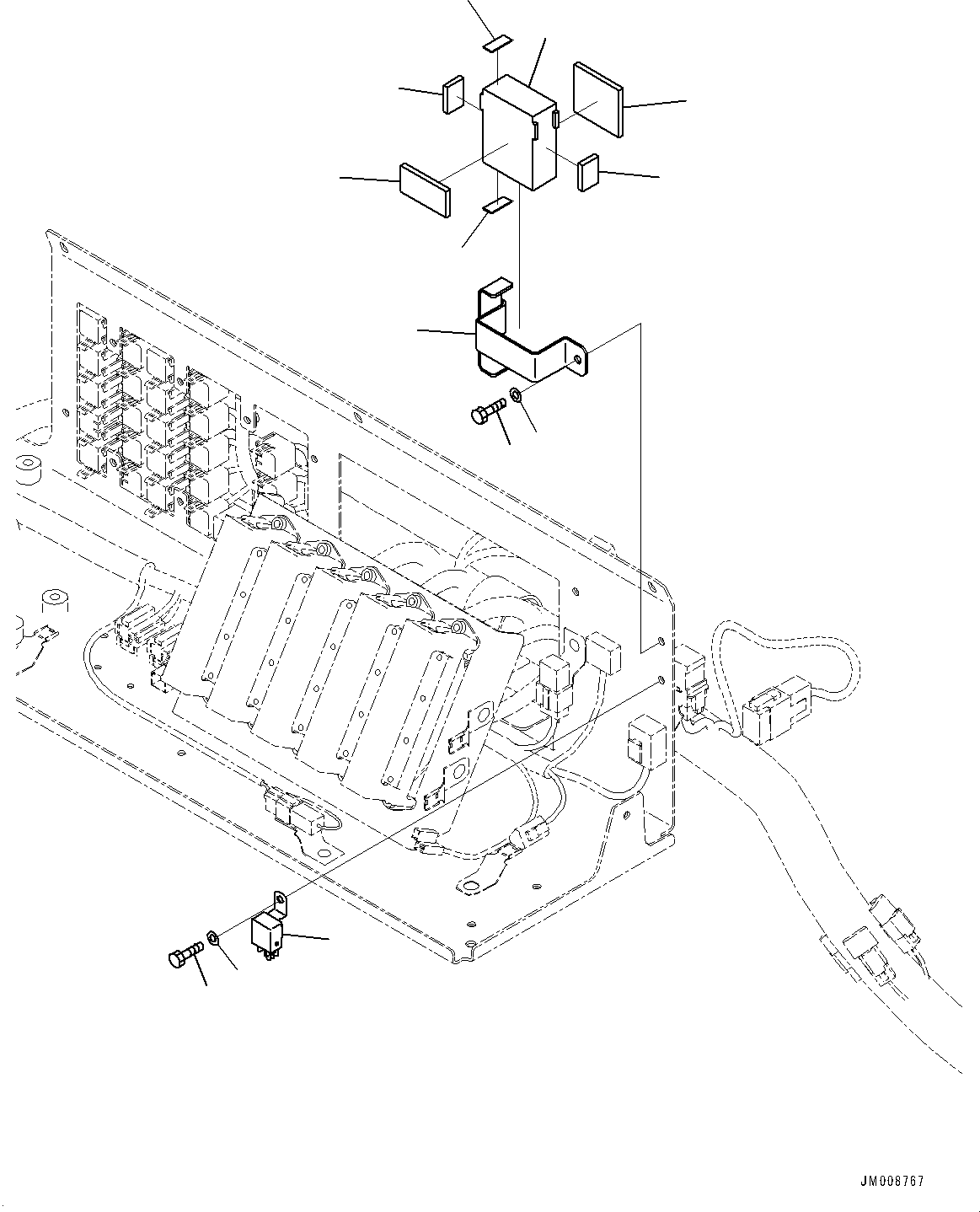
| ? | 56B-06-16842 | Relay, Power Window | 1 | SN: 81028- KIT-FLAG: _- SCC: SERIALNO: 81028- |
|||
| ? | 569-06-86360 | Bracket | 1 | SN: 81028- KIT-FLAG: _- SCC: SERIALNO: 81028- |
|||
| ? | 01010-80616 | Bolt | 2 | SN: 81028- KIT-FLAG: _- SCC: SERIALNO: 81028- |
|||
| ? | 01643-30623 | Washer | 2 | SN: 81028- KIT-FLAG: _- SCC: SERIALNO: 81028- |
|||
| ? | 56B-06-16380 | Sheet | 2 | SN: 81028- KIT-FLAG: _- SCC: SERIALNO: 81028- |
|||
| ? | 56B-06-16390 | Sheet | 1 | SN: 81028- KIT-FLAG: _- SCC: SERIALNO: 81028- |
|||
| ? | 56B-06-16690 | Sheet | 1 | SN: 81028- KIT-FLAG: _- SCC: SERIALNO: 81028- |
|||
| ? | 421-09-21420 | Sheet | 2 | SN: 81028- KIT-FLAG: _- SCC: SERIALNO: 81028- |
|||
| ? | 56D-07-31130 | Relay | 1 | SN: 81028- KIT-FLAG: _- SCC: SERIALNO: 81028- |
|||
| ? | 01010-80616 | Bolt | 1 | SN: 81028- KIT-FLAG: _- SCC: SERIALNO: 81028- |
|||
| ? | 01643-30623 | Washer | 1 | SN: 81028- KIT-FLAG: _- SCC: SERIALNO: 81028- |