k-part
Номер на схеме Каталожный номер Название Количество Детали
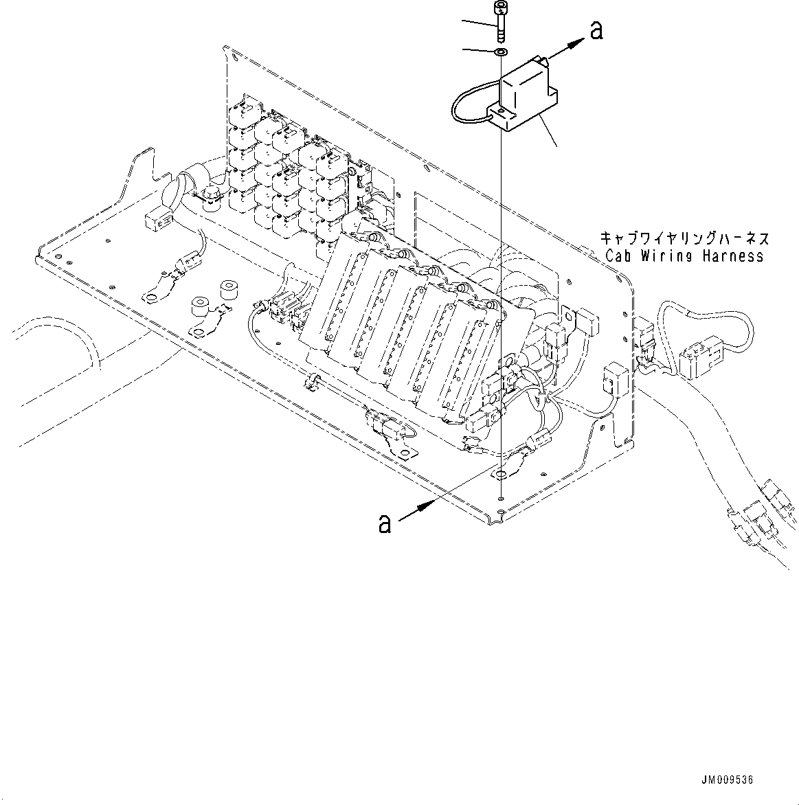
? 7861-93-5350 Sensor, Angle 1
SN: 81001-
KIT-FLAG: _-
SCC:
SERIALNO: 81001-
? 01252-60635 Bolt, Hexagon Socket Head 2
SN: 81001-
KIT-FLAG: _-
SCC:
SERIALNO: 81001-
? 01643-30623 Washer 2
SN: 81001-
KIT-FLAG: _-
SCC:
SERIALNO: 81001-

Dump Trucks Komatsu / HD1500-8 S/N 81001-UP(0001174C) / Cab, Payload Meter Angle Sensor (#81001-)(K002073 : K0200-008073)
?
?
?