k-part
Номер на схеме Каталожный номер Название Количество Детали
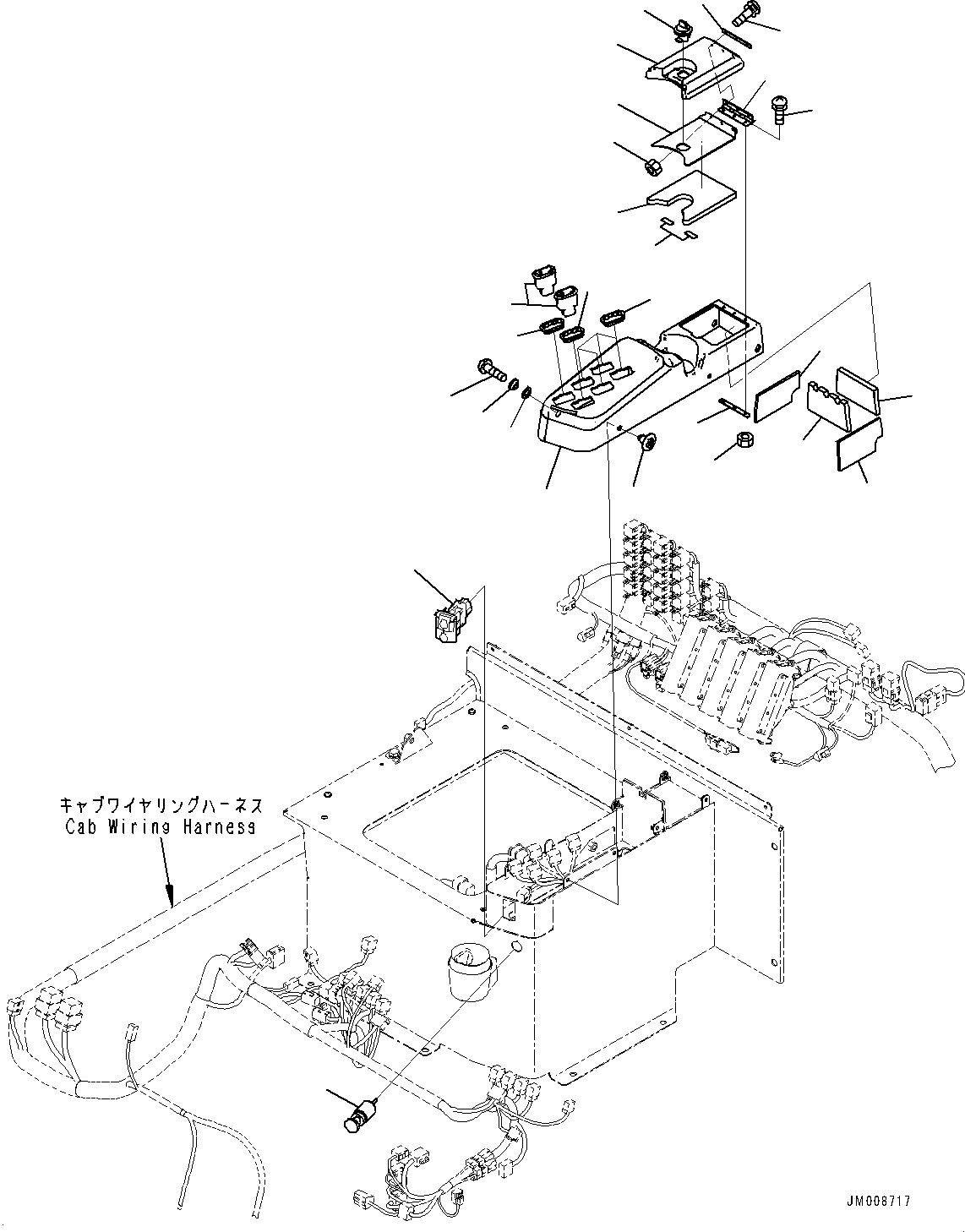
? 562-54-3A610 Cover 1
SN: 81001-81019
KIT-FLAG: _-
SCC:
SERIALNO: 81001-81019
? 09416-10400 Rivet 2
SN: 81001-
KIT-FLAG: _-
SCC:
SERIALNO: 81001-
? 01245-00616 Screw 4
SN: 81001-
KIT-FLAG: _-
SCC:
SERIALNO: 81001-
? 56D-54-35310 Collar 4
SN: 81001-
KIT-FLAG: _-
SCC:
SERIALNO: 81001-
? 56D-54-35320 Washer 4
SN: 81001-
KIT-FLAG: _-
SCC:
SERIALNO: 81001-
? 562-54-3A620 Cover 1
SN: 81001-
KIT-FLAG: _-
SCC:
SERIALNO: 81001-
? 23A-952-1630 Lock 1
SN: 81001-
KIT-FLAG: _-
SCC:
SERIALNO: 81001-
? 562-54-3A720 Sheet 1
SN: 81001-
KIT-FLAG: _-
SCC:
SERIALNO: 81001-
? 562-54-3A730 Sheet 1
SN: 81001-
KIT-FLAG: _-
SCC:
SERIALNO: 81001-
? 562-54-3C960 Sheet 1
SN: 81001-
KIT-FLAG: _-
SCC:
SERIALNO: 81001-
? 562-54-3C970 Sheet 1
SN: 81001-
KIT-FLAG: _-
SCC:
SERIALNO: 81001-
? 562-54-3A630 Sheet 1
SN: 81001-
KIT-FLAG: _-
SCC:
SERIALNO: 81001-
? 421-09-21420 Sheet 2
SN: 81001-
KIT-FLAG: _-
SCC:
SERIALNO: 81001-
? 01023-20414 Screw 6
SN: 81001-
KIT-FLAG: _-
SCC:
SERIALNO: 81001-
? 562-54-3A650 Plate 2
SN: 81001-
KIT-FLAG: _-
SCC:
SERIALNO: 81001-
? 562-54-3A640 Hinge 1
SN: 81001-
KIT-FLAG: _-
SCC:
SERIALNO: 81001-
? 01580-10403 Nut 6
SN: 81001-
KIT-FLAG: _-
SCC:
SERIALNO: 81001-
? 562-54-3A470 Plate 1
SN: 81001-
KIT-FLAG: _-
SCC:
SERIALNO: 81001-
? 56D-06-33881 Switch Assembly, Power Window 2
SN: 81001-
KIT-FLAG: _-
SCC:
SERIALNO: 81001-
? 426-926-6120 Spacer 6
SN: 81001-
KIT-FLAG: _-
SCC:
SERIALNO: 81001-
? 08913-01201 Cigarette Lighter 1
SN: 81001-
KIT-FLAG: _-
SCC:
SERIALNO: 81001-
? 08085-00001 Switch, Engine Shutdown Secondary 1
SN: 81001-
KIT-FLAG: _-
SCC:
SERIALNO: 81001-

Dump Trucks Komatsu / HD1500-8 S/N 81001-UP(0001174C) / Cab, Console Box Switch (With ORBCOMM) (#81001-)(K002056 : K0200-008056)
?
?
?
?
?
?
?
?
?
?
?
?
?
?
?
?
?
?
?
?
?
?
?
?
?
?
?