k-part
Номер на схеме Каталожный номер Название Количество Детали
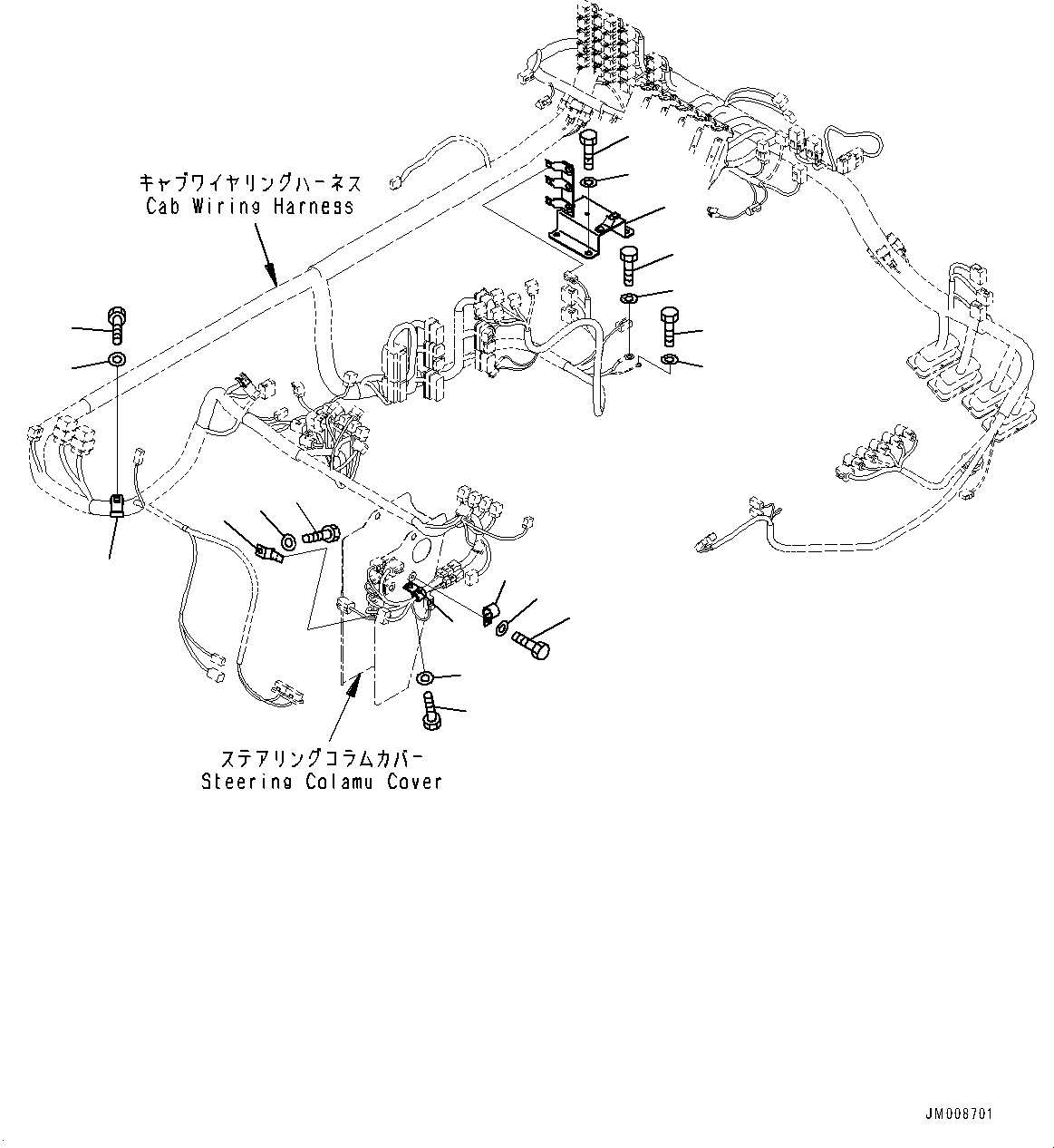
? 421-16-11660 Clip 1
SN: 81001-
KIT-FLAG: _-
SCC:
SERIALNO: 81001-
? 01010-81025 Bolt 1
SN: 81001-
KIT-FLAG: _-
SCC:
SERIALNO: 81001-
? 01643-31032 Washer 1
SN: 81001-
KIT-FLAG: _-
SCC:
SERIALNO: 81001-
? 04434-51510 Clip 1
SN: 81001-
KIT-FLAG: _-
SCC:
SERIALNO: 81001-
? 01010-81016 Bolt 1
SN: 81001-
KIT-FLAG: _-
SCC:
SERIALNO: 81001-
? 01643-31032 Washer 1
SN: 81001-
KIT-FLAG: _-
SCC:
SERIALNO: 81001-
? 04434-52110 Clip 1
SN: 81001-
KIT-FLAG: _-
SCC:
SERIALNO: 81001-
? 01010-81016 Bolt 1
SN: 81001-
KIT-FLAG: _-
SCC:
SERIALNO: 81001-
? 01643-31032 Washer 1
SN: 81001-
KIT-FLAG: _-
SCC:
SERIALNO: 81001-
? 01010-81016 Bolt 1
SN: 81001-
KIT-FLAG: _-
SCC:
SERIALNO: 81001-
? 01643-31032 Washer 1
SN: 81001-
KIT-FLAG: _-
SCC:
SERIALNO: 81001-
? 01010-81016 Bolt 1
SN: 81001-
KIT-FLAG: _-
SCC:
SERIALNO: 81001-
? 01643-31032 Washer 1
SN: 81001-
KIT-FLAG: _-
SCC:
SERIALNO: 81001-
? 08053-01510 Clip 1
SN: 81001-
KIT-FLAG: _-
SCC:
SERIALNO: 81001-
? 01010-81016 Bolt 1
SN: 81001-
KIT-FLAG: _-
SCC:
SERIALNO: 81001-
? 01643-31032 Washer 1
SN: 81001-
KIT-FLAG: _-
SCC:
SERIALNO: 81001-
? 562-06-3A310 Bracket 1
SN: 81001-
KIT-FLAG: _-
SCC:
SERIALNO: 81001-
? 01010-81020 Bolt 4
SN: 81001-
KIT-FLAG: _-
SCC:
SERIALNO: 81001-
? 01643-31032 Washer 4
SN: 81001-
KIT-FLAG: _-
SCC:
SERIALNO: 81001-

Dump Trucks Komatsu / HD1500-8 S/N 81001-UP(0001174C) / Cab, Wiring Harness Mounting (2/3) (#81001-)(K002050 : K0200-008050)
?
?
?
?
?
?
?
?
?
?
?
?
?
?
?
?
?
?
?