| Номер на схеме | Каталожный номер | Название | Количество | Детали | |||
|---|---|---|---|---|---|---|---|
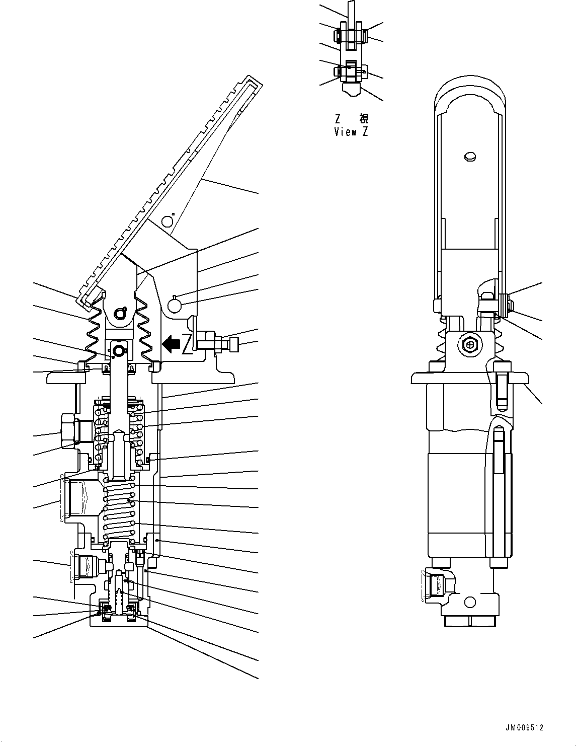
| ? | 562-43-3A120 | Valve | 1 | SN: 81001- KIT-FLAG: _- SCC: SERIALNO: 81001- |
|||
| ? | • Flange | 1 | SN: 81001- KIT-FLAG: _- SCC: C1 SERIALNO: 81001- |
||||
| ? | • Cylinder | 1 | SN: 81001- KIT-FLAG: _- SCC: C1 SERIALNO: 81001- |
||||
| ? | • Cylinder | 1 | SN: 81001- KIT-FLAG: _- SCC: C1 SERIALNO: 81001- |
||||
| ? | • Spool | 1 | SN: 81001- KIT-FLAG: _- SCC: C1 SERIALNO: 81001- |
||||
| ? | • Plunger | 1 | SN: 81001- KIT-FLAG: _- SCC: C1 SERIALNO: 81001- |
||||
| ? | 421-43-27240 | • Retainer | 1 | SN: 81001- KIT-FLAG: _- SCC: SERIALNO: 81001- |
|||
| ? | 04064-01510 | • Ring, Snap | 1 | SN: 81001- KIT-FLAG: _- SCC: SERIALNO: 81001- |
|||
| ? | 07002-03634 | • O-ring | 1 | SN: 81001- KIT-FLAG: _- SCC: SERIALNO: 81001- |
|||
| ? | 421-43-27710 | • Spring | 1 | SN: 81001- KIT-FLAG: _- SCC: SERIALNO: 81001- |
|||
| ? | • Nut | 1 | SN: 81001- KIT-FLAG: _- SCC: C1 SERIALNO: 81001- |
||||
| ? | 421-43-27180 | • O-ring | 1 | SN: 81001- KIT-FLAG: _- SCC: SERIALNO: 81001- |
|||
| ? | • O-ring | 1 | SN: 81001- KIT-FLAG: _- SCC: C1 SERIALNO: 81001- |
||||
| ? | • Holder | 1 | SN: 81001- KIT-FLAG: _- SCC: C1 SERIALNO: 81001- |
||||
| ? | • Spring | 1 | SN: 81001- KIT-FLAG: _- SCC: C1 SERIALNO: 81001- |
||||
| ? | • Spring | 1 | SN: 81001- KIT-FLAG: _- SCC: C1 SERIALNO: 81001- |
||||
| ? | • Spring | 1 | SN: 81001- KIT-FLAG: _- SCC: C1 SERIALNO: 81001- |
||||
| ? | • Retainer | 1 | SN: 81001- KIT-FLAG: _- SCC: C1 SERIALNO: 81001- |
||||
| ? | 07017-10016 | • Seal, Oil | 1 | SN: 81001- KIT-FLAG: _- SCC: SERIALNO: 81001- |
|||
| ? | • Boot | 1 | SN: 81001- KIT-FLAG: _- SCC: C1 SERIALNO: 81001- |
||||
| ? | • Rod | 1 | SN: 81001- KIT-FLAG: _- SCC: C1 SERIALNO: 81001- |
||||
| ? | • Clevis | 1 | SN: 81001- KIT-FLAG: _- SCC: C1 SERIALNO: 81001- |
||||
| ? | • Pin | 1 | SN: 81001- KIT-FLAG: _- SCC: C1 SERIALNO: 81001- |
||||
| ? | • Pin | 2 | SN: 81001- KIT-FLAG: _- SCC: C1 SERIALNO: 81001- |
||||
| ? | 421-43-27390 | • Pin | 3 | SN: 81001- KIT-FLAG: _- SCC: SERIALNO: 81001- |
|||
| ? | 421-43-27380 | • Pin | 1 | SN: 81001- KIT-FLAG: _- SCC: SERIALNO: 81001- |
|||
| ? | • Pin | 1 | SN: 81001- KIT-FLAG: _- SCC: C1 SERIALNO: 81001- |
||||
| ? | • Bushing | 1 | SN: 81001- KIT-FLAG: _- SCC: C1 SERIALNO: 81001- |
||||
| ? | 421-43-27130 | • Plate | 1 | SN: 81001- KIT-FLAG: _- SCC: SERIALNO: 81001- |
|||
| ? | • Bushing | 1 | SN: 81001- KIT-FLAG: _- SCC: C1 SERIALNO: 81001- |
||||
| ? | • Plate | 1 | SN: 81001- KIT-FLAG: _- SCC: C1 SERIALNO: 81001- |
||||
| ? | • Plate | 1 | SN: 81001- KIT-FLAG: _- SCC: C1 SERIALNO: 81001- |
||||
| ? | • Bracket | 1 | SN: 81001- KIT-FLAG: _- SCC: C1 SERIALNO: 81001- |
||||
| ? | 421-43-27380 | • Pin | 1 | SN: 81001- KIT-FLAG: _- SCC: SERIALNO: 81001- |
|||
| ? | • Washer | 4 | SN: 81001- KIT-FLAG: _- SCC: C1 SERIALNO: 81001- |
||||
| ? | • Bushing | 2 | SN: 81001- KIT-FLAG: _- SCC: C1 SERIALNO: 81001- |
||||
| ? | • Pad | 1 | SN: 81001- KIT-FLAG: _- SCC: C1 SERIALNO: 81001- |
||||
| ? | 01252-41025 | • Bolt | 4 | SN: 81001- KIT-FLAG: _- SCC: SERIALNO: 81001- |
|||
| ? | 421-43-27170 | • Bolt | 4 | SN: 81001- KIT-FLAG: _- SCC: SERIALNO: 81001- |
|||
| ? | • Bolt | 1 | SN: 81001- KIT-FLAG: _- SCC: C1 SERIALNO: 81001- |
||||
| ? | 01580-10806 | • Nut | 1 | SN: 81001- KIT-FLAG: _- SCC: SERIALNO: 81001- |
|||
| ? | • Cap | 2 | SN: 81001- KIT-FLAG: _- SCC: C1 SERIALNO: 81001- |
||||
| ? | • Cap | 1 | SN: 81001- KIT-FLAG: _- SCC: C1 SERIALNO: 81001- |
||||
| ? | • Plug | 1 | SN: 81001- KIT-FLAG: _- SCC: C1 SERIALNO: 81001- |
||||
| ? | • O-ring | 1 | SN: 81001- KIT-FLAG: _- SCC: C1 SERIALNO: 81001- |
||||
| ? | • Orifice | 1 | SN: 81001- KIT-FLAG: _- SCC: C1 SERIALNO: 81001- |