k-part
Номер на схеме Каталожный номер Название Количество Детали
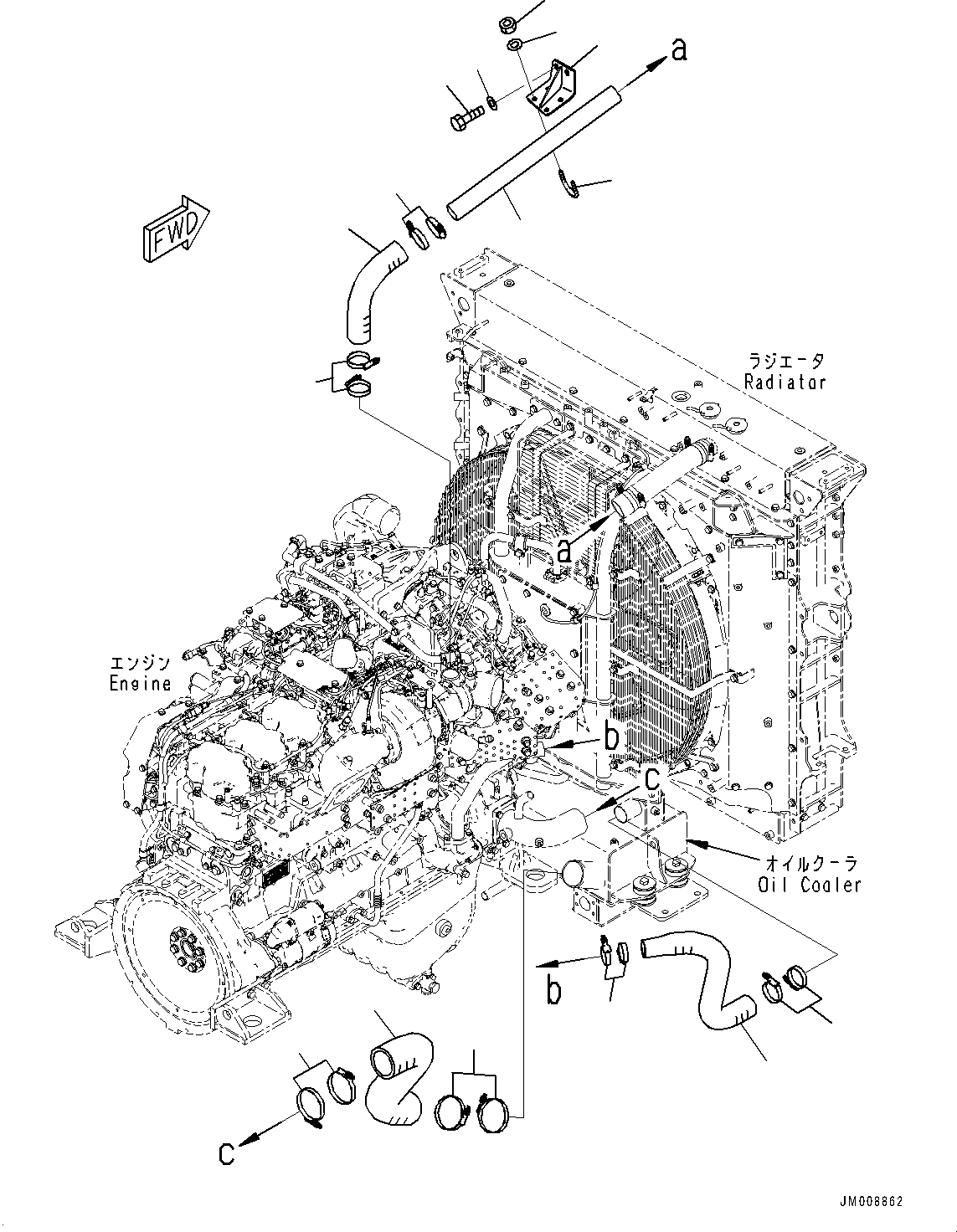
? 566-03-8M150 Hose 1
SN: 50001-
KIT-FLAG: _-
SCC:
SERIALNO: 50001-
? 566-03-8M140 Tube 1
SN: 50001-
KIT-FLAG: _-
SCC:
SERIALNO: 50001-
? 07299-00080 Clamp, Hose 4
SN: 50001-
KIT-FLAG: _-
SCC:
SERIALNO: 50001-
? 566-03-8M160 Bracket 1
SN: 50001-
KIT-FLAG: _-
SCC:
SERIALNO: 50001-
? 07283-36155 Clip 2
SN: 50001-
KIT-FLAG: _-
SCC:
SERIALNO: 50001-
? 01643-31032 Washer 4
SN: 50001-
KIT-FLAG: _-
SCC:
SERIALNO: 50001-
? 22P-70-12160 Nut 4
SN: 50001-
KIT-FLAG: _-
SCC:
SERIALNO: 50001-
? 01010-81230 Bolt 2
SN: 50001-
KIT-FLAG: _-
SCC:
SERIALNO: 50001-
? 01643-31232 Washer 2
SN: 50001-
KIT-FLAG: _-
SCC:
SERIALNO: 50001-
? 566-03-8M120 Hose 1
SN: 50001-
KIT-FLAG: _-
SCC:
SERIALNO: 50001-
? 07299-00105 Clamp 4
SN: 50001-
KIT-FLAG: _-
SCC:
SERIALNO: 50001-
? 566-03-8M210 Hose 1
SN: 50001-
KIT-FLAG: _-
SCC:
SERIALNO: 50001-
? 07299-00055 Clamp 2
SN: 50001-
KIT-FLAG: _-
SCC:
SERIALNO: 50001-
? 07299-00080 Clamp, Hose 2
SN: 50001-
KIT-FLAG: _-
SCC:
SERIALNO: 50001-

Dump Trucks Komatsu / HD325-8 S/N 50001-UP(0001112C) / Coolant Piping, Engine Piping (#50001-)(C002001 : C0120-001001)
?
?
?
?
?
?
?
?
?
?
?
?
?
?
?
?