k-part
Номер на схеме Каталожный номер Название Количество Детали
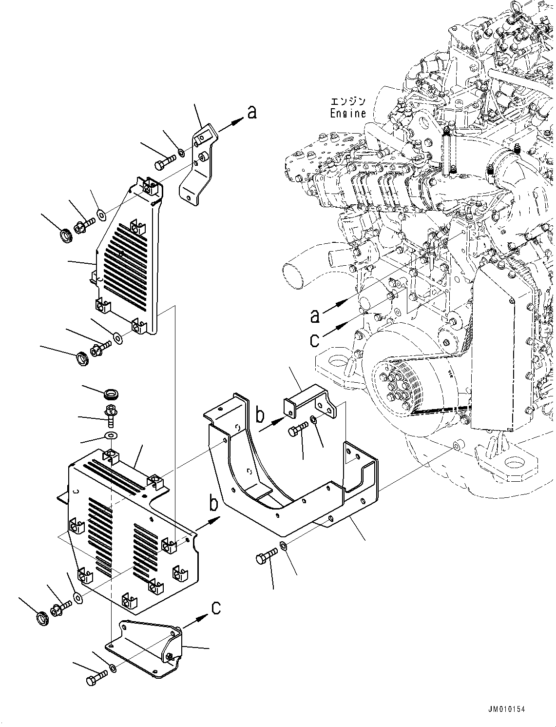
? 566-01-8L181 Cover 1
SN: 50001-
KIT-FLAG: _-
SCC:
SERIALNO: 50001-
? 01643-31445 Washer, Flat 4
SN: 50001-
KIT-FLAG: _-
SCC:
SERIALNO: 50001-
? 01010-81430 Bolt 4
SN: 50001-
KIT-FLAG: _-
SCC:
SERIALNO: 50001-
? 566-01-8L280 Cover Assembly 1
SN: 50001-
KIT-FLAG: _-
SCC:
SERIALNO: 50001-
? 17M-911-6330 • Grommet 9
SN: 50001-
KIT-FLAG: _-
SCC:
SERIALNO: 50001-
? 203-54-56970 • Washer 9
SN: 50001-
KIT-FLAG: _-
SCC:
SERIALNO: 50001-
? • Cover 1
SN: 50001-
KIT-FLAG: _-
SCC: C1
SERIALNO: 50001-
? 01026-A1025 • Bolt 9
SN: 50001-
KIT-FLAG: _-
SCC:
SERIALNO: 50001-
? 566-01-8L290 Cover Assembly 1
SN: 50001-
KIT-FLAG: _-
SCC:
SERIALNO: 50001-
? 17M-911-6330 • Grommet 6
SN: 50001-
KIT-FLAG: _-
SCC:
SERIALNO: 50001-
? 203-54-56970 • Washer 6
SN: 50001-
KIT-FLAG: _-
SCC:
SERIALNO: 50001-
? • Cover 1
SN: 50001-
KIT-FLAG: _-
SCC: C1
SERIALNO: 50001-
? 01026-A1025 • Bolt 6
SN: 50001-
KIT-FLAG: _-
SCC:
SERIALNO: 50001-
? 566-01-8L240 Bracket 1
SN: 50001-
KIT-FLAG: _-
SCC:
SERIALNO: 50001-
? 01010-81235 Bolt 2
SN: 50001-
KIT-FLAG: _-
SCC:
SERIALNO: 50001-
? 01643-31232 Washer 2
SN: 50001-
KIT-FLAG: _-
SCC:
SERIALNO: 50001-
? 566-01-8L221 Bracket 1
SN: 50001-
KIT-FLAG: _-
SCC:
SERIALNO: 50001-
? 01010-81245 Bolt 3
SN: 50001-
KIT-FLAG: _-
SCC:
SERIALNO: 50001-
? 01643-31232 Washer 3
SN: 50001-
KIT-FLAG: _-
SCC:
SERIALNO: 50001-
? 566-01-8L231 Bracket 1
SN: 50001-
KIT-FLAG: _-
SCC:
SERIALNO: 50001-
? 423-54-63280 Washer 2
SN: 50001-
KIT-FLAG: _-
SCC:
SERIALNO: 50001-
? 01010-81040 Bolt 2
SN: 50001-
KIT-FLAG: _-
SCC:
SERIALNO: 50001-

Dump Trucks Komatsu / HD325-8 S/N 50001-UP(0001112C) / Engine Mounting, (2/2) (EU Safety Regulation) (#50001-)(B009002 : B0100-003002)
?
?
?
?
?
?
?
?
?
?
?
?
?
?
?
?
?
?
?
?
?
?
?
?
?
?