| Номер на схеме | Каталожный номер | Название | Количество | Детали | |||
|---|---|---|---|---|---|---|---|
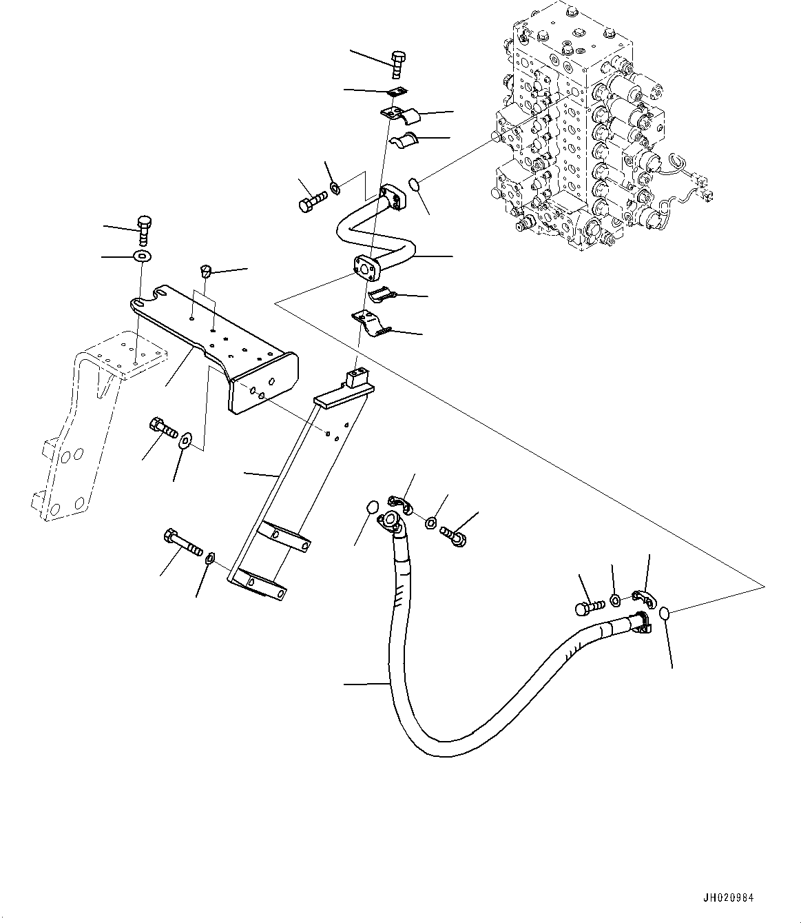
| ? | 2A5-62-22470 | Bracket | 1 | SN: 500470- KIT-FLAG: _- SCC: SERIALNO: 500470- |
|||
| ? | 07371-31049 | Flange, Split | 2 | SN: 500470- KIT-FLAG: _- SCC: SERIALNO: 500470- |
|||
| ? | 07372-21035 | Bolt | 4 | SN: 500470- KIT-FLAG: _- SCC: SERIALNO: 500470- |
|||
| ? | 01643-51032 | Washer | 4 | SN: 500470- KIT-FLAG: _- SCC: SERIALNO: 500470- |
|||
| ? | 207-62-52431 | Clamp | 2 | SN: 500470- KIT-FLAG: _- SCC: SERIALNO: 500470- |
|||
| ? | 205-62-73430 | • Seat | 1 | SN: 500470- KIT-FLAG: _- SCC: SERIALNO: 500470- |
|||
| ? | 20Y-62-13450 | Plate | 1 | SN: 500470- KIT-FLAG: _- SCC: SERIALNO: 500470- |
|||
| ? | 01010-81240 | Bolt | 2 | SN: 500470- KIT-FLAG: _- SCC: SERIALNO: 500470- |
|||
| ? | 01010-81285 | Bolt | 4 | SN: 500470- KIT-FLAG: _- SCC: SERIALNO: 500470- |
|||
| ? | 01643-31232 | Washer | 4 | SN: 500470- KIT-FLAG: _- SCC: SERIALNO: 500470- |
|||
| ? | 2A5-62-26160 | Tube | 1 | SN: 500470- KIT-FLAG: _- SCC: SERIALNO: 500470- |
|||
| ? | 07000-13035 | O-ring | 1 | SN: 500470- KIT-FLAG: _- SCC: SERIALNO: 500470- |
|||
| ? | 07372-21040 | Bolt | 4 | SN: 500470- KIT-FLAG: _- SCC: SERIALNO: 500470- |
|||
| ? | 01643-51032 | Washer | 4 | SN: 500470- KIT-FLAG: _- SCC: SERIALNO: 500470- |
|||
| ? | 2A5-62-19261 | Hose | 1 | SN: 500470- KIT-FLAG: _- SCC: SERIALNO: 500470- |
|||
| ? | 07000-13032 | O-ring | 2 | SN: 500470- KIT-FLAG: _- SCC: SERIALNO: 500470- |
|||
| ? | 07371-31049 | Flange, Split | 2 | SN: 500470- KIT-FLAG: _- SCC: SERIALNO: 500470- |
|||
| ? | 07372-21035 | Bolt | 4 | SN: 500470- KIT-FLAG: _- SCC: SERIALNO: 500470- |
|||
| ? | 01643-51032 | Washer | 4 | SN: 500470- KIT-FLAG: _- SCC: SERIALNO: 500470- |
|||
| ? | 2A5-62-12753 | Bracket | 1 | SN: 500470- KIT-FLAG: _- SCC: SERIALNO: 500470- |
|||
| ? | 07049-01215 | Plug | 2 | SN: 500470- KIT-FLAG: _- SCC: SERIALNO: 500470- |
|||
| ? | 01010-81235 | Bolt | 5 | SN: 500470- KIT-FLAG: _- SCC: SERIALNO: 500470- |
|||
| ? | 175-54-34170 | Washer | 5 | SN: 500470- KIT-FLAG: _- SCC: SERIALNO: 500470- |