k-part
Номер на схеме Каталожный номер Название Количество Детали
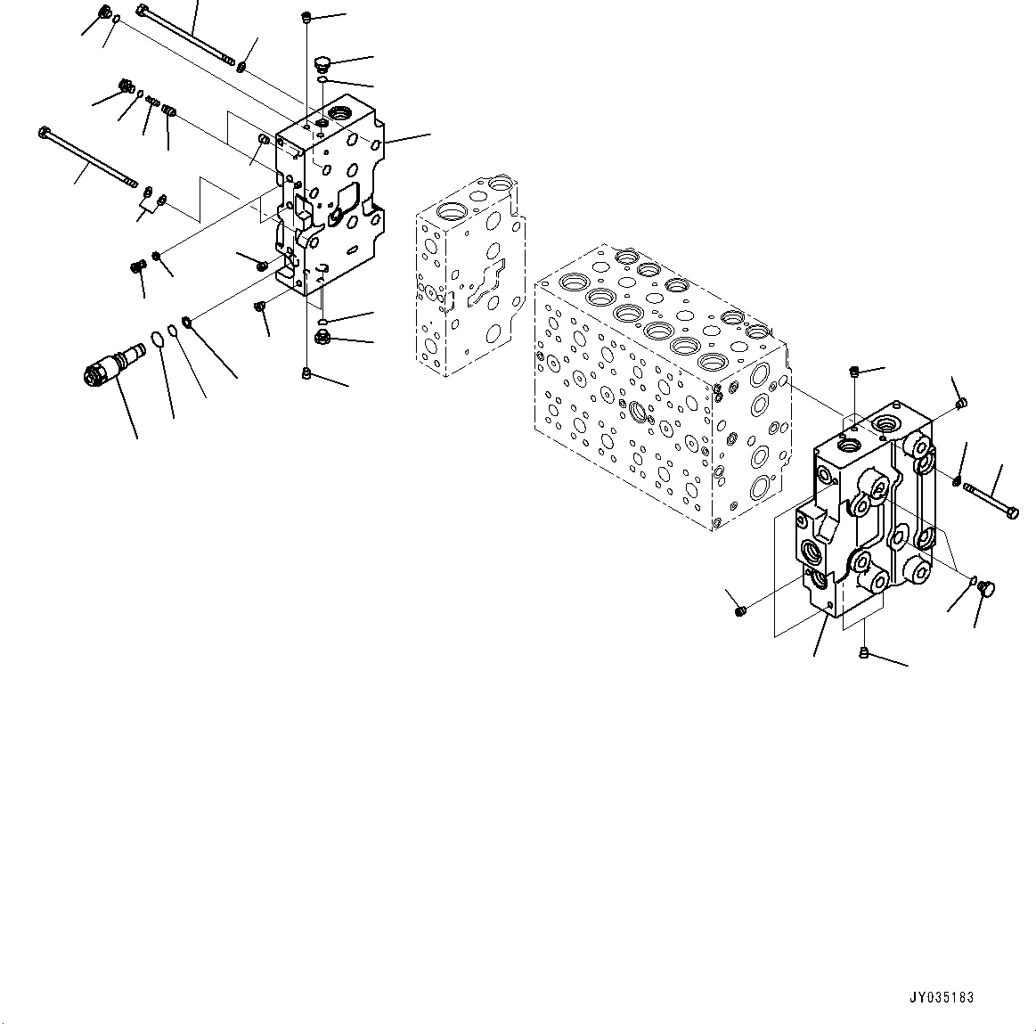
? 723-47-30102 Valve, Control 1
SN: 501287-
KIT-FLAG: _-
SCC:
SERIALNO: 501287-
? 723-47-30101 Valve, Control 1
SN: 500566-501286
KIT-FLAG: _-
SCC: A2
SERIALNO: 500566-501286
? 723-47-30100 Valve, Control 1
SN: 500470-500565
KIT-FLAG: _-
SCC: A2
SERIALNO: 500470-500565
? 723-46-00630 • Cover Assembly 1
SN: 500470-
KIT-FLAG: _-
SCC:
SERIALNO: 500470-
? • • Cover 1
SN: 500470-
KIT-FLAG: _-
SCC: C1
SERIALNO: 500470-
? • • Plug, Stocking 7
SN: 500470-
KIT-FLAG: _-
SCC: C1
SERIALNO: 500470-
? • • Plug 1
SN: 500470-
KIT-FLAG: _-
SCC: C1
SERIALNO: 500470-
? 723-46-00840 • Cover Assembly 1
SN: 500470-
KIT-FLAG: _-
SCC:
SERIALNO: 500470-
? • • Cover 1
SN: 500470-
KIT-FLAG: _-
SCC: C1
SERIALNO: 500470-
? • • Plug, Stocking 10
SN: 500470-
KIT-FLAG: _-
SCC: C1
SERIALNO: 500470-
? 708-8E-16250 • Plug 4
SN: 500470-
KIT-FLAG: _-
SCC:
SERIALNO: 500470-
? 07002-11823 • O-ring 4
SN: 500470-
KIT-FLAG: _-
SCC:
SERIALNO: 500470-
? 708-8H-11530 • Plug 1
SN: 500470-
KIT-FLAG: _-
SCC:
SERIALNO: 500470-
? 07002-11423 • O-ring 1
SN: 500470-
KIT-FLAG: _-
SCC:
SERIALNO: 500470-
? 723-46-17600 • Plug Assembly 1
SN: 500470-
KIT-FLAG: _-
SCC:
SERIALNO: 500470-
? 07002-11423 • • O-ring 1
SN: 500470-
KIT-FLAG: _-
SCC:
SERIALNO: 500470-
? 07000-11007 • • O-ring 1
SN: 500470-
KIT-FLAG: _-
SCC:
SERIALNO: 500470-
? • • Ring, Back-up 1
SN: 500470-
KIT-FLAG: _-
SCC: C1
SERIALNO: 500470-
? 723-40-82220 • Filter 2
SN: 500470-
KIT-FLAG: _-
SCC:
SERIALNO: 500470-
? 723-46-17550 • Plug 2
SN: 500470-
KIT-FLAG: _-
SCC:
SERIALNO: 500470-
? 723-46-15190 • Valve 2
SN: 500470-
KIT-FLAG: _-
SCC:
SERIALNO: 500470-
? 723-46-14140 • Spring 2
SN: 500470-
KIT-FLAG: _-
SCC:
SERIALNO: 500470-
? 708-8E-16160 • Plug 2
SN: 500470-
KIT-FLAG: _-
SCC:
SERIALNO: 500470-
? 07002-11023 • O-ring 2
SN: 500470-
KIT-FLAG: _-
SCC:
SERIALNO: 500470-
? 01011-61405 • Bolt 4
SN: 500470-
KIT-FLAG: _-
SCC:
SERIALNO: 500470-
? 01643-31445 • Washer, Flat 10
SN: 500470-
KIT-FLAG: _-
SCC:
SERIALNO: 500470-
? 01011-61455 • Bolt 4
SN: 500470-
KIT-FLAG: _-
SCC:
SERIALNO: 500470-

Excavators Komatsu / PC210LCI-11 S/N 500470-UP(0001123C) / Control Valve, 7-Spool (7/21) (7-Spool) (#500470-)(H006008 : H0120-002008)
?
?
?
?
?
?
?
?
?
?
?
?
?
?
?
?
?
?
?
?
?
?
?
?
?
?
?
?
?
?
?
?
?
?
?