| Номер на схеме | Каталожный номер | Название | Количество | Детали | |||
|---|---|---|---|---|---|---|---|
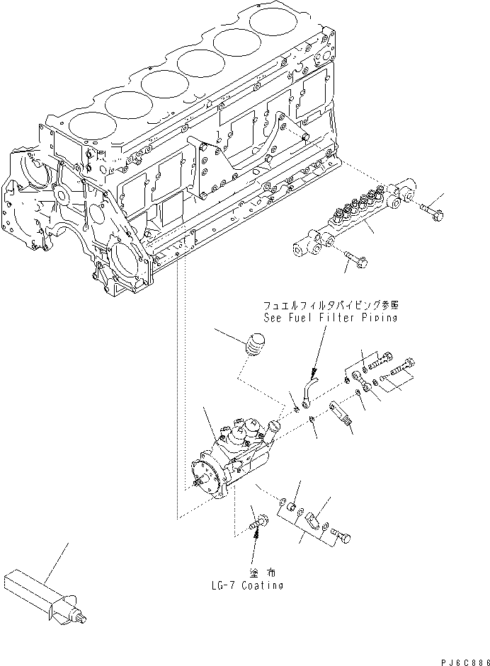
| ? | (6156-71-1131) | FUEL PUMP ASS'Y{(SEE FIG.A4010-C3X6)} | 1 | Field_1: Field_2: Y400001 Field_3: Field_4: Field_5: 1 Field_6: X16-0376080 Field_7: Field_8: Field_9: Field_10: Field_11: Field_12: Field_13: Field_14: |
|||
| ? | (6156-71-1130) | FUEL PUMP ASS'Y{(SEE FIG.A4010-C3X6)} | 1 | Field_1: Field_2: Y400001 Field_3: 315419 Field_4: A2 Field_5: 2 Field_6: X16-0376080 Field_7: Field_8: Field_9: Field_10: Field_11: Field_12: Field_13: Field_14: |
|||
| ? | 01435-01035 | BOLT | 4 | Field_1: Field_2: Y400001 Field_3: Field_4: Field_5: 3 Field_6: X16-0376080 Field_7: Field_8: Field_9: Field_10: Field_11: Field_12: Field_13: Field_14: |
|||
| ? | 6217-71-5910 | TUBE | 1 | Field_1: Field_2: Y400001 Field_3: Field_4: Field_5: 4 Field_6: X16-0376080 Field_7: Field_8: Field_9: Field_10: Field_11: Field_12: Field_13: Field_14: |
|||
| ? | 6217-71-1910 | COVER | 1 | Field_1: Field_2: Y400001 Field_3: Field_4: Field_5: 5 Field_6: X16-0376080 Field_7: Field_8: Field_9: Field_10: Field_11: Field_12: Field_13: Field_14: |
|||
| ? | 6151-51-8490 | SPACER | 1 | Field_1: Field_2: Y400001 Field_3: Field_4: Field_5: 6 Field_6: X16-0376080 Field_7: Field_8: Field_9: Field_10: Field_11: Field_12: Field_13: Field_14: |
|||
| ? | 6151-71-8810 | JOINT | 1 | Field_1: Field_2: Y400001 Field_3: Field_4: Field_5: 7 Field_6: X16-0376080 Field_7: Field_8: Field_9: Field_10: Field_11: Field_12: Field_13: Field_14: |
|||
| ? | 6156-71-5980 | JOINT | 1 | Field_1: Field_2: Y400001 Field_3: Field_4: Field_5: 8 Field_6: X16-0376080 Field_7: Field_8: Field_9: Field_10: Field_11: Field_12: Field_13: Field_14: |
|||
| ? | 6217-71-1211 | RAIL ASS'Y{(SEE FIG.A4010-E3X6)} | 1 | Field_1: Field_2: Y400001 Field_3: Field_4: Field_5: 9 Field_6: X16-0376080 Field_7: Field_8: Field_9: Field_10: Field_11: Field_12: Field_13: Field_14: |
|||
| ? | 01435-01050 | BOLT | 2 | Field_1: Field_2: Y400001 Field_3: Field_4: Field_5: 10 Field_6: X16-0376080 Field_7: Field_8: Field_9: Field_10: Field_11: Field_12: Field_13: Field_14: |
|||
| ? | (09920-00150) | LIQUID GASKET{LG-7, 150G} | A/R | Field_1: Field_2: Y400001 Field_3: Field_4: Field_5: 11 Field_6: X16-0376080 Field_7: Field_8: Field_9: Field_10: Field_11: Field_12: Field_13: Field_14: |