k-part
Номер на схеме Каталожный номер Название Количество Детали
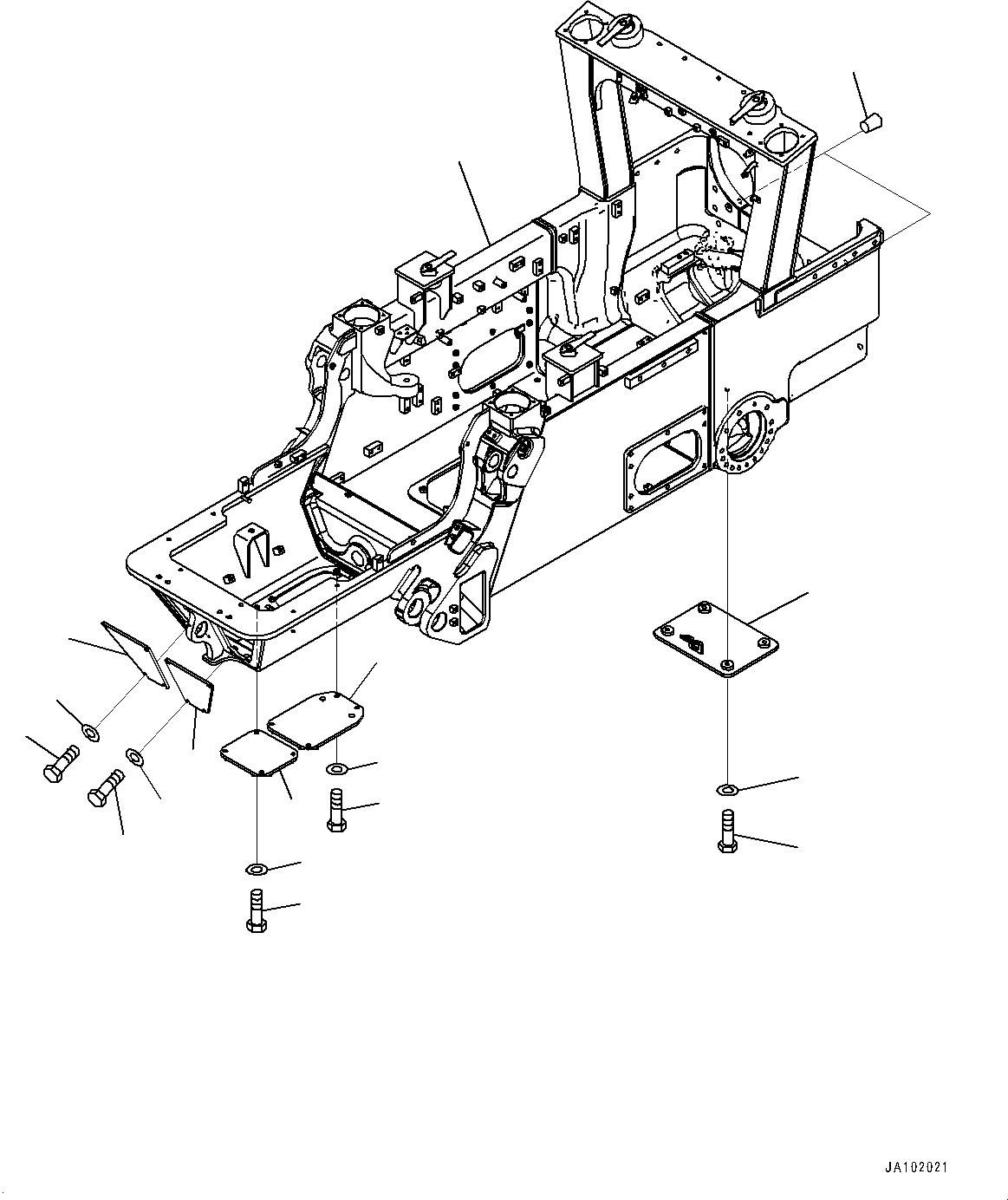
? 12Y-21-31104 Frame Assembly 1
SN: 10627-
KIT-FLAG: _-
SCC:
SERIALNO: 10627-
? 07049-02228 Plug, Cork 2
SN: 10001-
KIT-FLAG: _-
SCC:
SERIALNO: 10001-
? 12Y-21-31151 Cover 1
SN: 10627-
KIT-FLAG: _-
SCC:
SERIALNO: 10627-
? 12Y-21-31950 Cover 1
SN: 10627-
KIT-FLAG: _-
SCC:
SERIALNO: 10627-
? 12Y-21-31211 Plate 1
SN: 10627-
KIT-FLAG: _-
SCC:
SERIALNO: 10627-
? 12Y-21-31290 Plate 1
SN: 10627-
KIT-FLAG: _-
SCC:
SERIALNO: 10627-
? 12Y-21-31710 Cover 1
SN: 10001-
KIT-FLAG: _-
SCC:
SERIALNO: 10001-
? 01010-81230 Bolt 8
SN: 10627-
KIT-FLAG: _-
SCC:
SERIALNO: 10627-
? 01643-31232 Washer 8
SN: 10627-
KIT-FLAG: _-
SCC:
SERIALNO: 10627-
? 01010-81240 Bolt 12
SN: 10627-
KIT-FLAG: _-
SCC:
SERIALNO: 10627-
? 01643-31232 Washer 12
SN: 10627-
KIT-FLAG: _-
SCC:
SERIALNO: 10627-

Bulldozers Komatsu / D51EX-24 S/N 10001-UP(0001119C) / Main Frame, Frame and Cover (With Fixed Digging Angle Multi-shank ripper or Towing Winch)(#10627-)(J004002 : J2100-003001A)
?
?
?
?
?
?
?
?
?
?
?
?
?
?
?
?
?