k-part
Номер на схеме Каталожный номер Название Количество Детали
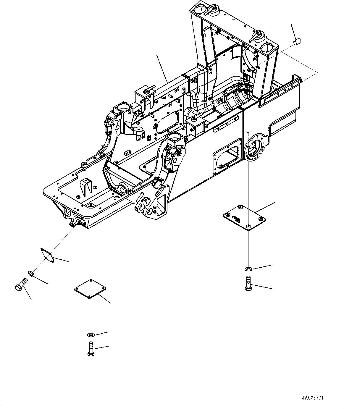
? 12Y-21-31103 Frame Assembly 1
SN: 10001-10626
KIT-FLAG: _-
SCC:
SERIALNO: 10001-10626
? 07049-02228 Plug, Cork 2
SN: 10001-@
KIT-FLAG: _-
SCC:
SERIALNO: 10001-@
? 12Y-21-31150 Cover 1
SN: 10001-10626
KIT-FLAG: _-
SCC:
SERIALNO: 10001-10626
? 12Y-21-31210 Plate 1
SN: 10001-10626
KIT-FLAG: _-
SCC:
SERIALNO: 10001-10626
? 12Y-21-31710 Cover 1
SN: 10001-@
KIT-FLAG: _-
SCC:
SERIALNO: 10001-@
? 01010-81230 Bolt 4
SN: 10001-10626
KIT-FLAG: _-
SCC:
SERIALNO: 10001-10626
? 01643-31232 Washer 4
SN: 10001-10626
KIT-FLAG: _-
SCC:
SERIALNO: 10001-10626
? 01010-81240 Bolt 8
SN: 10001-10626
KIT-FLAG: _-
SCC:
SERIALNO: 10001-10626
? 01643-31232 Washer 8
SN: 10001-10626
KIT-FLAG: _-
SCC:
SERIALNO: 10001-10626

Bulldozers Komatsu / D51EX-24 S/N 10001-UP(0001119C) / Main Frame, Frame and Cover (With Fixed Digging Angle Multi-shank ripper or Towing Winch)(#10001-10626)(J004001 : J2100-003001)
?
?
?
?
?
?
?
?
?
?
?