| Номер на схеме | Каталожный номер | Название | Количество | Детали | |||
|---|---|---|---|---|---|---|---|
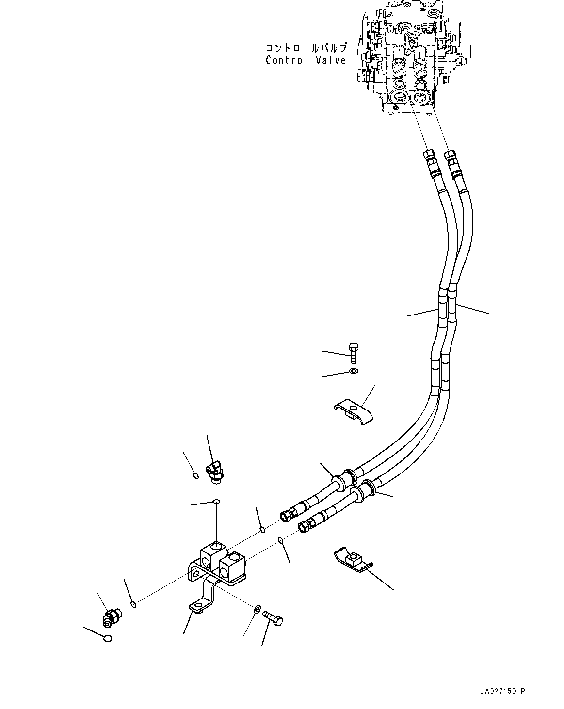
| ? | 12Y-62-33641 | Hose Assembly | 1 | SN: 10001- KIT-FLAG: _- SCC: SERIALNO: 10001- |
|||
| ? | 12Y-62-33651 | Hose Assembly | 1 | SN: 10001- KIT-FLAG: _- SCC: SERIALNO: 10001- |
|||
| ? | 07095-00317 | Cushion | 2 | SN: 10001- KIT-FLAG: _- SCC: SERIALNO: 10001- |
|||
| ? | 07094-30315 | Clamp | 2 | SN: 10001- KIT-FLAG: _- SCC: SERIALNO: 10001- |
|||
| ? | 01010-81265 | Bolt | 1 | SN: 10001- KIT-FLAG: _- SCC: SERIALNO: 10001- |
|||
| ? | 01643-31232 | Washer | 1 | SN: 10001- KIT-FLAG: _- SCC: SERIALNO: 10001- |
|||
| ? | 12Y-62-33661 | Bracket | 1 | SN: 10001- KIT-FLAG: _- SCC: SERIALNO: 10001- |
|||
| ? | 01010-81230 | Bolt | 2 | SN: 10001- KIT-FLAG: _- SCC: SERIALNO: 10001- |
|||
| ? | 01643-31232 | Washer | 2 | SN: 10001- KIT-FLAG: _- SCC: SERIALNO: 10001- |
|||
| ? | 02896-11009 | O-ring | 2 | SN: 10001- KIT-FLAG: _- SCC: SERIALNO: 10001- |
|||
| ? | 02782-10315 | Elbow | 2 | SN: 10001- KIT-FLAG: _- SCC: SERIALNO: 10001- |
|||
| ? | 07002-12034 | O-ring | 2 | SN: 10001- KIT-FLAG: _- SCC: SERIALNO: 10001- |
|||
| ? | 02896-11009 | O-ring | 2 | SN: 10001- KIT-FLAG: _- SCC: SERIALNO: 10001- |
|||
| ? | 02783-10315 | Elbow | 2 | SN: 10001- KIT-FLAG: _- SCC: SERIALNO: 10001- |
|||
| ? | 07002-12034 | O-ring | 2 | SN: 10001- KIT-FLAG: _- SCC: SERIALNO: 10001- |
|||
| ? | 02896-11009 | O-ring | 2 | SN: 10001- KIT-FLAG: _- SCC: SERIALNO: 10001- |