| Номер на схеме | Каталожный номер | Название | Количество | Детали | |||
|---|---|---|---|---|---|---|---|
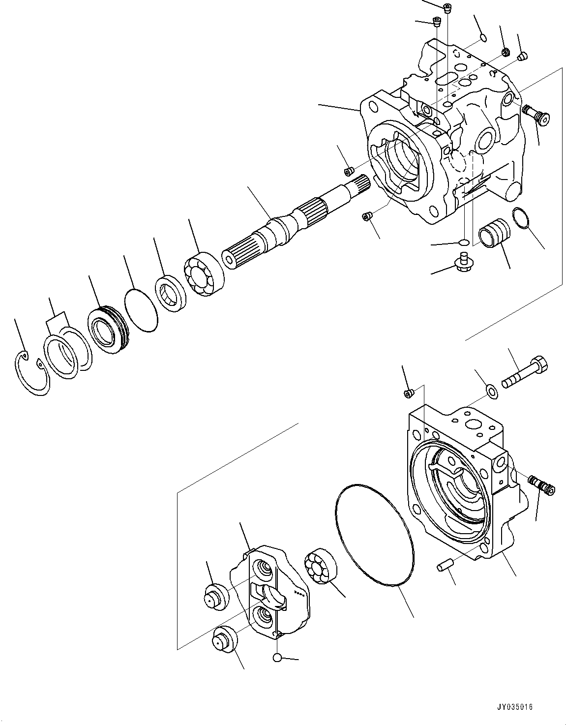
| ? | 708-1U-00360 | Pump Assembly | 1 | SN: 10001- KIT-FLAG: _- SCC: SERIALNO: 10001- |
|||
| ? | (708-1U-01360) | • Pump Subassembly | 1 | SN: 10001- KIT-FLAG: _- SCC: C2 SERIALNO: 10001- |
|||
| ? | (708-1U-04430) | • • Case Assembly | 1 | SN: 10001- KIT-FLAG: _- SCC: C2 SERIALNO: 10001- |
|||
| ? | • • • Case | 1 | SN: 10001- KIT-FLAG: _- SCC: C1 SERIALNO: 10001- |
||||
| ? | • • • Plug, Stocking | 9 | SN: 10001- KIT-FLAG: _- SCC: C1 SERIALNO: 10001- |
||||
| ? | • • • Sleeve | 1 | SN: 10001- KIT-FLAG: _- SCC: C1 SERIALNO: 10001- |
||||
| ? | • • • Ring | 1 | SN: 10001- KIT-FLAG: _- SCC: C1 SERIALNO: 10001- |
||||
| ? | 07040-11409 | • • Plug | 1 | SN: 10001- KIT-FLAG: _- SCC: SERIALNO: 10001- |
|||
| ? | 07002-61423 | • • O-ring | 1 | SN: 10001- KIT-FLAG: _- SCC: SERIALNO: 10001- |
|||
| ? | (708-1W-49170) | • • O-ring | 1 | SN: 10001- KIT-FLAG: _- SCC: C2 SERIALNO: 10001- |
|||
| ? | (07000-B1009) | • • O-ring | 1 | SN: 10001- KIT-FLAG: _- SCC: C2 SERIALNO: 10001- |
|||
| ? | (708-1L-29340) | • • Orifice | 1 | SN: 10001- KIT-FLAG: _- SCC: C2 SERIALNO: 10001- |
|||
| ? | (04020-01024) | • • Pin, Dowel | 1 | SN: 10001- KIT-FLAG: _- SCC: C2 SERIALNO: 10001- |
|||
| ? | (01010-61470) | • • Bolt | 4 | SN: 10001- KIT-FLAG: _- SCC: C2 SERIALNO: 10001- |
|||
| ? | (01643-31445) | • • Washer, Flat | 4 | SN: 10001- KIT-FLAG: _- SCC: C2 SERIALNO: 10001- |
|||
| ? | 708-1W-04320 | • • Filter Assembly | 1 | SN: 10001- KIT-FLAG: _- SCC: SERIALNO: 10001- |
|||
| ? | (708-1U-04440) | • • Cap Subassembly | 1 | SN: 10001- KIT-FLAG: _- SCC: C2 SERIALNO: 10001- |
|||
| ? | • • • Cap, End | 1 | SN: 10001- KIT-FLAG: _- SCC: C1 SERIALNO: 10001- |
||||
| ? | • • • Plug, Stocking | 2 | SN: 10001- KIT-FLAG: _- SCC: C1 SERIALNO: 10001- |
||||
| ? | (708-1W-42120) | • • Bearing | 1 | SN: 10001- KIT-FLAG: _- SCC: C2 SERIALNO: 10001- |
|||
| ? | 708-1W-04290 | • • Valve, Shuttle | 1 | SN: 10001- KIT-FLAG: _- SCC: SERIALNO: 10001- |
|||
| ? | (708-1U-13461) | • • Ball, Retainer | 2 | SN: 10001- KIT-FLAG: _- SCC: C2 SERIALNO: 10001- |
|||
| ? | (708-1U-13490) | • • Cam, Rocker | 1 | SN: 10001- KIT-FLAG: _- SCC: C2 SERIALNO: 10001- |
|||
| ? | (04260-01270) | • • Ball | 1 | SN: 10001- KIT-FLAG: _- SCC: C2 SERIALNO: 10001- |
|||
| ? | (708-1W-42150) | • • Shaft | 1 | SN: 10001- KIT-FLAG: _- SCC: C2 SERIALNO: 10001- |
|||
| ? | (708-1W-42110) | • • Bearing | 1 | SN: 10001- KIT-FLAG: _- SCC: C2 SERIALNO: 10001- |
|||
| ? | (708-1W-42720) | • • Case | 1 | SN: 10001- KIT-FLAG: _- SCC: C2 SERIALNO: 10001- |
|||
| ? | 708-8D-12221 | • • Seal, Oil | 1 | SN: 10001- KIT-FLAG: _- SCC: SERIALNO: 10001- |
|||
| ? | 07000-B2060 | • • O-ring | 1 | SN: 10001- KIT-FLAG: _- SCC: SERIALNO: 10001- |
|||
| ? | (708-1W-05850) | • • Spacer Kit | 1 | SN: 10001- KIT-FLAG: _- SCC: C2 SERIALNO: 10001- |
|||
| ? | • • • Spacer, T=2.5mm | 1 | SN: 10001- KIT-FLAG: _- SCC: C1 SERIALNO: 10001- |
||||
| ? | • • • Spacer, T=2.55mm | 1 | SN: 10001- KIT-FLAG: _- SCC: C1 SERIALNO: 10001- |
||||
| ? | • • • Spacer, T=2.6mm | 1 | SN: 10001- KIT-FLAG: _- SCC: C1 SERIALNO: 10001- |
||||
| ? | • • • Spacer, T=2.65mm | 1 | SN: 10001- KIT-FLAG: _- SCC: C1 SERIALNO: 10001- |
||||
| ? | • • • Spacer, T=2.7mm | 1 | SN: 10001- KIT-FLAG: _- SCC: C1 SERIALNO: 10001- |
||||
| ? | • • • Spacer, T=2.75mm | 1 | SN: 10001- KIT-FLAG: _- SCC: C1 SERIALNO: 10001- |
||||
| ? | • • • Spacer, T=2.8mm | 1 | SN: 10001- KIT-FLAG: _- SCC: C1 SERIALNO: 10001- |
||||
| ? | • • • Spacer, T=2.85mm | 1 | SN: 10001- KIT-FLAG: _- SCC: C1 SERIALNO: 10001- |
||||
| ? | • • • Spacer, T=2.9mm | 1 | SN: 10001- KIT-FLAG: _- SCC: C1 SERIALNO: 10001- |
||||
| ? | (04065-06825) | • • Ring, Snap | 1 | SN: 10001- KIT-FLAG: _- SCC: C2 SERIALNO: 10001- |