| Номер на схеме | Каталожный номер | Название | Количество | Детали | |||
|---|---|---|---|---|---|---|---|
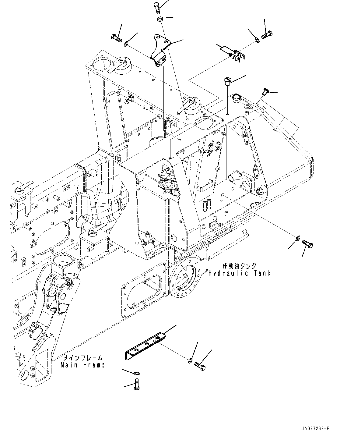
| ? | 12Y-04-11630 | Bracket | 1 | SN: 10001- KIT-FLAG: _- SCC: SERIALNO: 10001- |
|||
| ? | 01643-32060 | Washer | 3 | SN: 10001- KIT-FLAG: _- SCC: SERIALNO: 10001- |
|||
| ? | 01010-82040 | Bolt | 3 | SN: 10001- KIT-FLAG: _- SCC: SERIALNO: 10001- |
|||
| ? | 01643-32060 | Washer | 3 | SN: 10001- KIT-FLAG: _- SCC: SERIALNO: 10001- |
|||
| ? | 01010-82045 | Bolt | 3 | SN: 10001- KIT-FLAG: _- SCC: SERIALNO: 10001- |
|||
| ? | 01643-32060 | Washer | 4 | SN: 10001- KIT-FLAG: _- SCC: SERIALNO: 10001- |
|||
| ? | 01010-82040 | Bolt | 4 | SN: 10001- KIT-FLAG: _- SCC: SERIALNO: 10001- |
|||
| ? | 12Y-60-31371 | Bracket | 1 | SN: 10001- KIT-FLAG: _- SCC: SERIALNO: 10001- |
|||
| ? | 418-18-31160 | Washer | 4 | SN: 10001- KIT-FLAG: _- SCC: SERIALNO: 10001- |
|||
| ? | 01010-81635 | Bolt | 4 | SN: 10001- KIT-FLAG: _- SCC: SERIALNO: 10001- |
|||
| ? | 12Y-04-11521 | Shim, T=1mm | 6 | SN: 10001- KIT-FLAG: _- SCC: SERIALNO: 10001- |
|||
| ? | 01643-31645 | Washer | 3 | SN: 10001- KIT-FLAG: _- SCC: SERIALNO: 10001- |
|||
| ? | 205-27-71670 | Bolt | 3 | SN: 10001- KIT-FLAG: _- SCC: SERIALNO: 10001- |
|||
| ? | 21J-46-12550 | Cap | 2 | SN: 10001- KIT-FLAG: _- SCC: SERIALNO: 10001- |
|||
| ? | 22L-46-12150 | Cap | 3 | SN: 10001- KIT-FLAG: _- SCC: SERIALNO: 10001- |